EasyManua.ls Logo

Sony HCD-EC599 - Printed Wiring Board - TUNER1 Board; Schematic Diagram - TUNER1 Board

Sony HCD-EC599
46 pages
Print Icon
To Next Page IconTo Next Page
To Next Page IconTo Next Page
To Previous Page IconTo Previous Page
To Previous Page IconTo Previous Page
Loading...
2626
HCD-EC599
HCD-EC599
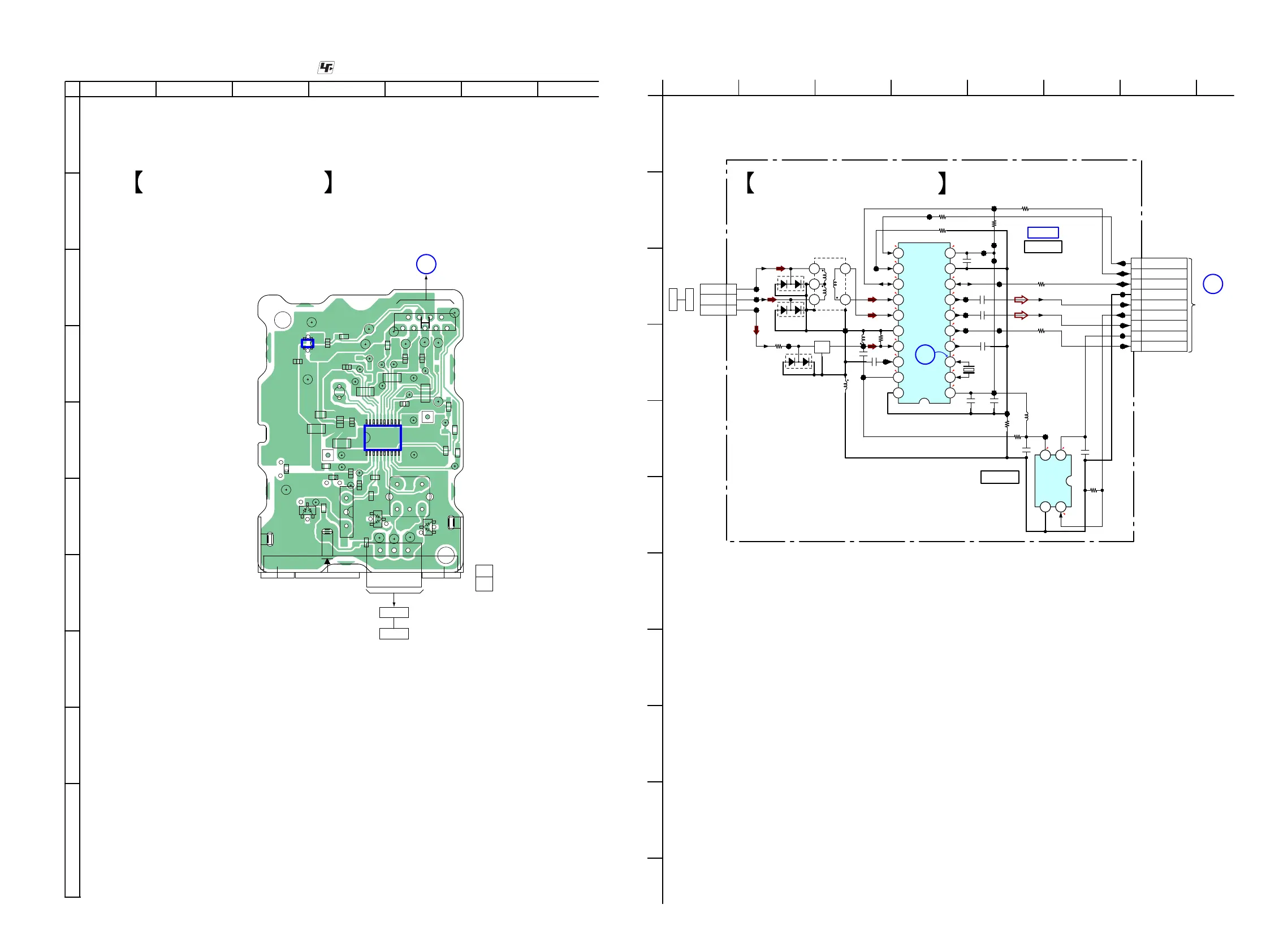
5-13. PRINTED WIRING BOARD – TUNER1 BOARD –
• See page 16 for Circuit Boards Location.
: Uses unleaded solder
.
5-14. SCHEMATIC DIAGRAM – TUNER1 Board –
• See page 16 for Waveforms. • See page 27 for IC Block Diagrams.
R106
R103
R101
R110
C105
C101
C111
C112
D103
C103
R107
C108
C102
C107
L105
1
20
10
11
IC101
D102
D101
C106
JR
JR101
R104
JR
JR102
JR
JR105
R108
R109
JL113
JR
JR109
JR
JR112
C110
R113
JR
JR106
L103
L104
R114
IC103
JL107
JL117
JL112
JL118
JL102
JL108
JL115
JL106
JL109
JL104
JL103
JL105
JL116
JL110
JL111
JL114
JL131
JL125
JL124
JL135
JL127
JL132
JL130
JL121
JL133
JL128
JL134
JL129
JL126
JL122
JL123
X101
L101
FL101
2
1
8
9
CN101
13
CN103
A001
TUNER1 BOARD
1-885-134-
11
(11)
FM / AM
ANTENNA
B
PANEL
BOARD
CN500
(Page 20)
1 2 3 4 5 67
A
B
C
D
E
F
G
H
I
J
TUNER1 BOARD
3.3
0
3.3
0
0
3.3
1.3
1.3
0
0.6
0.6
0.4
3.3
3.3
0
0.7
3.3
3.3
8.9
3.1
5
FL101
1
2
3
1
C112
1
C111
MC2837
D103
2.2
C108
100
R107
MC2837
D102
MC2837
D101
32.768kHz
X101
C105
1
600uH
L101
1
2
3
6
0
R109
0.047
C106
100
R106
22
R105
22
R103
100
R101
4.7uH
L105
0
R108
R110
10k
IC101
TUNER
RZ5B801-0001E2
GND
1
VDDRF
2
CP2
3
FRF1
4
GNDRF
5
ARF1
6
ARF2
7
IIC/RDSI
8
LA
9
CK
10
VDD
11
GND
12
DA
13
ROUT
14
LOUT
15
IISD
16
CP1
17
X1
18
X2
19
VDD
20
JL112
JL102
JL104
JL106
JL108
JL110
JL103
JL105
JL107
JL109
JL115
JL114
JL111
JL113
0
R104
1
2
3
4
5
6
7
8
9
9P
CN101
IISD
VDD
AUDIO L/LRCK
CE
AUDIO R/BCK
GND
DA
IIC/RDSI
CK
JL118
JL117
JL116
1
2
3
3P
CN103
AM
AM
FM
10k
R113
0
R114
NJM2878F4-33(TE2)
IC103
+3.3V REG
1
CE
2
GND
3
VOUT
4
VDD
12
34
50V
2200p
C107
10
C110
50V
470p
C101
1
C102
1
C103
47nH
L103
220nH
L104
JL121
JL122
JL123
JL124
JL125
JL126
JL127
JL129
JL130
JL131
JL132
JL133
JL134
JL135
4
FM / AM
ANTENNA
IC103
B
PANEL
BOARD
(1/2)
CN500
(Page 21)
1234567
A
B
C
D
E
F
G
H
I
J
IC101
IC B/D

Related product manuals