EasyManua.ls Logo

Sony HCD-FX100W - DVD Mechanism Deck Section-3 (CDM69 EH-DVBU101)

Sony HCD-FX100W
212 pages
Print Icon
To Next Page IconTo Next Page
To Next Page IconTo Next Page
To Previous Page IconTo Previous Page
To Previous Page IconTo Previous Page
Loading...
96
HCD-FX100W
Ref. No. Part No. Description Remark Ref. No. Part No. Description Remark
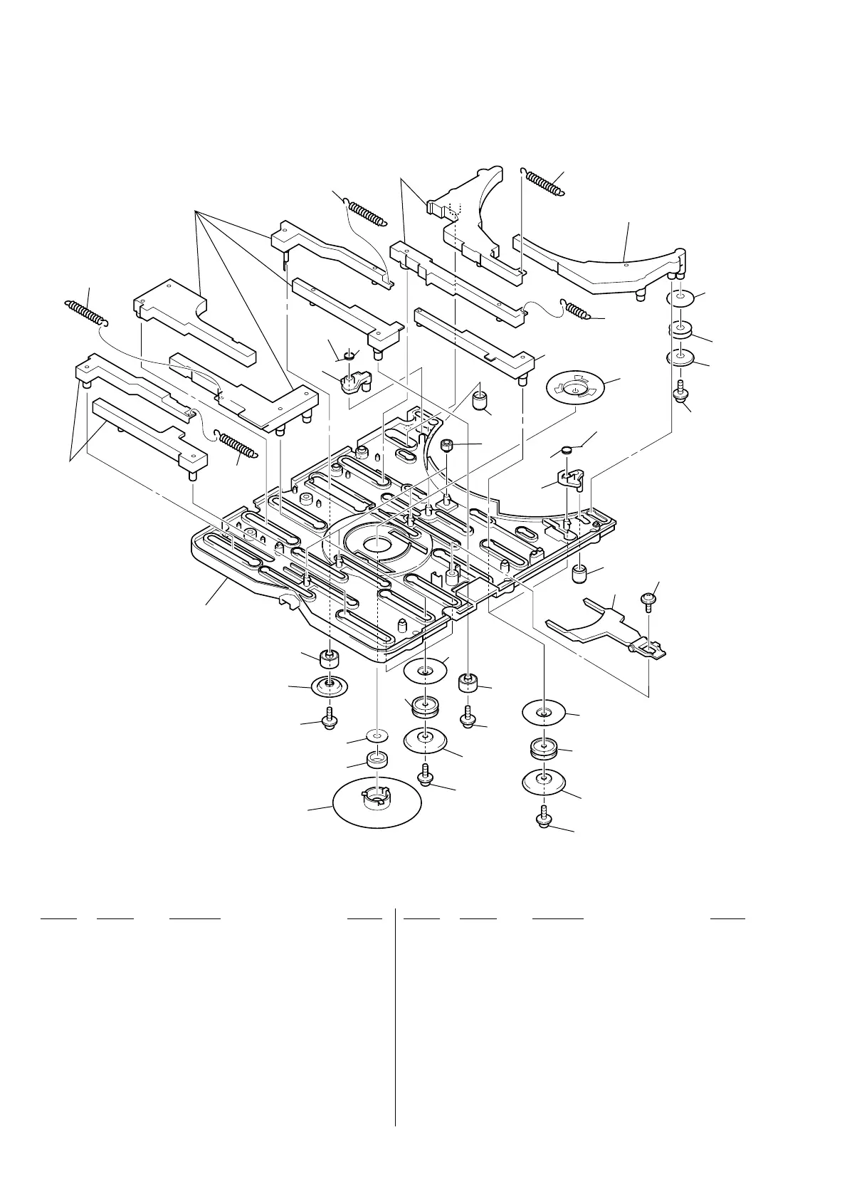
8-7. DVD MECHANISM DECK SECTION-3 (CDM69EH-DVBU101)
405
406
407
402
409
409
411
not supplied
not supplied
not
supplied
414
422
408
not
supplied
415
412
404
402
416
417
415
418
418
402
423
402
403
404
421
424
401
405
420
413
not
supplied
418
418
402
419
not supplied
not supplied
401 4-240-040-01 SPRING (DISC STOPPER), TORSION
402 4-992-069-01 SCREW (+PTPWH) (M2) (DIA. 7)
403 4-239-648-01 PARASOL (ROLLER)
404 4-239-646-01 ROLLER (ROLLER)
405 4-239-641-01 SPRING (1.2), TENSION
406 4-239-642-01 SPRING (3), TENSION COIL
407 4-239-679-01 SPRING (5), TENSION COIL
408 2-345-860-01 PULLEY (A (310)), CHUCKING
409 4-239-649-01 PARASOL (STOCKER)
411 4-244-035-01 ROLLER (STOCKER), RUBBER
412 4-239-640-02 PINION (SLIDER)
413 4-243-291-01 SPRING, TORSION
414 4-240-039-01 LEVER (DISC STOPPER)
415 4-239-702-01 ROLLER (DISC STOPPER)
416 4-985-672-01 SCREW (+PTPWH M2.6), FLOATING
417 4-243-713-01 LEVER (LIFTER)
418 4-239-647-01 PARASOL (MAIN)
419 4-243-916-01 ROLLER (S), RUBBER
420 4-241-599-01 LEVER (SUPPORT)
421 4-243-703-02 YOKE (213)
422 4-239-643-01 SPRING (4), TENSION COIL
423 4-244-032-01 ROLLER, RUBBER
424 1-471-244-11 MAGNET

Table of Contents