EasyManua.ls Logo

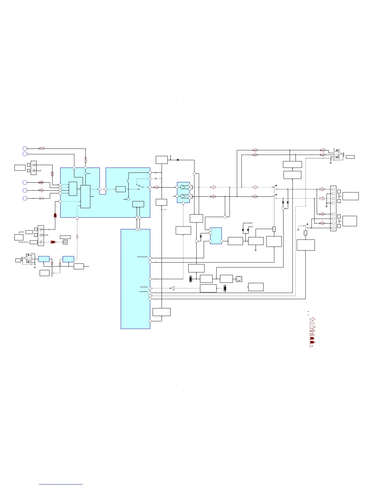
Sony HCD-GN700 - Block Diagram - Main;Power Section

Sony HCD-GN700
71 pages
Print Icon
To Next Page IconTo Next Page
To Next Page IconTo Next Page
To Previous Page IconTo Previous Page
To Previous Page IconTo Previous Page
Loading...
HCD-GN700/GX8800
3030
– MAIN/POWER Section –
AUDIO–DATA
AUDIO–CLK
79 80
M891
(FAN)
+
+
+
+
FRONT SPEAKER
IMPEDANCE
USE 6–16
L
R
SURROUND
SPEAKER
IMPEDANCE
USE 24
L
R
PHONES
J631
RY501
D508D509
VL (AC)
VL (AC)
SYSTEM CONTROLLER
IC501 (3/4)
R-ch is omitted due to same as L-ch.
CD L-CH
A
CD SECTION
TAPE L-CH
C
TUNER L-CH
E
TUNER/TAPE DECK
SECTION
TUNER/TAPE DECK
SECTION
TM501
D507
D511
FAN MOTOR
DRIVE
Q851, 852
FAN MOTOR
ON SWITCH
Q518
OVER LOAD
DETECT SWITCH
Q510
OVER LOAD
DETECT
Q501, 551
M
HEADPHONE MUTING
Q671, 624
MUTING CONTROL
SWITCH
Q652
RY502
+
+
TH502
Q602
TH501
+
D502
MUTING
Q620
MUTING CONTROL
SWITCH
Q650, 651
STANDBY
SWITCH
Q503, 504, 581
R-CH
D130
R-CH
R-CH
18
15
17
OUT1
VOLIN1
14
2221
TOUT1
VOLUME
CONTROL
SOUND
CONTROL
CIRCUIT
INPUT
SELECT
SWITCH
8
+
R-CH
R-CH
R-CH
INPUT SELECT SWITCH,
TONE CONTROL,
ELECTRICAL VOLUME
IC102
IND1
INB1
INA1
INC1
6
4
3
2
INEX1
BB B1
BB A1
RECB1
SAOUT
DATA
CLOCK
7
5
MIC
+
CPU
INTERFACE
R-CH
J117
L
R
VIDEO/MD
(AUDIO) IN
R-CH
A+9V
RV722
J601
J761
L
R
GAME
INPUT
REC L-CH
SPEANA
D
TUNER/TAPE DECK
SECTION
F
DISPLAY SECTION
MIC
AUDIO
VIDEO OUT
VIDEO
J721
MIC AMP
IC722 (1/2)
FEED BACK
SWITCH
Q101
SIGNAL PATH
: TUNER (FM/AM)
: CD PLAY
: TAPE PLAY
: VIDEO/MD (AUDIO) IN
: GAME INPUT (AUDIO)
: GAME INPUT (VIDEO)
: REC
: MIC INPUT
SURROUND
SPEAKER PROTECT
RELAY DRIVE
Q513, 515
FRONT SPEAKER
RELAY DRIVE
Q516, 517
POWER AMP
IC501
OVER CURRENT
PROTECTOR
IC502
MIC
LEVEL
MIC AMP
IC722 (2/2)
RELAY
SWITCH
Q511
OVER LOAD
DETECT SWITCH
Q385
83FRONT-RELAY
77LINE-MUTE
84LINK-RELAY
76HP MUTE
50HP DETECT
78PROTECTOR
81VACS IN
75STK-MUTE
TEMPERATURE
DETECT SWITCH
Q505, 506
19
16
14
18
11
10
8
9
12
43
+
CTOUT
1
OCP
2
VP
BIAS
Q721
TEMPERATURE
DETECT SWITCH
Q514

Table of Contents

Related product manuals