EasyManua.ls Logo

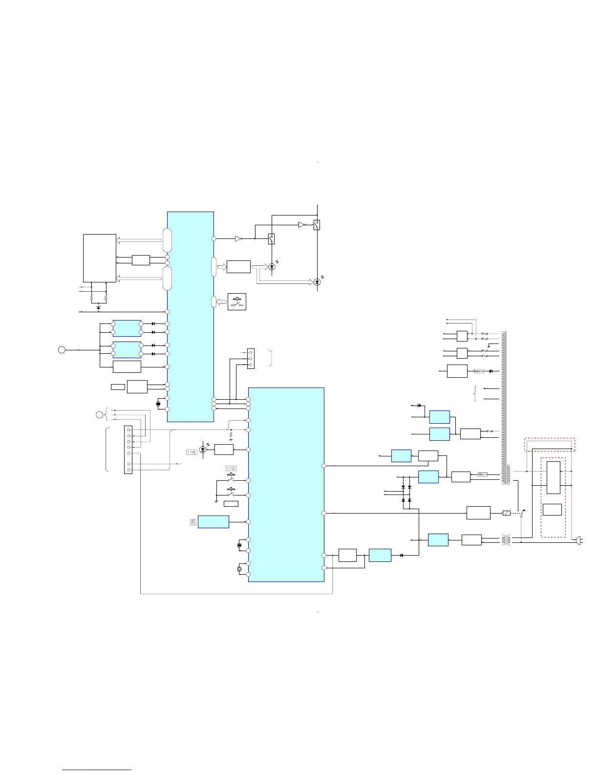
Sony HCD-GN700 - Block Diagram - Display Section

Sony HCD-GN700
71 pages
Print Icon
To Next Page IconTo Next Page
To Next Page IconTo Next Page
To Previous Page IconTo Previous Page
To Previous Page IconTo Previous Page
Loading...
HCD-GN700/GX8800
3131
FL601
FLUORESCENT
INDICATOR TUBE
8 – 10, 12 – 22,
24 – 41, 43 – 46
6 – 1, 100 – 95,
92 – 87
P1 – 36
1G – 13,
G16 – 21
64 – 66
SUPER LOW
FREQUENCY (BPF0)
2
BPF, RECT
IC101
BPF, RECT
IC102
67
70
12
76
69
68
48
93
72
94
BPF3
BPF1
BPF2
VKK
SELECTOR
G15
G15
G14
G14
G1 – 13, 16 – 21
6
1
7
80 VOL 1A
79 VOL 1B
ROTARY
ENCODER
S748
VOLUME
X
MAIN/POWER
SECTION
F
CD
SECTION
B
SPEANA
P1 – 36
VF1
VF2
D610
D101
D102
-VG
(-32V)
X601
4MHz
83 X1
82 X0
52 – 59, 73
LED DRIVE
Q602 – 604,
Q1001 – 1006
D603, 605, 601
D1002, 1004, 1006
D1008, 1010, 1012
D602, 606, 604
D1001, 1003, 1005,
D1007, 1009, 1011
M+9V
Q606
Q601
Q605
Q707
D748
KEY2
|
KEY0
S782 – 792, 779
S765 – 772, 773
S751 – 763
60IIC DATA
D+3.3V
CN501
D+3.3V
IIC-CLK
IIC
PROGRAM
IIC-DATA
3
2
4
61IIC CLK
77RESET
30 IIC-DATA
29 IIC-CLK
41
31
9
GC-RESET
TXD1
TXD1
CNVSS
CNVSS
MCU VCC
CN502
CNVSS
TXD1
TXD1
RTS1
ON BOARD
PROGRAM
CLK1
RXD1
RESET
MCU VCC
CN VSS
SQ-CLK
SENS
SQ-DATA
74 POWER-KEY
73 DISPLAY-KEY
S749
S750
DISPLAY
39 STBY-LED
4 SIRCS
X502
16MHz
15 X-IN
13 X-OUT
X501
32.768kHz
10 XC-IN
11 XC-OUT
23CD-POWER
SYSTEM CONTROLLER
IC501 (4/4)
27STBY-RELAY
12RESET
20AC-CUT
B+ SWITCH
Q901, 902
RECT
D901
+3.3V
REGULATOR
IC904
M +9V
M +7V
A +9V
TC +9V
D913 – 915
D502 D504
D501 D503
+3.9V
REGULATOR
IC903
+3.9V
REGULATOR
IC971
D +3.9V
+9V
REGULATOR
IC902
+9V
REGULATOR
IC901
CD D+3.3V
CD A+3.3V
LEVEL
DETECT
IC601
D505
RECT
D909 – 912
RECT
D972 – 975
LED DRIVE
Q748
T972
SUB POWER
TRANSFORMER
RECT
D541
RECT
D543
+VL
VL(AC)
VL(AC)
F974
VL
VL
VH
VH
VP
VF
VF
AC3
AC4
AC4
AC3
GND
F975
F976
F977
F978
R941
–VL
+VH
–VH
– 33V
REGULATOR
Q903
POWER ON/OFF
RELAY DRIVE
Q971
– VG
(-32V)
D977
RECT
VF1
VF2
RY971
AC IN
T910
MAIN POWER
TRANSFORMER
RESET
SWITCH
Q601
REMOTE CONTROL
RECEIVER
IC603
TO FLUORESCENT
INDICATOR TUBE
FL601
MCU VCC
VREF
EVER +3.9V
S901
S901
GN700
GX8800
120V
|
220V
|
230 – 240V
DISPLAY CONTROL
KEY CONTROL
IC601
BUFFER
Q807, 808
D103
D104
BAFFER, RECT
Q100, D105
71
ALL_BAND
3
2
6
9
7
5
8
R952
VOLTAGE
SELECT
– DISPLAY Section –

Table of Contents

Related product manuals