EasyManua.ls Logo

Sony HCD-GNZ55D - Schematic Diagram - DMB15 Section (2;5)

Sony HCD-GNZ55D
100 pages
Print Icon
To Next Page IconTo Next Page
To Next Page IconTo Next Page
To Previous Page IconTo Previous Page
To Previous Page IconTo Previous Page
Loading...
41 41
HCD-GNZ55D
HCD-GNZ55D
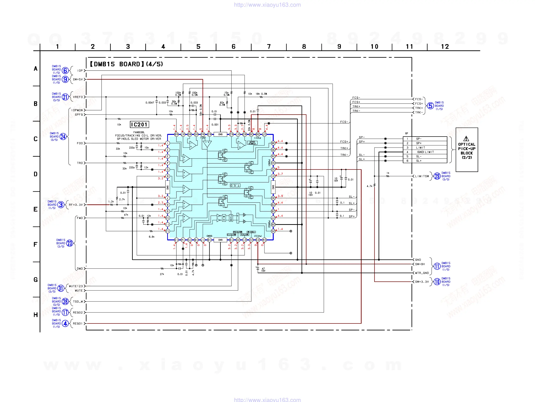
6-13. SCHEMATIC DIAGRAM — DMB15 SECTION (4/5) —
CL205
CL204
CL203
CL202
CL201
CL206
CL207
CL208
C217
JL201
JL202
JL203
JL204
JL205
JL206
CL210
CL211
CL212
CL209
ICT201
ICT202
ICT207
ICT206
ICT205
C218
C220
R204
R207
C203
R215C206
R209
R206
C208 R216
C205
R208
R214
R212
R220
C233 C209
R221
C211
R223 R225
C212
R230
C214
C215
R234
R231
C219
C224
C221
C222
R2504
R224
C210R219
CN201
R247
R213
IC201
R226
R233
R205
R210
R246
C213
R232
(Page 40)
(Page 38)
(Page
40)
(Page
38)
(Page 40)
(Page 40)
(Page 40)
(Page 38)
(Page 38)
(Page 38)
(Page 38)
(Page 40)
(Page 38)
(Page 38)
w
w
w
.
x
i
a
o
y
u
1
6
3
.
c
o
m
Q
Q
3
7
6
3
1
5
1
5
0
9
9
2
8
9
4
2
9
8
T
E
L
1
3
9
4
2
2
9
6
5
1
3
9
9
2
8
9
4
2
9
8
0
5
1
5
1
3
6
7
3
Q
Q
TEL 13942296513 QQ 376315150 892498299
TEL 13942296513 QQ 376315150 892498299
http://www.xiaoyu163.com
http://www.xiaoyu163.com

Table of Contents

Related product manuals