EasyManua.ls Logo

Sony HCD-GNZ55D - Schematic Diagram - S-Master Section (1;2)

Sony HCD-GNZ55D
100 pages
Print Icon
To Next Page IconTo Next Page
To Next Page IconTo Next Page
To Previous Page IconTo Previous Page
To Previous Page IconTo Previous Page
Loading...
5050
HCD-GNZ55D
HCD-GNZ55D
(Page 53)
(Page 44)
(Page 58)
(Page 51)
• Refer to page 33 for Waveforms.
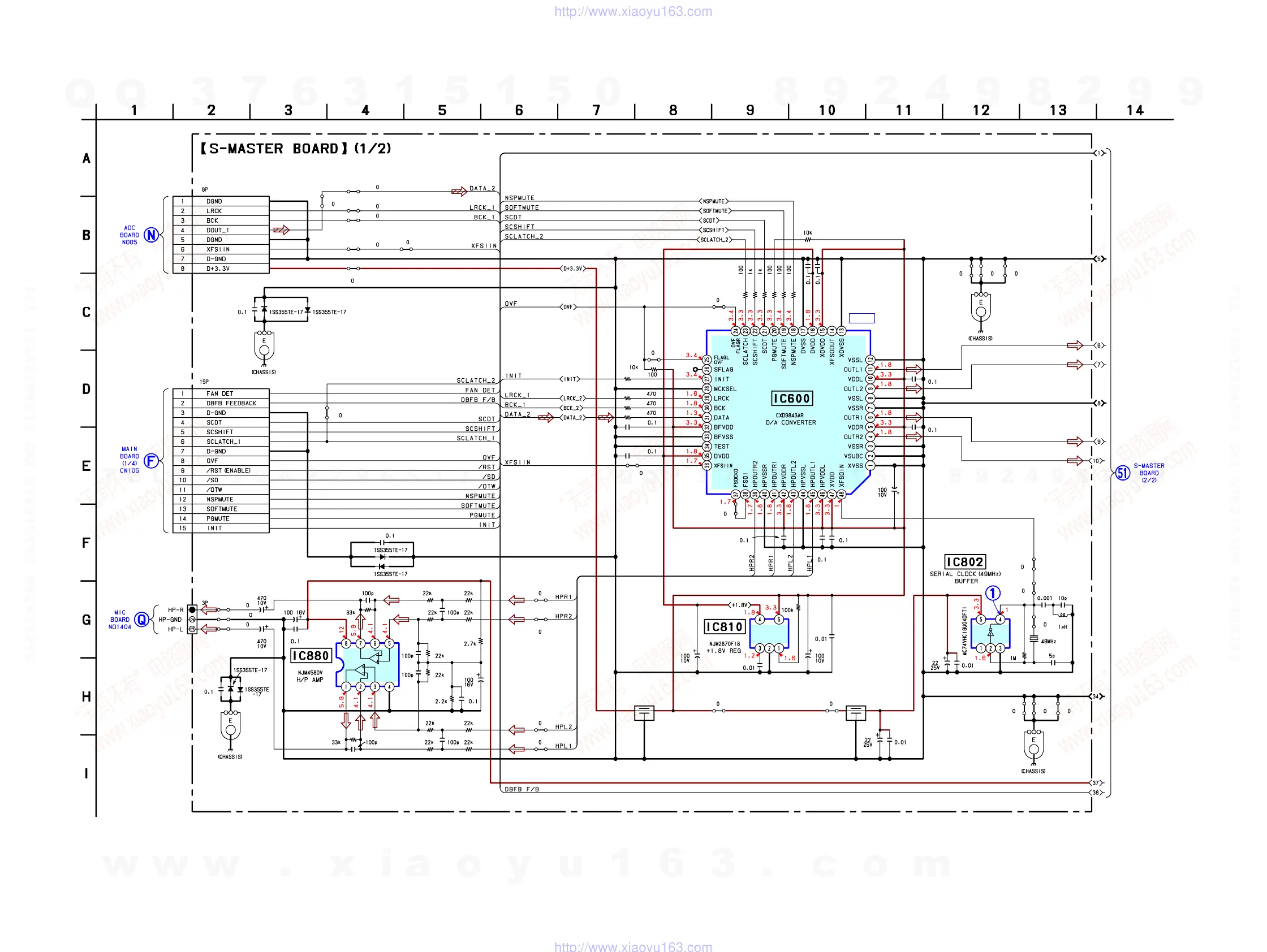
6-21. SCHEMATIC DIAGRAM — S-MASTER SECTION (1/2) — • Refer to page 64 for IC Block Diagrams.
IC B/D
C611
C610
C608
C607
C604
R601
R602
TP600
R600
C609
L802
R810
C613
C612
R621
R617
R616
R609
C605
R603
R804
R805
R827
R808
C874
C606
EP882
EP880
D884 D885
C878
R612
D880 D881
D892
D893
C871
R618
IC600
R605
R606
R607
R620
R619
JR800
CN501
JR804
CN500
R611
C819
C809
IC802
R803
C821
X801
L804
R806
C823C822
R807
FB802
C800
C805
IC810
C811
D882
C883
C887
IC880
C890
CN503
R886
FB881
R892
FB800 L800
C879 D894 D895
R842
R843
R844
R845 C801
FL800
C810
C806
R811
FL810
C872
R885 R883
R882
R889
R890C885
C882
R895
R884
C892
C881
R893
C891R894
C889
C884
C880
R880
R881
R887
R888
EP886
EP881
D883
C888
R891
w
w
w
.
x
i
a
o
y
u
1
6
3
.
c
o
m
Q
Q
3
7
6
3
1
5
1
5
0
9
9
2
8
9
4
2
9
8
T
E
L
1
3
9
4
2
2
9
6
5
1
3
9
9
2
8
9
4
2
9
8
0
5
1
5
1
3
6
7
3
Q
Q
TEL 13942296513 QQ 376315150 892498299
TEL 13942296513 QQ 376315150 892498299
http://www.xiaoyu163.com
http://www.xiaoyu163.com

Table of Contents