EasyManua.ls Logo

Sony HCD-GPX7 - Page 47

Sony HCD-GPX7
74 pages
Print Icon
To Next Page IconTo Next Page
To Next Page IconTo Next Page
To Previous Page IconTo Previous Page
To Previous Page IconTo Previous Page
Loading...
45
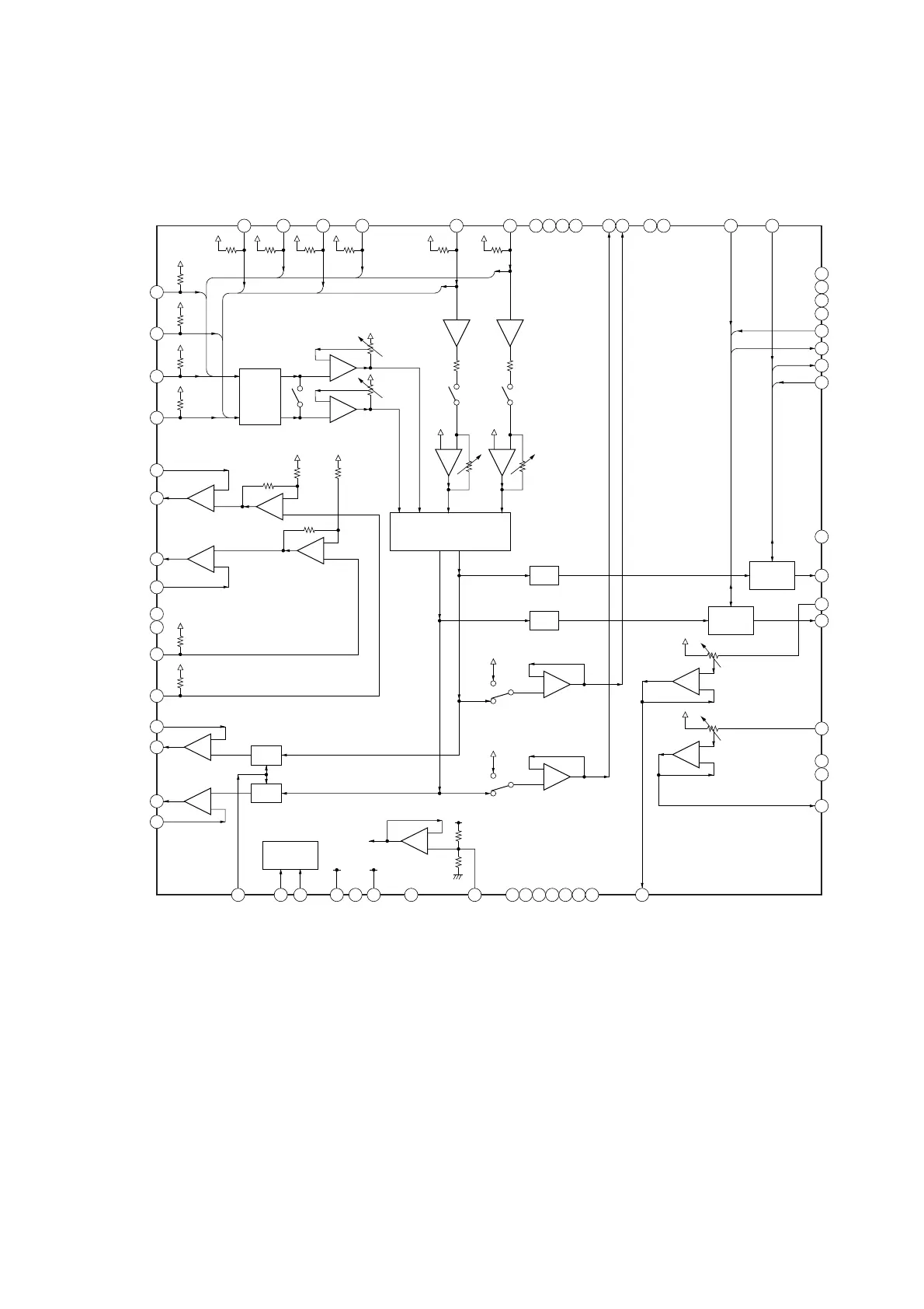
HCD-GPX6/GPX7
– MAIN Board –
IC302 BD3402KS2
1
D1
2
D2
3
E1
9
NC
10
NC
11
TAPE 1
12
TAPE 2
13
RECNF2
14
RECOUT2
5
PBNF2
6
PBOUT2
7
PBOUT1
4
E2
8
PBNF1
15
RECOUT1
16
RECNF1
33
VOLOUT1
34
NC
35
NC
36
VIN1
DIGITAL
CONTROL
64
C2
+
+
+
ALC
ATT
ALC
17
ALC
18
SC
19
SI
27
NC
28
NC
29
NC
30
NC
20
VDD
21
GND
22
VCC
23
NC
24
FILTER
32
VOLOUT2
25
NC
26
NC
+
BUFFER
MIX
31
NC
38
VIN2
37
TONE OUT1
48
NC
+
+
+
+
+
+
+
+
63
C1
62
B2
61
B1
60
A2
59
A1
45
NC
44
BNF1
42
BOUT2
41
BNF2
39
TONE OUT2
40
NC
47
NC
46
NC
43
BOUT1
58
NC
56
NC
55
NC
57
NC
+
INPUT
SELECT
+
+
54
LINEOUT1
53
LINEOUT2
52
NC
51
NC
49
TNF2
50
TNF1
TONE
CONTROL
TONE
CONTROL
ATT

Table of Contents

Related product manuals