EasyManua.ls Logo

Sony HCD-GTR33 - Block Diagram - AMP Section

Sony HCD-GTR33
73 pages
Print Icon
To Next Page IconTo Next Page
To Next Page IconTo Next Page
To Previous Page IconTo Previous Page
To Previous Page IconTo Previous Page
Loading...
HCD-GTR33/GTR55/GTR77
HCD-GTR33/GTR55/GTR77
1717
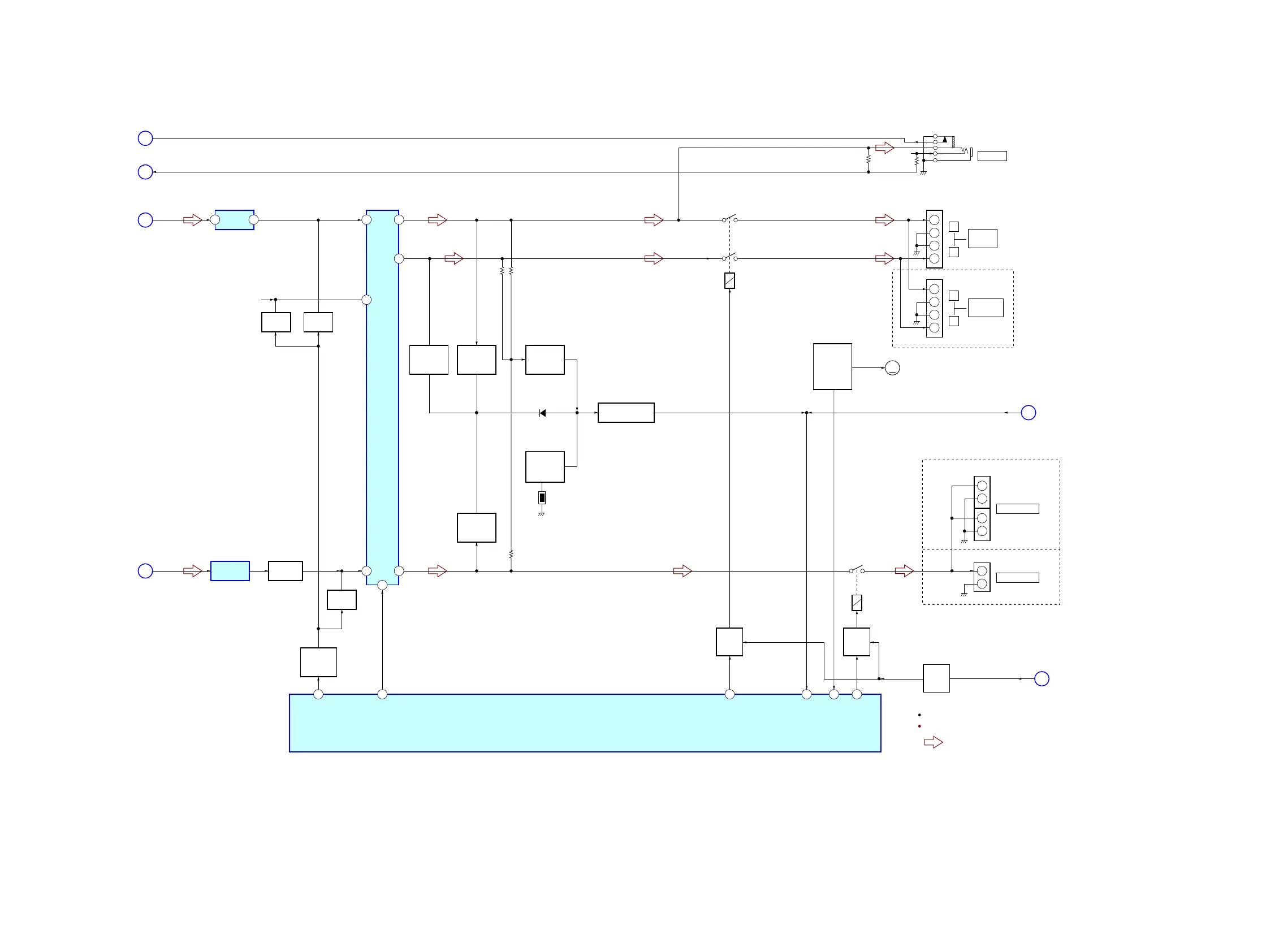
6-3. BLOCK DIAGRAM - AMP Section -

Table of Contents

Related product manuals