EasyManua.ls Logo

Sony HCD-GTR33 - Schematic Diagram - DMB19 Board (3;3)

Sony HCD-GTR33
73 pages
Print Icon
To Next Page IconTo Next Page
To Next Page IconTo Next Page
To Previous Page IconTo Previous Page
To Previous Page IconTo Previous Page
Loading...
HCD-GTR33/GTR55/GTR77
HCD-GTR33/GTR55/GTR77
2323
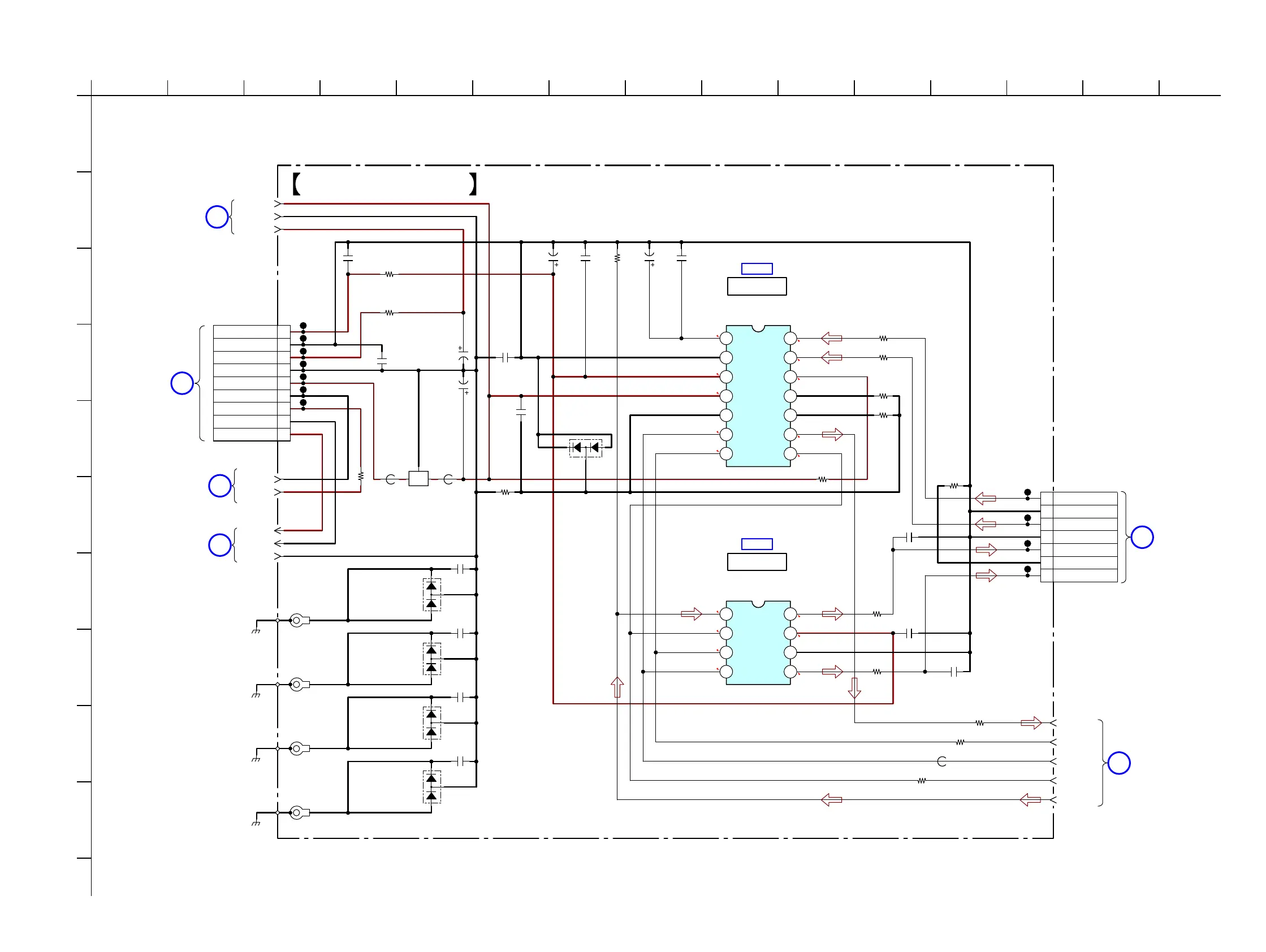
6-8. SCHEMATIC DIAGRAM - DMB19 Board (3/3) -
• See page 40 for IC Block Diagrams.
1 2 3 4 5 6 7 8 9 10 11 14 1512 13
A
B
C
D
E
F
G
H
I
J
IC B/D
IC B/D
FB607
MTR_GND
DGND
VM9V
DVDD5V
DVDD3.3V
ADIN
16V
C4608
10
R4601
100
C4602
0.1
C4603
0.1
R4606
22
R4605
ABCK
ALRCK
ACLK
EMI
G
FL603
ASDATA0
10k
R521
8
7
6
54
3
2
1
CS4335-KSZR
IC4602
SDATA
SCLK
LRCK
MCLK
AOUT-R
GND
VDD
AOUT-L
1
2
3
4
5
6
7
8
9
9P
CN601
AVDD5V
AGND
DVDD5V
DGND
DVDD3.3V
MGND
VM (9V)
USBGND
USB+5V
R4602
100
14
13
12
11
10
9
87
6
5
4
3
2
1
PCM1808PWR
IC4601
VREF
AGND
VCC
VDD
DGND
SCKI
LRCK BCK
DOUT
MD0
MD1
FMT
VINL
VINR
C4606
0.1
1
2
3
4
5
6
7
7P
CN4602
R-OUT
AGND
L-OUT
AGND
L-IN
AGND
R-IN
R4608
0
USB+5V
USBGND
D002
MC2840-T112-1
D003
MC2840-T112-1
D004
MC2840-T112-1
E
ET001
E
ET002
E
ET003
E
ET004
D001
MC2840-T112-1
FB603
JL001
JL002
JL003
JL004
JL005
JL006
JL007
JL010
JL012
JL014
JL016
R630
0
100p
C4623
100p
C4622
0.47
C502
R4837
0
R4838
0
0
R4835
0.01
C4626
0
R4834
0
R4833
R4611
0
R4609
0
0R608
0
R606
10V
100
C604
10V
100
C602
10V
100
C603
0
R605
C623
0.1
C622
0.1
C621
0.1
C620
0.1
DGND
A/D CONVERTER
IC4601
IC4602
D/A CONVERTER
(CHASSIS)
(CHASSIS)
(CHASSIS)
(CHASSIS)
D005
MC2840-T112-1
0.1
C608
0.1
C611
DMB19
BOARD
(2/3)
(Page 22)
7
DMB19
BOARD
(2/3)
(Page 22)
8
DMB19
BOARD
(1/3)
(Page 21)
4
MAIN
BOARD
(3/3)
CN601
(Page 27)
K
MAIN
BOARD
(2/3)
CN692
(Page 26)
L
DMB19
BOARD
(1/3)
(Page 21)
5
DMB19 BOARD (3/3)
5.0
2.5
3.2
1.6
1.7
1.7
1.3
3.2
2.5
2.5
1.0
1.7
1.7
1.6
2.1
5.0
3.2

Table of Contents

Related product manuals