EasyManua.ls Logo

Sony HCD-RX99 - MIC;HP Section Schematic Diagram

Sony HCD-RX99
20 pages
Print Icon
To Next Page IconTo Next Page
To Next Page IconTo Next Page
To Previous Page IconTo Previous Page
To Previous Page IconTo Previous Page
Loading...
– 61 –
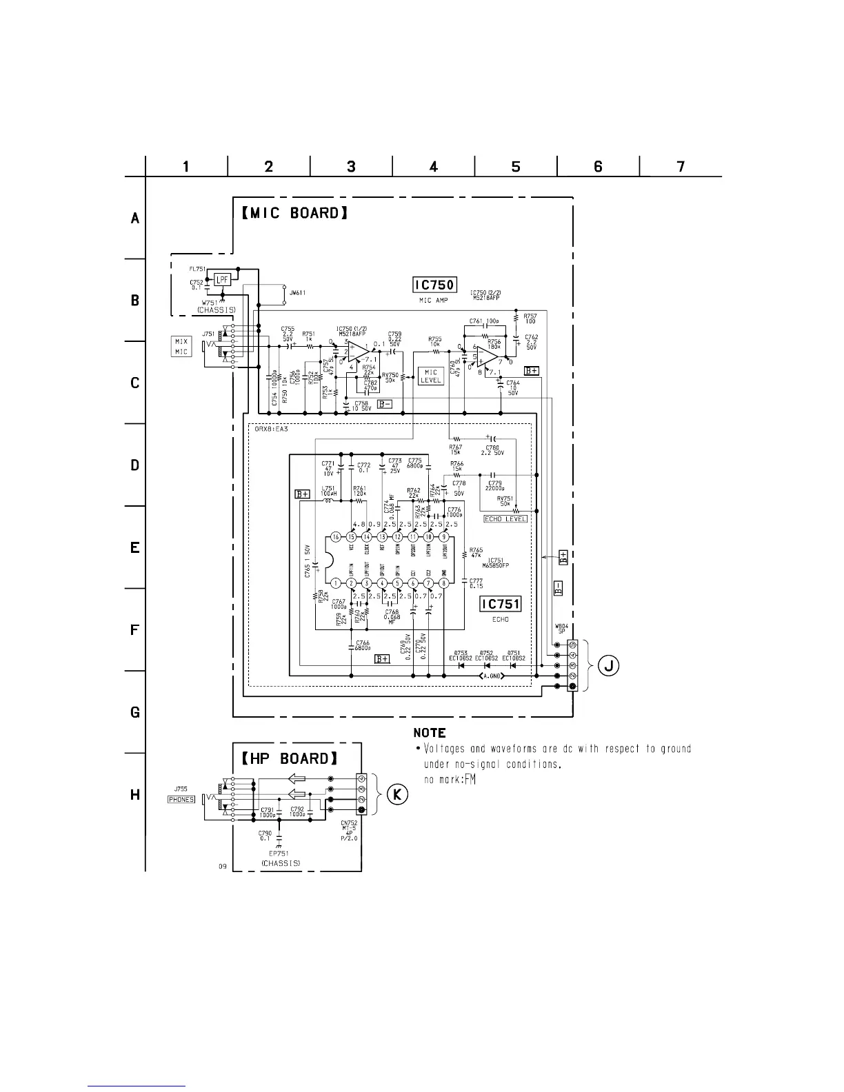
7-16. SCHEMATIC DIAGRAM – MIC/HP SECTION –
• See page 87 for IC Block Diagrams.
(Page 65)
(Page 65)

Related product manuals