EasyManua.ls Logo

Sony HCD-RX99 - Transformer Section Schematic Diagram

Sony HCD-RX99
20 pages
Print Icon
To Next Page IconTo Next Page
To Next Page IconTo Next Page
To Previous Page IconTo Previous Page
To Previous Page IconTo Previous Page
Loading...
– 67 – – 68 –
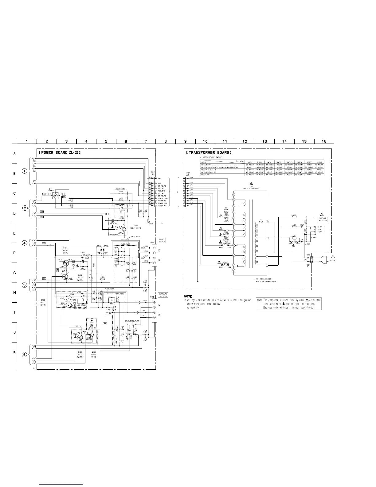
HCD-GRX8/R800/RX88/RX99
7-20. SCHEMATIC DIAGRAM – TRANSFORMER SECTION –
• See page 63 for Printed Wiring Board. (POWER BOARD)
(Page
66)
(Page
66)
(Page
66)
(Page
66)
(Page
66)

Related product manuals