EasyManua.ls Logo

Sony HCD-SD1 - REG Section Schematic Diagram

Sony HCD-SD1
51 pages
Print Icon
To Next Page IconTo Next Page
To Next Page IconTo Next Page
To Previous Page IconTo Previous Page
To Previous Page IconTo Previous Page
Loading...
HCD-SD1
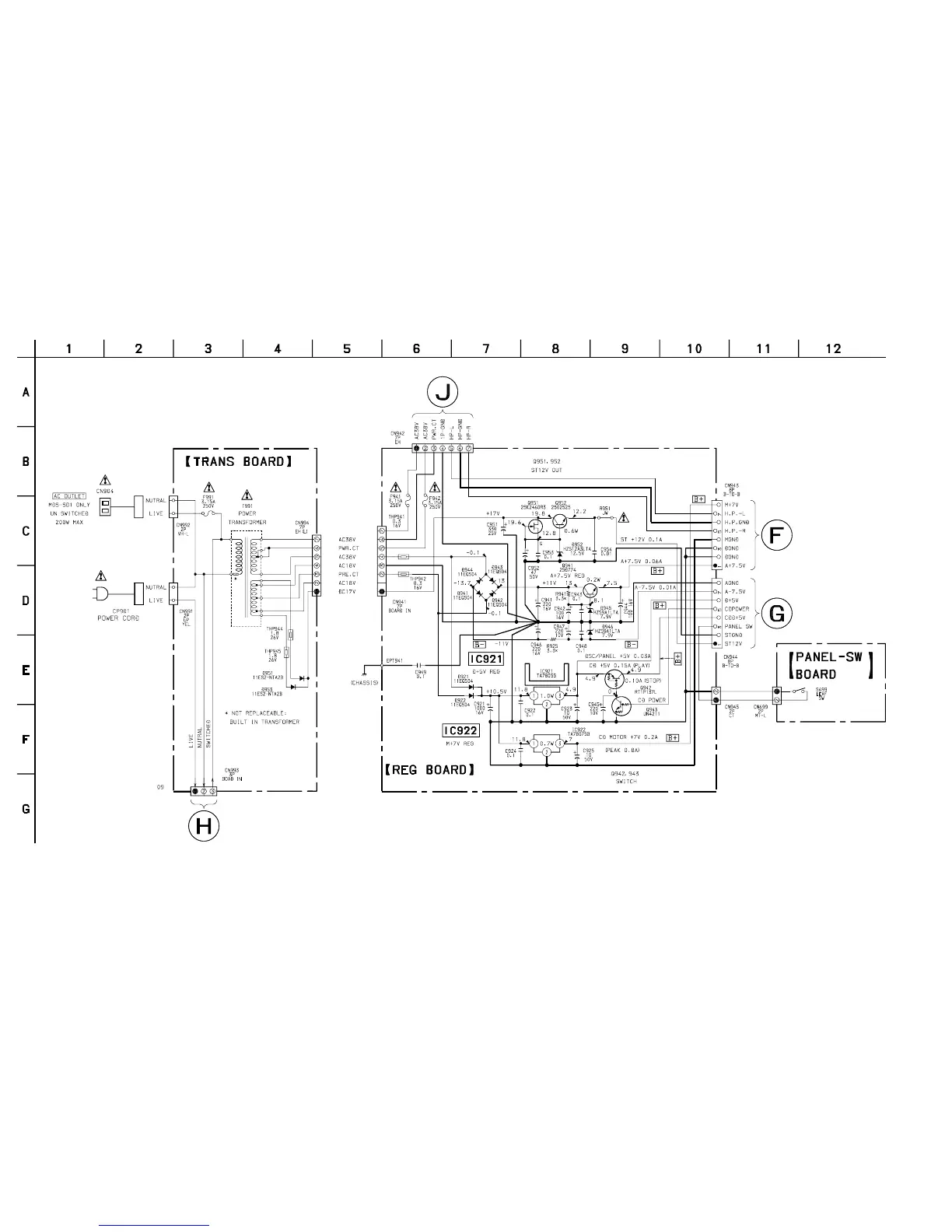
7-16. SCHEMATIC DIAGRAM – REG SECTION –
– 47 – – 48 –
(Page 40)
(Page 29)
(Page 29)
(Page 33)

Related product manuals