EasyManua.ls Logo

Sony HCD-SH2000 - Schematic Diagram - DAMP Board (4;4)

Sony HCD-SH2000
88 pages
Print Icon
To Next Page IconTo Next Page
To Next Page IconTo Next Page
To Previous Page IconTo Previous Page
To Previous Page IconTo Previous Page
Loading...
HCD-SH2000
HCD-SH2000
4242
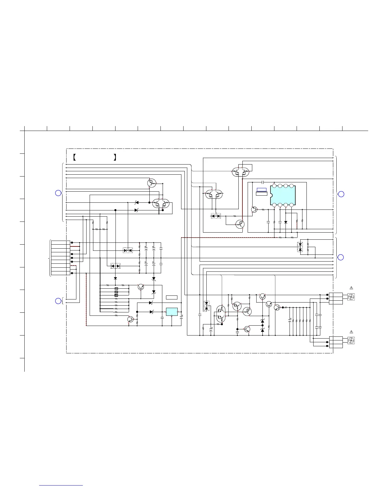
5-27. SCHEMATIC DIAGRAM – DAMP BOARD (4/4) –
• See page 54 for IC Block Diagrams.
-40V REG
35
28
33
30
32
31
29
R1607
100k
MC2838-T112-1
D1430
100k
R1608
MC2838-T112-1
D1435
10k
R1618
1k
R1625
1
2
3
3P
CN1404
FAN+
FAN-
FAN+
JL1484
JL1483
50V
10
C1572
0.1
C1574
KTC3203Y-AT
Q1441
JL1487
RT1P141C-TP-1
Q1458
1
2
3
3P
CN1405
FAN+
FAN-
FAN+
RT3NDDM-T111-1
Q1451
Q1451, Q1441, Q1439, Q1458, Q1453, Q1476
RT1P141C-TP-1
Q1453
4.7k
R1630
JL1470
DZ2J068M0L
D1439
FAN LOCK DETECT
2SC3052EF-T1-LEF
Q1447
JL1468
JL1476
C1580
0.1
R1652 8.2
R1655
8.2
100
R1673
100kR1667
JL1486
DZ2J06200L
D1438
50VC1584 4.7
1.2k
R1638
R1647
1k
JL1466
Q1439
2SC3052EF-T1-LEF
0.1C1620
0
R1771
10R1772
10
R1774
8.2
R1775
0.1
C1643
KTC3203Y-AT
Q1476
0.1C16550.1C1656
DBFB-FR
FAN-DRIVE
FAN-LOCK
9
8
50V1000pC1491
COMPARATOR
NJM2903V(TE2)
IC1405
1
OUT
2
-IN
3
+IN
4
GND
5
+IN
6
-IN
7
OUT
8
VCC
1kR1457
10kR1473
MC2836-T112-1
D1414
0.1C1473
OTW DRIVE / SD-SLOW DRIVE
Q1405
TRANSISTOR SWITCH
RT3T11M-TP-1
Q1407
0.1C1486
4.7k
R1474
OTP DRIVE
2SC5625
Q1469
10k
R1718
RT1P141C-TP-1
OTP DRIVE
Q1470
100kR1548
100kR1550
1k
R1480
DA2J10100LD1415
/AMP-OTW
/AMP-RESET
/AMP-SD
RT3N11M-TP-1
34
2
14
15
13
18
16
17
71V
C1424
3300
71V
C1425
3300
REGULATOR
Q1400
16V
47
C1450
0.22
C1442
KTC3203Y-AT
DZ2J150M0L
D1406
DZ2J140M0L
D1413
71V
C1431
3300
71V
C1432
3300
JL1416
JL1417
JL1418
JL1419
JL1420
JL1437
R1660
R1661
IO
G
KIA7812AF-RTF/P
IC1402
1kR1672
1k
1k
R1676
RT1P141C-TP-1
SD-FAST
RT3N11M-TP-1
SD-FAST
Q1460
Q1402
DZ2J330M0L
D1412
5
6
7
1
4
10
11
12
JL1563
JL1441
22k
R1710
150k
R1711
OVP
2SC5625
Q1401
10k
R1715
10k
R1716
JL1496
150kR1717
39kR1728 150kR1729
DZ2J068M0L
D1408
DZ2J068M0L
D1409
47k
R1744
47k
R1745
120k
R1746
120k
R1747
DA2J10100L
D1444
150k
R1709
22k
R1708
MC2838-T112-1
D1448
MC2836-T112-1
D1449
1
2
3
4
5
6
7
8
9
NO1402
9P
+VH
+VH
+VH
+VL
P-GND
-VL
-VH
-VH
-VH
100V
0.1
C1616
100V
0.1
C1617
R1430
DZ2J150M0L
D1407
27k
27k
27k
R1806
27kR1807
27kR1808
24
25
100k
R1679
3
17
DAMP
BOARD
(2/4)
(Page 40)
18
DAMP
BOARD
(3/4)
(Page 41)
IC1405
IC1402
FAN MOTOR DRIVE
0
5.2
0
3.4 5.2
0
5.2
-24.3
-25
-41
-25
-25
-52.7
-52.7
-52.7
5.1
0
5.2
5.2
5.2
-52.7
-51.8-49.5-52.7
-52.8
0.1
13
13
2.9
13
13.1
13
12.3
2.9
0.5
13.5
0
0
6.8
0.1
0.1
0.8
0
-41
5.2 -5.1
-5.2
0 5.2
3.2 0
5.2
DAMP BOARD
(4/4)
1234567891011 141512 13
A
B
C
D
E
F
G
H
I
J
DAMP FAN
SMPS FAN
M891
DC FAN
M891
DC FAN
13
DAMP
BOARD
(1/4)
(Page 39)
15
DAMP
BOARD
(2/4)
(Page 40)
SWITCHING
REGULATOR
IC B/D

Table of Contents

Related product manuals