EasyManua.ls Logo

Sony HCD-SH2000 - Page 54

Sony HCD-SH2000
88 pages
Print Icon
To Next Page IconTo Next Page
To Next Page IconTo Next Page
To Previous Page IconTo Previous Page
To Previous Page IconTo Previous Page
Loading...
HCD-SH2000
54
IC Block Diagrams
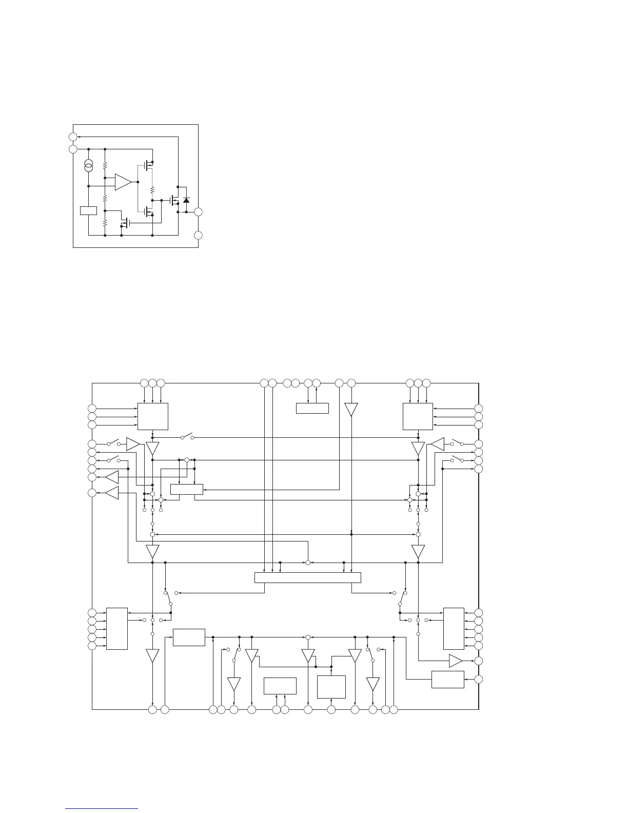
IC101 S-80829CNNB-B8OT2G
(MAIN BOARD (3/4))
VDD 2
OUT
1
+
VREF
NC
VSS
4
3
IC500 R2A15216FP (MAIN BOARD (4/4))
DVD/SAT-R
6 INPUT
SELECTOR
(R-CH)
ST-R
GAME IN-R
GAME_R
INGAINOUTR
RECAR
TV IN-R
NO_USE
PC IN-R
DPLR/SURR
DPLL/SURL
TRER
TONE
R
(TRE,
MID,
BASS)
MID1R
MID2R
BASS1R
BASS2R
VOCAL CUT
REFERENCE
SURROUND OR DPL IN
RECBR
+
+
+
+
SA1
SA2
+
TONEOUTR
BB1R
DATA
CLK
AGCC
OUTR
AGCOUTR
SWOUT
BB2R
VOLINR
ELECTRICAL
VOLUME
MCU
INTERFACE
AUTO
GAIN
CONTROL
+
DVD/SAT-L
6 INPUT
SELECTOR
(L-CH)
ST-L
GAME IN-L
GAME_L
INGAINOUTL
RECAL
PC IN-L
NO_USE
TV IN-L
MIC
VC
TREL
TONE
L
(TRE,
MID,
BASS)
MID1L
MID2L
BASS1L
BASS2L
RECBL
+
+
+
TONEOUTL
BB1L
OUTL
AGCOUTL
BB2L
VOLINL
ELECTRICAL
VOLUME
REFIN
REFOUT
VCC
GND
1
2
3
4
5
6
10
11
12
13
14
7
8
9
15 17 21 22 2419 20 231816 282625 27
42
41
40
39
38
37
35
34
33
32
31
36
30
29
5455 525356 434445464748495051

Table of Contents

Related product manuals