EasyManua.ls Logo

Sony HCD-VX5A - Diagrams; 7-1. Block Diagram - CD Servo Section

Sony HCD-VX5A
86 pages
Print Icon
To Next Page IconTo Next Page
To Next Page IconTo Next Page
To Previous Page IconTo Previous Page
To Previous Page IconTo Previous Page
Loading...
HCD-VX5A/VX5AJ/VX7A
– 21 – – 22 –
SECTION 7
DIAGRAMS
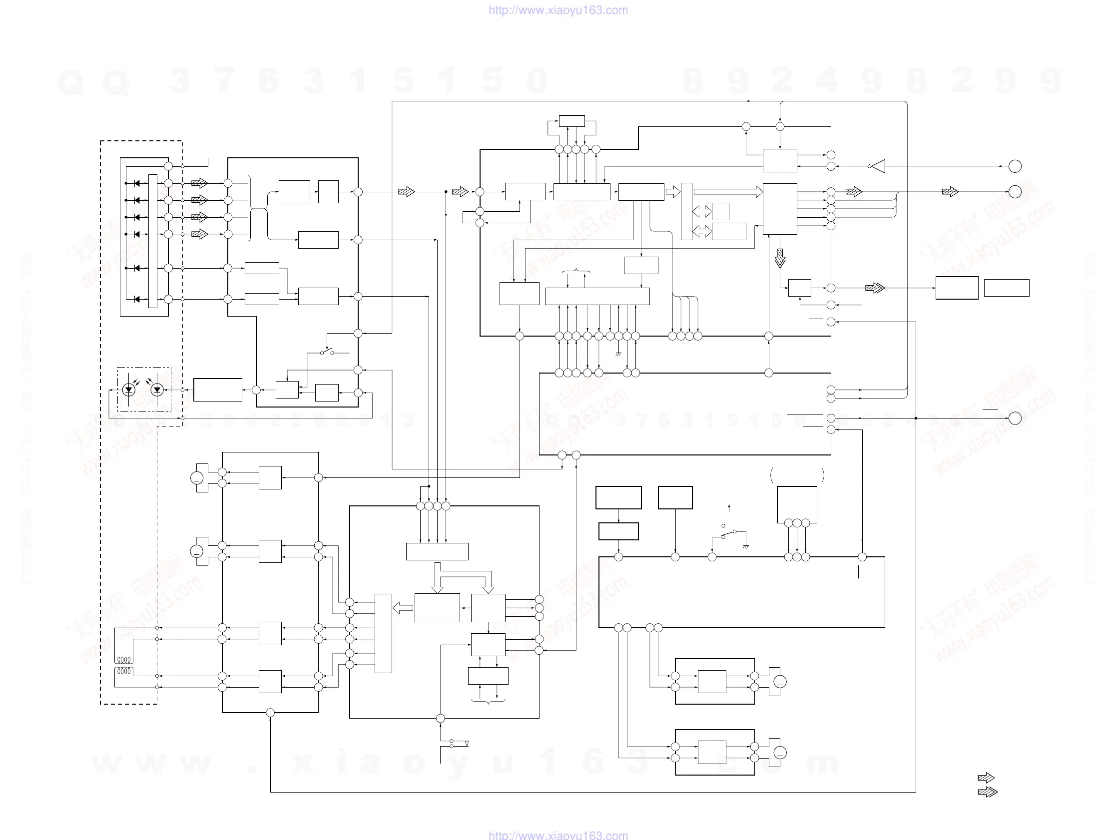
7-1. BLOCK DIAGRAM – CD SERVO Section –
CD MECHANISM CONTROLLER
IC502 (1/2)
A/D
CONVERTER
CH1OUTF
CH1OUTR
5
4
7
2
1
5
10
6
6
7
8
16
14
13
10
11
22
4
3
24
25
23
5
6
2
3
17
18
15
16
A
E
B
C
D
A
CD A+5V
CD A+5V
F
DETECTOR
A
B
C
D
RF
SUMMING
AMP
FOCUS
ERROR AMP
RF EQ
AMP
TRACKING
ERROR AMP
RFO
FE
RF AMP,
FOCUS/TRACKING ERROR AMP
IC103
TE
E
F
F I-V AMP
E I-V AMP
AUTOMATIC
POWER CONTROL
Q101
OPTICAL
TRANSCEIVER
IC381
CD DIGITAL OUT
OPTICAL
APC LD
AMP
APC PD
AMP
LD
LD
PD
LASER DIODE
RFAC
ASYO
ASYI
CTL2
FILTER
FILO
PCO
CLTV
FILI
DIGITAL PLL
ASYMMETRY
CORRECTOR
EFM
DEMODULATOR
DIGITAL SIGNAL PROCESSOR
IC101 (1/2)
MDP
DIGITAL
CLV
PROCESSOR
32K
RAM
ERROR
CORRECTOR
INTERNAL BUS
SQCK
SQSO
MUTE
EXCK
PCMD
DATA
BCK
LRCK
C2PO
C4M
XTSL
XTAO
XTAI
BCK
LRCK
WDCK
C2PO
CTL1
CTL2
MD2
DOUT
DIGITAL
OUT
D/A
DIGITAL
INTERFACE
CLOCK
GENERATOR
SUBCODE
PROCESSOR
SCOR
WFCK
XUGF
GFS
EMPH
SENSE
DATA
CLOK
XLAT
SBSO
SENSE CLK
SENSE
DSP CLK
DSP DATA
DSP LATCH
SE
TE
FE
RFDC
FOCUS/
TRACKING/SLED
SERVO DSP
FOCUS/TRACKING/SLED
PWM GENERATOR
SFDR
CH3FIN
CH4SIN
CH3RIN
CH3OUTF
CH3OUTR
CH2FIN
CH2RIN
CH1FIN
CH1RIN
20
MUTE
SRDR
TFDR
TRDR
FFDR
FRDR
SSTP
COUT
S101
(LIMIT)
CD A+5V
MIRR,
DFCT, FOK
DETECTOR
SERVO AUTO
SEQUENCER
SERVO
INTERFACE
CPU INTERFACE
SCLK
TO CPU INTERFACE
FOK
MIRR
DFCT
CH4OUTF
CH4OUTR
M101
(SPINDLE)
MOTOR
DRIVE
XRST
LDON
DSP MUTE
MOTOR
DRIVE
COIL
DRIVE
CH2OUTF
CH2OUTR
COIL
DRIVE
M
M
M102
(SLED)
05
FOCUS/TRACKING COIL DRIVE,
SPINDLE/SLED MOTOR DRIVE
IC102
2-AXIS
DEVICE
(TRACKING)
(FOCUS)
DIGITAL SERVO
PROCESSOR
IC101 (2/2)
OPTICAL PICK-UP
(KSS-213D/Q-NP)
LDON
21
HOLD SW
PD
(Page 23)
SIGNAL PATH
: CD PLAY
: DIGITAL OUT
I-V AMP
12
11
13
14
CTRL1
CTRL2
CTL1
CTL2
SUBQ DATA
SUBQ CLK
SCOR
MCLK
33.8MHz
B
(Page 23)
DATA, BCK,
LRCK, C2PO
C
(Page 24)
IC104
TBL-L
TBL-R
M
DISC TRAY TURN MOTOR DRIVE
IC701
OUT1
OUT2
IN1
IN2
M701
(DISC TRAY TURN)
SYSTEM CONTROLLER
IC501 (1/4)
LEVEL SHIFT
Q701
DISC IN DETECT
SENSOR
IC703
DISC TRAY
SENSOR
IC702
ROTARY
ENCODER
S811
DISC-SENS
OUT-OPEN
S801
(OPEN/CLOSE DET)
ENC1
ENC2
ENC3
TBL-SENS
CLOSE
OPEN
LOAD-OUT
LOAD-IN
M
MOTOR
DRIVE
MOTOR
DRIVE
DISC TRAY SLIDE MOTOR DRIVE
IC801
OUT1
OUT2
FIN
RIN
M801
(DISC TRAY SLIDE)
RESET
DEVICE RESET
XRESET
33
31
32
29
30
34
19
8
40 41 39 43
22
20
21
26
TO SERVO AUTO
SEQUENCER
50
53 55
XPCK
12
52
54
49
48
25 76 77
66
71
16 69
72
67
65
17
64
63
2
14
79 801574 6 5 10 11
13
68 3
XRST
3 5 4 1 18 36 37 10
28 2
12
77
27
11
60 61 71 70 69 68 59
4 2 3
65 63 67
10
2
3
6
7
4
7
2
66
DISC TRAY
ADDRESS DETECT
w
w
w
.
x
i
a
o
y
u
1
6
3
.
c
o
m
Q
Q
3
7
6
3
1
5
1
5
0
9
9
2
8
9
4
2
9
8
T
E
L
1
3
9
4
2
2
9
6
5
1
3
9
9
2
8
9
4
2
9
8
0
5
1
5
1
3
6
7
3
Q
Q
TEL 13942296513 QQ 376315150 892498299
TEL 13942296513 QQ 376315150 892498299
http://www.xiaoyu163.com
http://www.xiaoyu163.com

Related product manuals