EasyManua.ls Logo

Sony HCD-VX5A - Printed Wiring Board - SURROUND Board; Schematic Diagram - SURROUND Board

Sony HCD-VX5A
86 pages
Print Icon
To Next Page IconTo Next Page
To Next Page IconTo Next Page
To Previous Page IconTo Previous Page
To Previous Page IconTo Previous Page
Loading...
HCD-VX5A/VX5AJ/VX7A
– 73 –
– 74 –
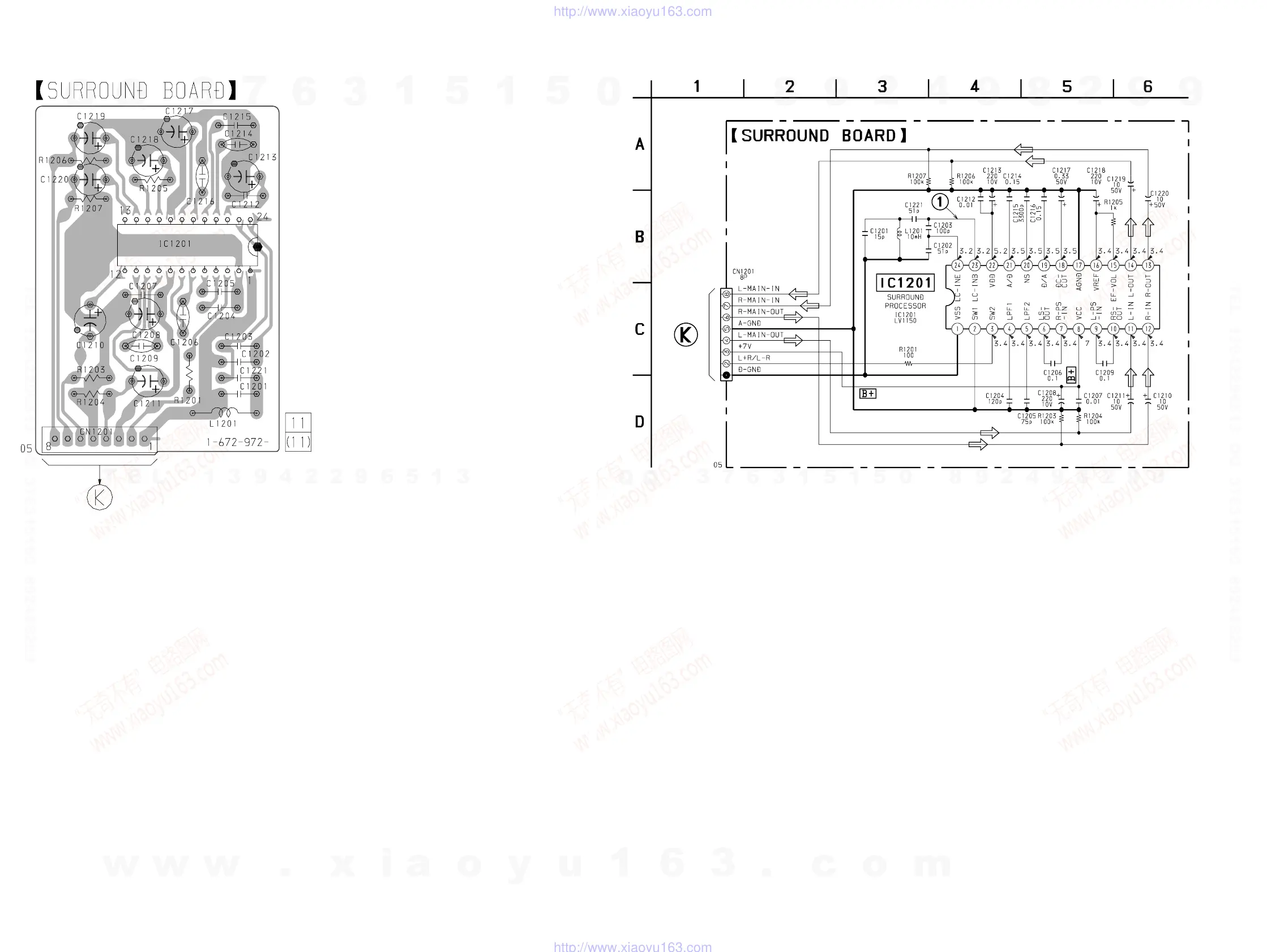
7-29. PRINTED WIRING BOARD – SURROUND Board –
See page 32 for Circuit Boards Location.
7-30. SCHEMATIC DIAGRAM – SURROUND Board –
See page 75 for Waveform. See page 78 for IC Block Diagrams.
Voltages and waveforms are dc with respect to ground
under no-signal (detuned) conditions.
no mark : TUNER (FM/AM)
(Page 56)
(Page 57)
w
w
w
.
x
i
a
o
y
u
1
6
3
.
c
o
m
Q
Q
3
7
6
3
1
5
1
5
0
9
9
2
8
9
4
2
9
8
T
E
L
1
3
9
4
2
2
9
6
5
1
3
9
9
2
8
9
4
2
9
8
0
5
1
5
1
3
6
7
3
Q
Q
TEL 13942296513 QQ 376315150 892498299
TEL 13942296513 QQ 376315150 892498299
http://www.xiaoyu163.com
http://www.xiaoyu163.com

Related product manuals