EasyManua.ls Logo

Sony HCD-VX5A - Schematic Diagram - CD MOTOR Section

Sony HCD-VX5A
86 pages
Print Icon
To Next Page IconTo Next Page
To Next Page IconTo Next Page
To Previous Page IconTo Previous Page
To Previous Page IconTo Previous Page
Loading...
HCD-VX5A/VX5AJ/VX7A
– 47 –
– 48 –
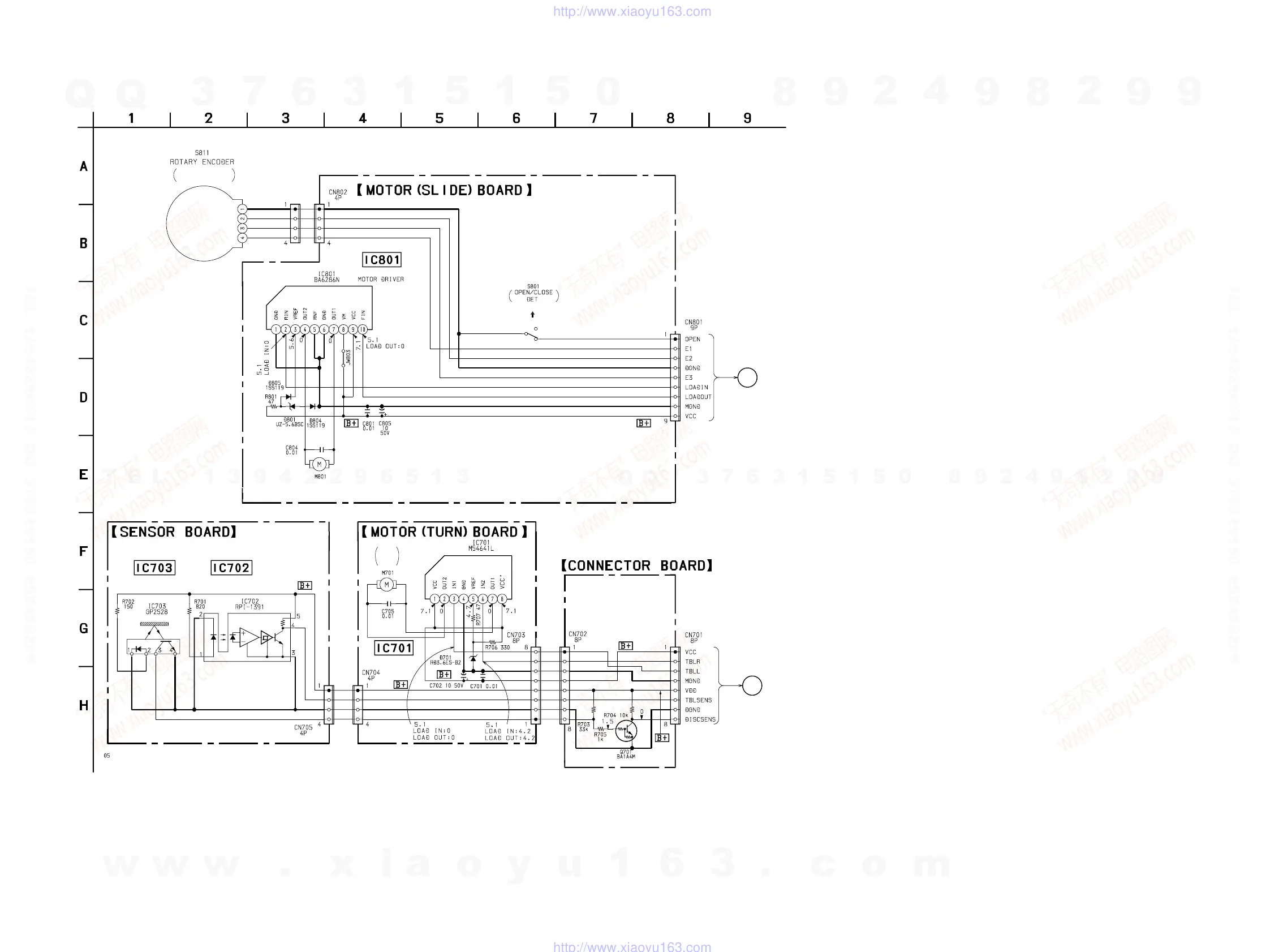
7-13. SCHEMATIC DIAGRAM – CD MOTOR Section – See page 77 for IC Block Diagrams.
Voltages are dc with respect to ground under no-signal
conditions.
no mark : CD STOP
(Page 57)
(Page 57)
DISC TRAY
ADDRESS DETECT
DISC TRAY SLIDE
CLOSE
OPEN
B
(DISC TRAY SLIDE)
DISC IN DETECT
SENSOR
DISC TRAY
SENSOR
DISC
TRAY
TURN
DISC TRAY TURN
MOTOR DRIVER
LEVEL SHIFT
C
w
w
w
.
x
i
a
o
y
u
1
6
3
.
c
o
m
Q
Q
3
7
6
3
1
5
1
5
0
9
9
2
8
9
4
2
9
8
T
E
L
1
3
9
4
2
2
9
6
5
1
3
9
9
2
8
9
4
2
9
8
0
5
1
5
1
3
6
7
3
Q
Q
TEL 13942296513 QQ 376315150 892498299
TEL 13942296513 QQ 376315150 892498299
http://www.xiaoyu163.com
http://www.xiaoyu163.com

Related product manuals