EasyManua.ls Logo

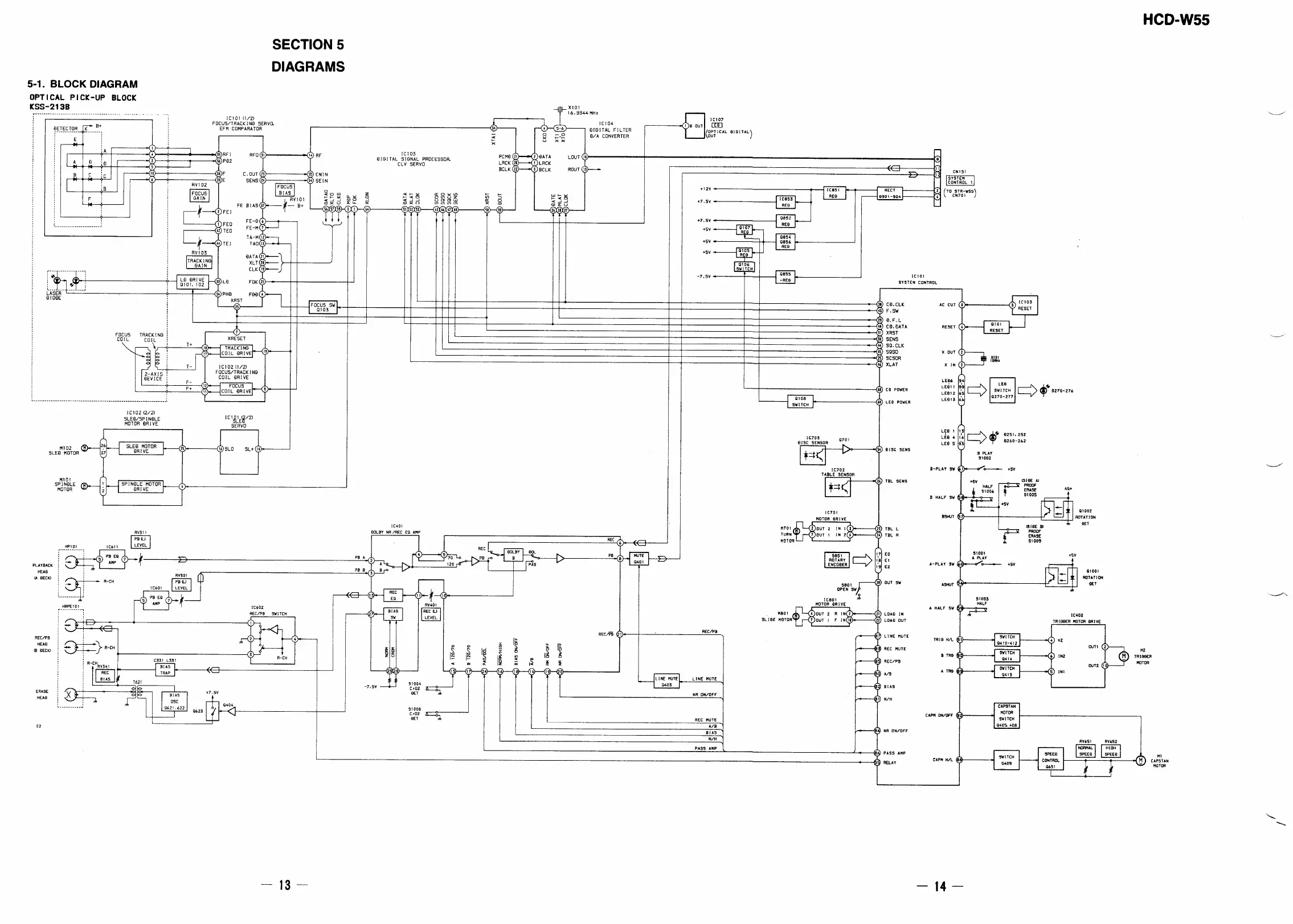
Sony HCD-W55 - Diagrams; Block Diagram

Sony HCD-W55
38 pages
Print Icon
To Next Page IconTo Next Page
To Next Page IconTo Next Page
To Previous Page IconTo Previous Page
To Previous Page IconTo Previous Page
Loading...

Related product manuals