EasyManua.ls Logo

Sony HCD-W55 - TC Mechanism Section - 2

Sony HCD-W55
38 pages
Print Icon
To Next Page IconTo Next Page
To Next Page IconTo Next Page
To Previous Page IconTo Previous Page
To Previous Page IconTo Previous Page
Loading...
– 41 –
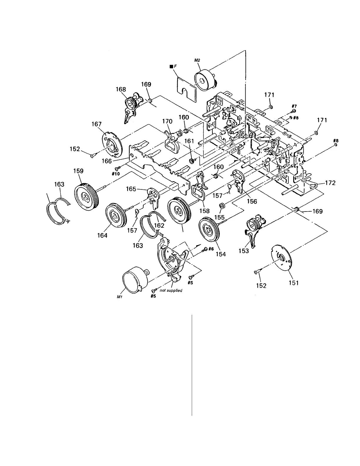
6-4. TC MECHANISM SECTION - 2
(TCM-220WR2)
pF
MOTOR board
174
173
151 3-908-597-01 CAM (A)
152 3-908-608-11 SCREW, STEP
153 X-3367-590-2 ARM (A) ASSY, FR
154 X-3370-169-1 FLYWHEEL (AR) ASSY
155 3-928-047-01 PULLEY, TENSION
156 3-908-599-01 LEVER (REV-A)
157 3-908-601-01 SPRING (REV LEVER), TORSION
158 3-908-603-01 LEVER (TRIGGER A)
159 X-3367-593-1 FLYWHEEL (BF) ASSY
160 3-908-605-01 SPRING (TRIGGER), TORSION
161 3-908-609-01 GEAR, TRIGGER
162 3-913-845-11 BELT (A)
163 3-913-846-11 BELT (FR)
164 X-3370-171-1 FLYWHEEL (BR) ASSY
165 3-908-600-01 LEVER (REV-B)
* 166 1-650-669-11 LEAF SWITCH BOARD
167 3-908-598-01 CAM (B)
168 X-3369-849-2 ARM (B) ASSY, FR
169 3-914-111-01 SPRING (FR), TORSION
170 3-908-604-01 LEVER (TRIGGER B)
171 3-911-115-01 WASHER, STOPPER
172 X-3371-441-1 CHASSIS ASSY
173 3-917-176-11 BELT (B)
174 X-3370-172-1 FLYWHEEL (AF) ASSY
M1 A-2004-409-A MOTOR ASSY, CAPSTAN
M2 A-2004-410-A MOTOR ASSY, DC (TRIGGER)
Ref. No. Part No. Description Remark Ref. No. Part No. Description Remark
––––––– ––––––– –––––––––– ––––––– ––––––– ––––––– –––––––––– ––––––

Related product manuals