EasyManua.ls Logo

Sony HCD-XGR66 - Page 9

Sony HCD-XGR66
76 pages
Print Icon
To Next Page IconTo Next Page
To Next Page IconTo Next Page
To Previous Page IconTo Previous Page
To Previous Page IconTo Previous Page
Loading...
9
HCD-XGR66/XGR600
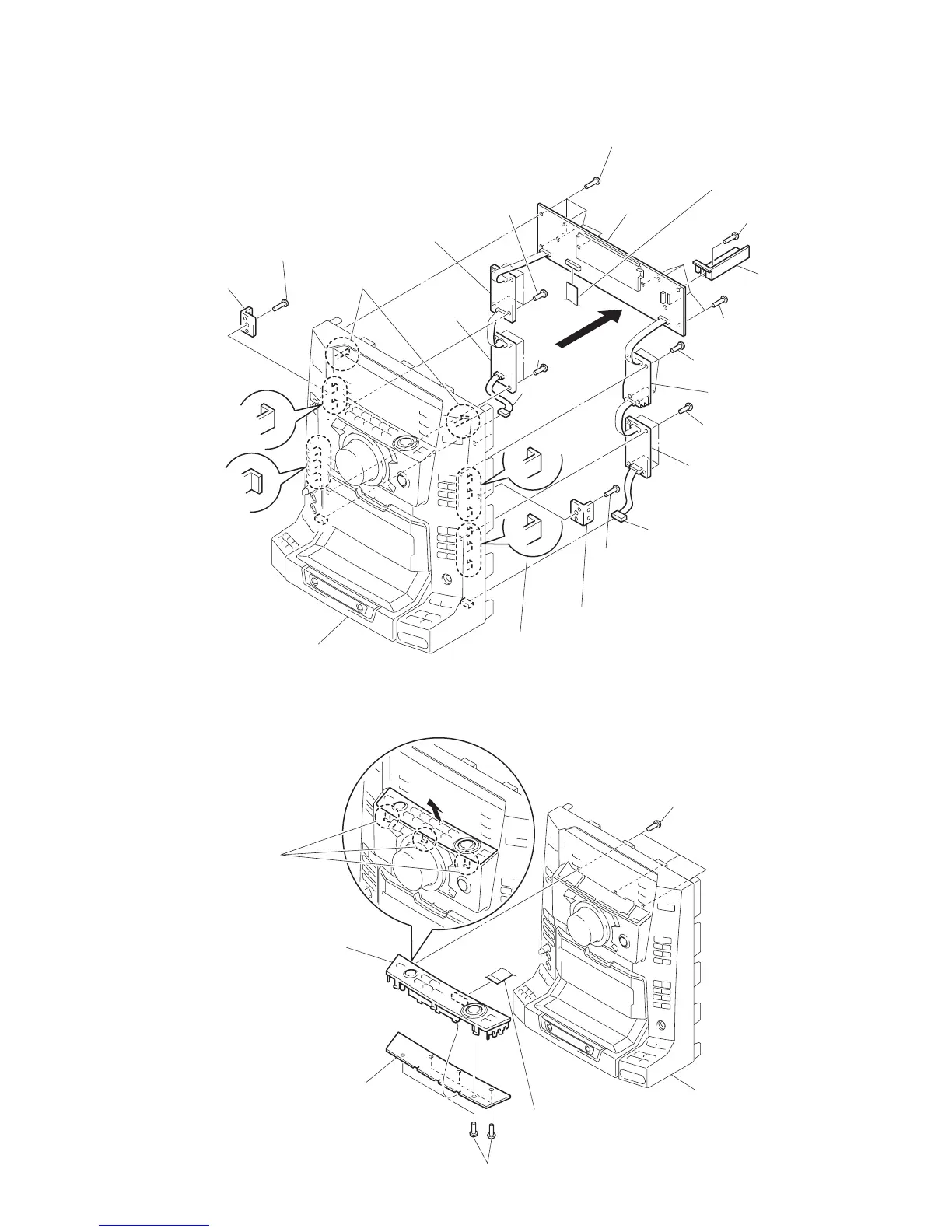
2-4. PANEL FL BOARD, GAME BOARD, TC-A BOARD, TUNER BOARD, TC-B BOARD
2
Bracket (TA)
1
Screw (BVTP 2.6x8)
qh Two
claws
qd
Four screws
(BVTP 2.6x8)
qs
Four screws
(BVTP 2.6x8)
w;
GAME board
8
Screw (BVTP 2.6x8)
9
Bracket (MAIN)
0
Four screws (BVTP 2.6x8)
qf
Four screws (BVTP 2.6x8)
qg
Four screws
(BVTP 2.6x8)
3
Screw (BVTP 2.6x8)
4
Bracket (TA)
wg
Three claws
wd
Three claws
Front panel
wh
TC-B board
6
Connector (CN600)
qj
qa
Five
screws (BVTP 2.6x8)
7
Flat type wire
(CN601)
qk
PANEL FL
board
wf
TUNER board
5
Connector
(CN700)
ws
TC-A board
wa
Three claws
ql
Two claws
1
Three screws (BVTP 2.6x8
)
4
Five screws (BVTP 2.6x8)
7
KEY board
2
OPERATION PANEL ASSY
5
Three claws
3
Flat type wire (CN801)
Front panel
6
2-5. KEY BOARD

Table of Contents

Related product manuals