EasyManua.ls Logo

Sony HDC1550 - Page 16

Sony HDC1550
550 pages
Print Icon
To Next Page IconTo Next Page
To Next Page IconTo Next Page
To Previous Page IconTo Previous Page
To Previous Page IconTo Previous Page
Loading...
1-8
HDC1000/V2 (J, E)
PWH3 x 5
PWH3 x 5
PWH3 x 5
PWH3 x 5
PWH3 x 5
BTP2.6 x 6
PWH
3 x 5
K3 x 6
PWH3 x 5
409
416
410
414
414
413
408
408
406
406
415
415
407
411
407
414
405
412
401 402
403
404
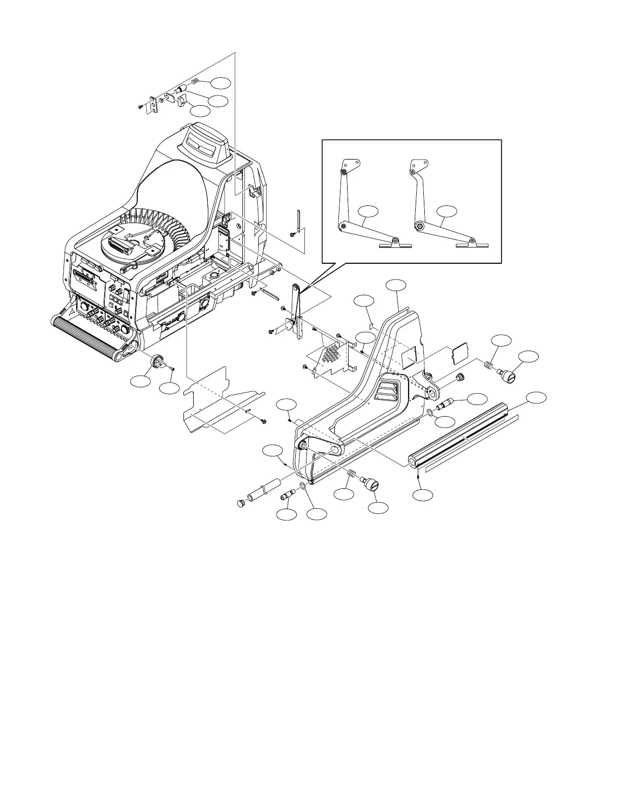
Left Side Panel (HDC1000/1100)
No. Part No. SP Description
401 X-3692-312-4 o STAY (LEFT) ASSY
402 X-3605-866-1 o STAY L ASSY(H1)
403 2-280-511-12 o BRACKET,ADJUSTMENT ANGLE
404 2-623-773-11 s BOLT (M3X8),STAINLESS
405 3-185-871-02 s TAPE, DROP PROTECTION SHIELD
406 3-185-878-01 s WASHER (PA)
407 3-185-887-01 o SCREW, KNOB
408 3-185-890-01 s BOLT, SHOULDER (SUS)
409 3-185-905-02 o SOLENOID
410 3-605-906-01 o CAP,LATCH (WHITE)
3-605-906-11 s CAP,LATCH (BLACK)
411 3-612-402-02 o HANDLE COVER(C) (WHITE)
No. Part No. SP Description
412 3-615-750-62 s SHIELD CUSHION(C)
413 3-701-505-00 s SET-SCREW,HEX 3X3 ST
414 3-701-510-00 s SET-SCREW,HEXGON 4X4 (WP) ST
415 4-367-209-00 s SPRING,COMPRESSION
416 4-926-395-01 s SPRING,COMPRESSION(COIL) (ST)
7-682-247-04 s SCREW +K 3X6
7-682-903-01 s SCREW +PWH 3X5
7-685-533-14 s SCREW +BTP2.6X6

Table of Contents

Related product manuals