EasyManua.ls Logo

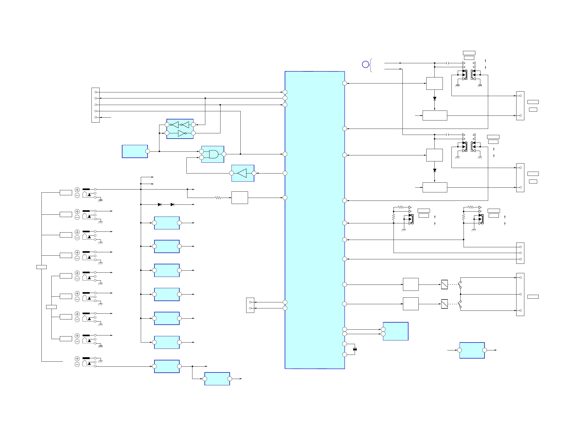
Sony HS-MB1 - Block Diagram -Power Section

Sony HS-MB1
58 pages
Print Icon
To Next Page IconTo Next Page
To Next Page IconTo Next Page
To Previous Page IconTo Previous Page
To Previous Page IconTo Previous Page
Loading...
HS-MB1
HS-MB1
1717
4-7. BLOCK DIAGRAM – POWER Section –
JIG BUFFER
IC107
SO
SI
MD2
RESET
3.3V
CN100
(CN-A-JIG1)
4
5
6
3
2
3.3V
DOOR 1
DB1
I2C_DATA
I2C_CLK
CN101
(CN-A-JIG2)
2
1
2
3
1
5
2
1
RESET BUFFER
IC103
RESET TRIGGER
IC105
INITX
RST_TRG
3
2 1 126
131
DOORBELL1 DET
DOORBELL2 DET
102
95
DOOR1 MODE SW
DOOR2 MODE SW
103
96
DOOR1 GAIN SW
98
DOOR2 GAIN SW
99
AD KEY1
100
EXT CHIME1
93
EXT CHIME2
94
EEPROM_SDA
X100
4MHz
8
EEPROM_SCL
9
X0
39
X1
40
RS232C_TX
135
MD2
RS232C_RX
128
134
STOP IN
2
I2C DATA BUS MONITOR
I2C CLK BUS MONITOR
117
118
PORT1
LAMP1
CN902
1
2
1
+3.3V REG
IC2107
3VIN SWOUT
2 3
-5V
+20V Z2
J2103
ZONE 1
19.5V
-7V
+7V_4
+7V_3
+7V_2
+7V_1
+5V
+3.3V
DM_+20V
+19V_WALL
+18V
+20V
D2102 D2103
1
RESET
IC104
8 1V+
+5V_BIAS
AOUT
5SDA
6SCL
+18V
1
+5V REG
IC2106
3VIN SWOUT
1 3
+7V REG
IC2101
-5V REG
IC2108
1 3
1 3
1 3
2
SYSTEM CONTROL
IC100 (7/7)
+5V REG
IC713
EEPROM
IC106
3
STOP IN
DETECT
Q2100,2101
DOOR1
+18V
D2706
DOOR2
DOOR BELL
CONTROL
Q2717,2721
LAMP CONTROL
Q2725,2729
J2100
ZONE 2
19.5V
J2104
ZONE 3
19.5V
J2105
ZONE 4
19.5V
J2106
ZONE 5
19.5V
J2107
ZONE 6
19.5V
J2108
ZONE 7
19.5V
J2109
ZONE 8
19.5V
J2102
10V
+20V Z3
+20V Z4
OPT+20V Z5
OPT+20V Z6
OPT+20V Z7
OPT+20V Z8
MODE
DOOR 1
S901
3
2
OFF
DOOR 2
DB2
PORT2
LAMP2
CN901
1
2
+18V
D2704
DOOR BELL
CONTROL
Q2718,2720
CHIME
CN900
(CN-A-JIG3)
AD_KEY2
AD_KEY1
AD_KEY3
CN104
RY2700
RY2701
11
10
12
CM_2
CM_1
2
E
1
LAMP CONTROL
Q2724,2728
MODE
DOOR 2
S900
3
2
OFF
GAIN
DC IN
DOOR 1
S903
3
2
1
MIC
SELECT
SECTION
E
GAIN
DOOR 2
S902
3
2
1
RELAY
DRIVER
Q2701
RELAY
DRIVER
Q2701
RELAY
DRIVER
Q2710
+7V REG
IC2102
+7V REG
IC2103
+7V REG
IC2104
-7V REG
IC2100
DC IN
(Page 12)