EasyManua.ls Logo

Sony HS-MB1 - Schematic Diagram -Video Section (2;7)

Sony HS-MB1
58 pages
Print Icon
To Next Page IconTo Next Page
To Next Page IconTo Next Page
To Previous Page IconTo Previous Page
To Previous Page IconTo Previous Page
Loading...
HS-MB1
HS-MB1
2828
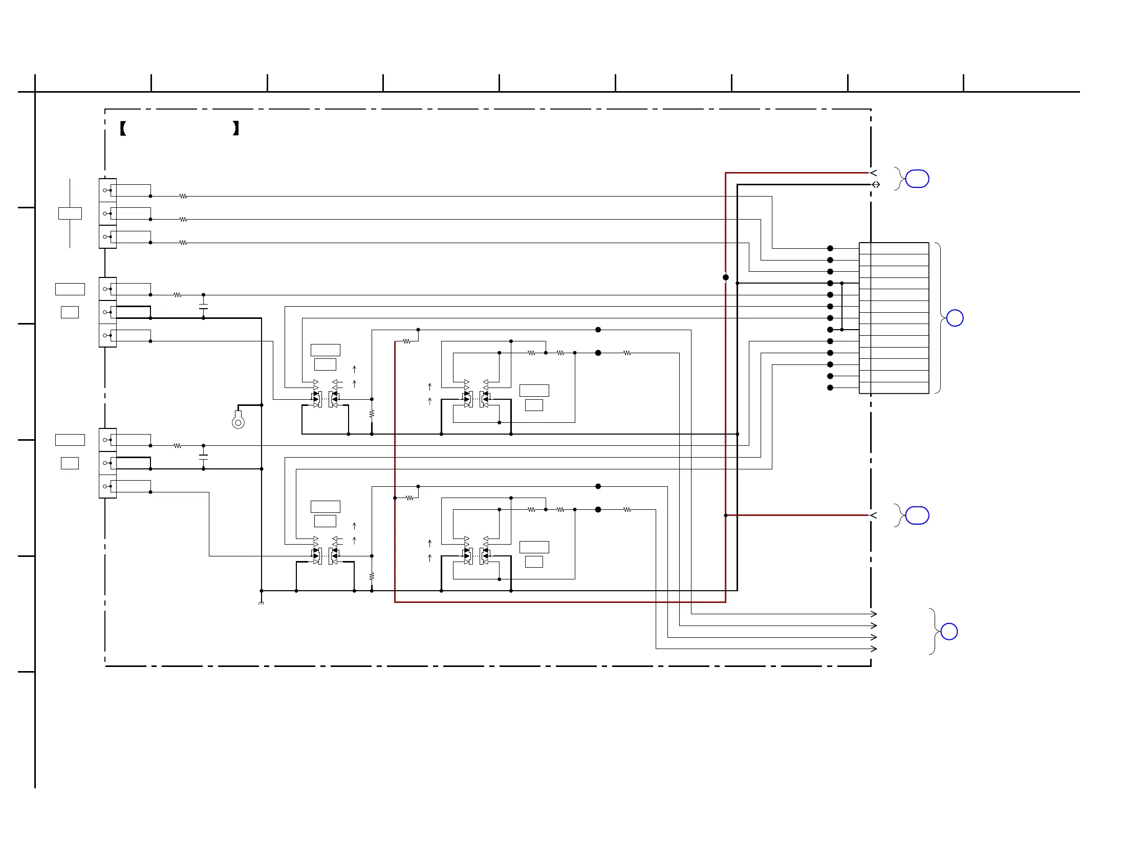
4-18. SCHEMATIC DIAGRAM – VIDEO Section (2/7) –
7
B
8564
F
312
D
C
A
9
E
(7/7)
VIDEO
11
BOARD
9
VIDEO
(3/7)
BOARD
BOARD
10
(4/7)
VIDEO
B
MAIN
(3/5)
BOARD
CN2793
0
R904
0
R902
0
R903
CL910
DOOR1_MODE_SW
1000p
C901
CL912
0
R901
CL914
1000p
C900
0
R900
S901
S900
GND
S902
S903
10k
R913
10k
R912
DOOR2_MODE_SW
CL909
47
R917
47
R919
DOOR2_GAIN_SW
DOOR1_GAIN_SW
CL915
CL916
CL924
CL929
CL925
CL917
CL918
CL919
CL921
CL922
CL926
CL927
CL928
CL923
22k
R908
22k
R909
GND
+5V
CN900
3P
CM_1
CM_1
CM_COM
CM_COM
CM_2
CM_2
CN901
3P
DOOR2
DOOR2
COM
COM
LAMP2
LAMP2
CN902
3P
DOOR1
DOOR1
COM
COM
LAMP1
LAMP1
E
ET901
1k
R911
1k
R914
2.2k
R910
2.2k
R915
+5V
1
2
3
4
5
6
7
8
9
10
11
12
13
13P
CN903
CM_2
CM_COM
CM_1
GND
LAMP2
CAP2
DOOR2
GND
LAMP1
CAP1
DOOR1
OFF
MODE
(2/7)VIDEO BOARD
DOOR 2
2
3
1
3
2
-1 -2
-1 -2 -2-1
-1 -2
2
1
3
OFF
3
2
MODE
DOOR 1
GAIN
DOOR 2
GAIN
DOOR 1
NC
NC
DOOR 2
DOOR 1
2
1
E
DB2
DB1
2
1
E
CHIME
2
1
E
(Page 30)
(Page 29)
(Page 22)
(Page 33)