EasyManua.ls Logo

Sony HS-MB1 - Page 36

Sony HS-MB1
58 pages
Print Icon
To Next Page IconTo Next Page
To Next Page IconTo Next Page
To Previous Page IconTo Previous Page
To Previous Page IconTo Previous Page
Loading...
HS-MB1
36
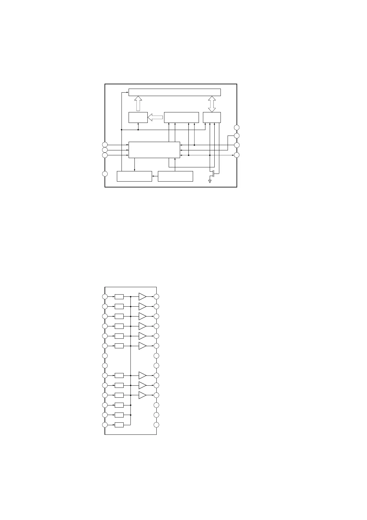
IC106 BR24L64F-WE2 (VIDEO Board (3/7))
IC500 FMS6501MSA28X (VIDEO Board (7/7))
IC501 FMS6501MSA28X (VIDEO Board (7/7))
IC502 FMS6501MSA28X (VIDEO Board (7/7))
IC503 FMS6501MSA28X (VIDEO Board (7/7))
IC505 FMS6501MSA28X (VIDEO Board (7/7))
1
2
3
4
5
7
8
A0
A1
A2
GND
VCC
WCB
SCL
SDA
64kbit EEPROM ARRAY
13bit
8bit
ADDRESS
DECODER
SLAVE/ WORD
ADDRESS REGISTER
HIGH-VOLTAGE
GENERATOR
POWER SUPPLY
VOLTAGE DETECTOR
DATA
REGISTER
START
STOP
ACK
CONTROL CIRCUIT
6
13bit
1
IN1
28
OUT1
C/B
2
IN2
27
OUT2
C/B
3
IN3
26
OUT3
C/B
4
IN4
25
OUT4
C/B
5
IN5
24
OUT5
C/B
6
IN6
23
OUT6
C/B
7
VCC
22
VCCO
8
GND
21
GNDO
9
IN7
20
OUT7
C/B
10
IN8
19
OUT8
C/B
11
IN9
18
OUT9
C/B
12
IN10
17
SDA
C/B
13
IN11
16
SCL
C/B
14
IN12
15
ADDR
C/B