EasyManua.ls Logo

Sony HT-FS3 - Page 13

Sony HT-FS3
68 pages
Print Icon
To Next Page IconTo Next Page
To Next Page IconTo Next Page
To Previous Page IconTo Previous Page
To Previous Page IconTo Previous Page
Loading...
13
GB
Getting Started
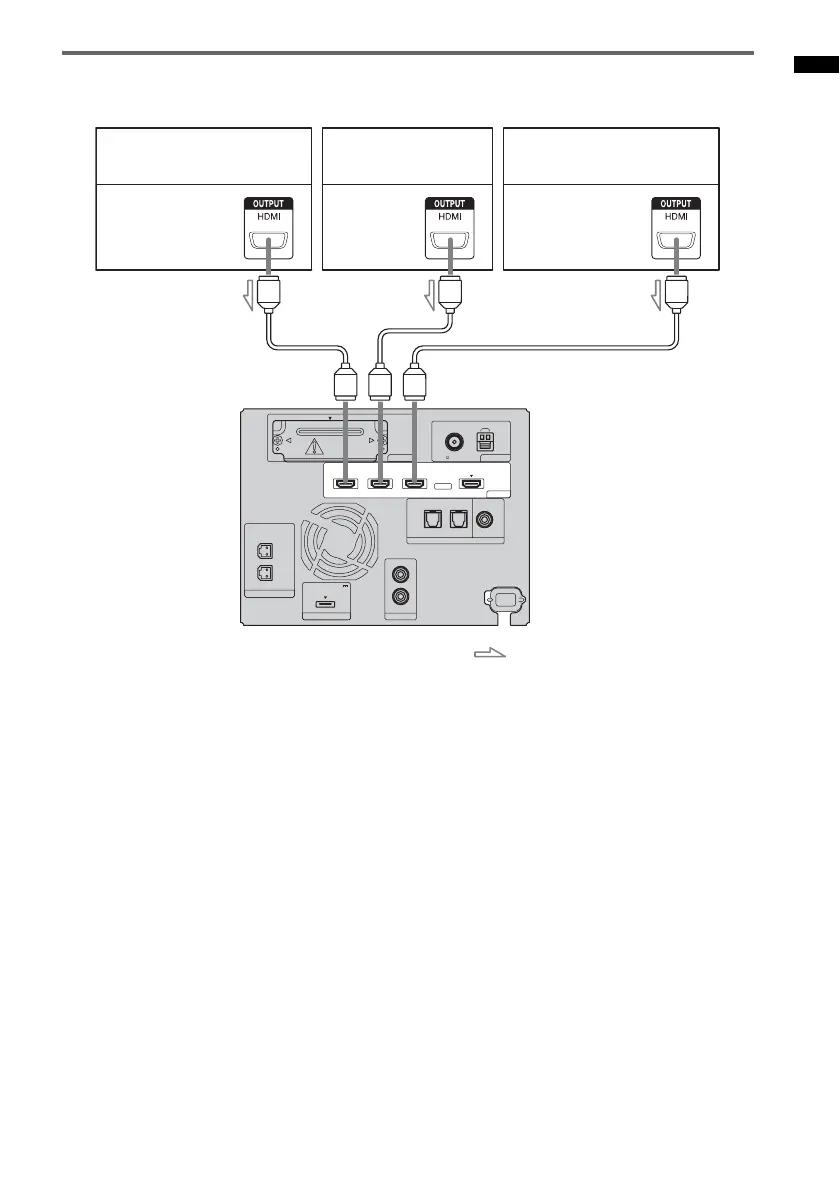
Connecting a Blu-ray Disc player (recorder), “PlayStation 3,”
DVD player (recorder), satellite/cable television tuner, etc.
Notes on HDMI connections
Use a High Speed HDMI cable. If you use a Standard HDMI cable, 1080p images may not be
displayed properly.
Sony recommends that you use an HDMI-authorized cable or Sony HDMI cable.
Check the setup of the connected component if an image is poor or the sound does not come out of a
component connected via the HDMI cable.
Audio signals (sampling frequency, bit length, etc.) transmitted from an HDMI jack may be
suppressed by the connected component.
Sound may be interrupted when the number of channels or sampling frequency of audio output
signals from the playback component is changed.
When the connected component is not compatible with copyright protection technology (HDCP), the
image and/or the sound from the HDMI TV OUT jack may be distorted or may not be output.
In this case, check the specification of the connected component.
We do not recommend using an HDMI-DVI conversion cable.
When TV, DIGITAL 1, DIGITAL 2, FM, AM, or DMPORT is selected, the video signal that was
selected last time is output.
This system supports “x.v.Colour (x.v.Color)” transmission, extended by HDMI ver1.3.
ANTENNA
AM
FM
75 COAXIAL
HDMI
TV OUTSAT/CATV INDVD INBD IN
EZW-T100
SPEAKER
ONLY FOR SS-FS3
R
L
DMPORT
DC 5V
0.7A MAX
AUDI O IN
R
TV
L
OPTICAL
TV IN
COAXIAL
DIGITAL
DIGITAL 1 IN DIGITAL 2 IN
Blu-ray Disc player (recorder),
“PlayStation 3
A HDMI cable (not supplied)
A
: Signal flow
Audio/video
signal
DVD player (recorder)
Audio/video
signal
Satellite/cable television tuner
Audio/video
signal
AA
Rear of the
subwoofer

Table of Contents

Related product manuals