EasyManua.ls Logo

Sony ICD-UX71 - Additional IC Block Diagrams

Sony ICD-UX71
42 pages
Print Icon
To Next Page IconTo Next Page
To Next Page IconTo Next Page
To Previous Page IconTo Previous Page
To Previous Page IconTo Previous Page
Loading...
ICD-UX71/UX71F/UX81/UX81F/UX91F
23
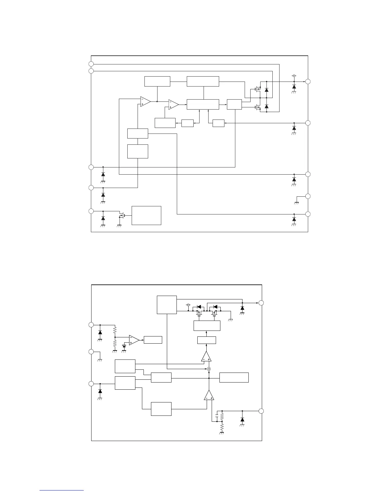
IC2003 XC9128D45CDR (AUDIO Board (2/3))
IC2005 XC9226A18CMR (AUDIO Board (2/3))
5
PWM
COMPARATOR
1
ERROR
AMP
BUFFER
DRIVER
FO
3
BAT
4
EN
PGND
2
LX
10
9
VOUT
MODE
8
FB
7
AGND
6
AEN
PWM/PFM
CONTROLLER/LOGIC
CURRENT SENSE,
LIMIT,PFM
PHASE
COMPENATION
VREF WITH
SOFT START
RAMP WAVE
GENERATOR
EN.
THERMAL
SHUTDOWN
CURRENT LIMIT,
THERMAL,
SOFT START,
EN
OSC
MODE
1
VIN
2
VSS
3
CE/MODE
5
LX
CURRENT
FEEDBACK
CURRENT
LIMIT
SYNC
BUFFER DRIVE
PHASE
COMPENSATION
PWM/PFM
SELECTOR
RAMP WAVE
GENERATOR
OSC
CE/MODE
CONTROL
LOGIC
LOGIC
ERROR
AMP
U.V.L.0
VREF WITH
SOFT START,
CE
R2
R1
4
VOUT
R3
R4

Related product manuals