EasyManua.ls Logo

Sony ICF-22 - Page 10

Sony ICF-22
14 pages
Print Icon
To Next Page IconTo Next Page
To Next Page IconTo Next Page
To Previous Page IconTo Previous Page
To Previous Page IconTo Previous Page
Loading...
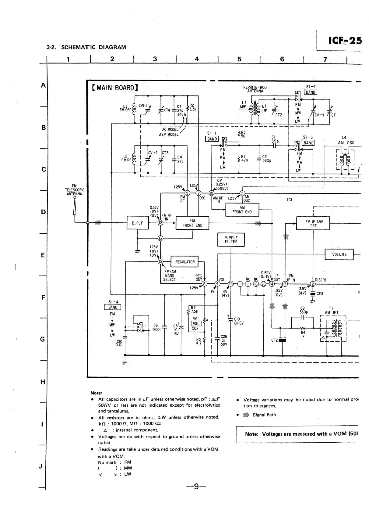
3-2.
SCHEMATIC
DIAGRAM
=
1
2
3
4
5
6
7
.
[
MAIN
BOARD]
FERRITE”
ROD
|
L3
Se
FM
OSC
©
B
Cc
FM
TELESCOPIC
ANTENNA
17
_
on”
wnmuianiade
E
;
FM/AM
BAND
SELECT
(4V)
ge
CF3
0
F
C9
TI
330p
1IO/16V
G
H
Note:
e
All
capacitors
are
in
uF
unless
otherwise
noted.
pF
:uwuF
e
Voltage
variations
may
be
noted
due
to
normal
pro
50WV
or
less
are
not
indicated
except
for
electrolytics
tion
tolerances.
and
tantalums.
ch
oo
Path
e
All
resistors
are
in
ohms,
%W
unless
otherwise
noted.
°
&)
Signal
Pat
|
-
kQ
:
10002,
MQ
:
1000
k2
|
e
A:
internal
component.
;
:
e
Voltages
are
dc
with
respect
to
ground
unless
otherwise
Note:
Voltages
are
measured
with
a
VOM
(501
noted.
.
:
@
Readings
are
take
under
detuned
conditions
with
a
VOM.
with
a
VOM.
No
mark
:
FM
J
(
):
MW
<
>
:
LW

Related product manuals