EasyManua.ls Logo

Sony KD-55A9F - System Diagrams; Block Diagram of TV Components

Sony KD-55A9F
123 pages
Print Icon
To Next Page IconTo Next Page
To Next Page IconTo Next Page
To Previous Page IconTo Previous Page
To Previous Page IconTo Previous Page
Loading...
(Supplementary
information)
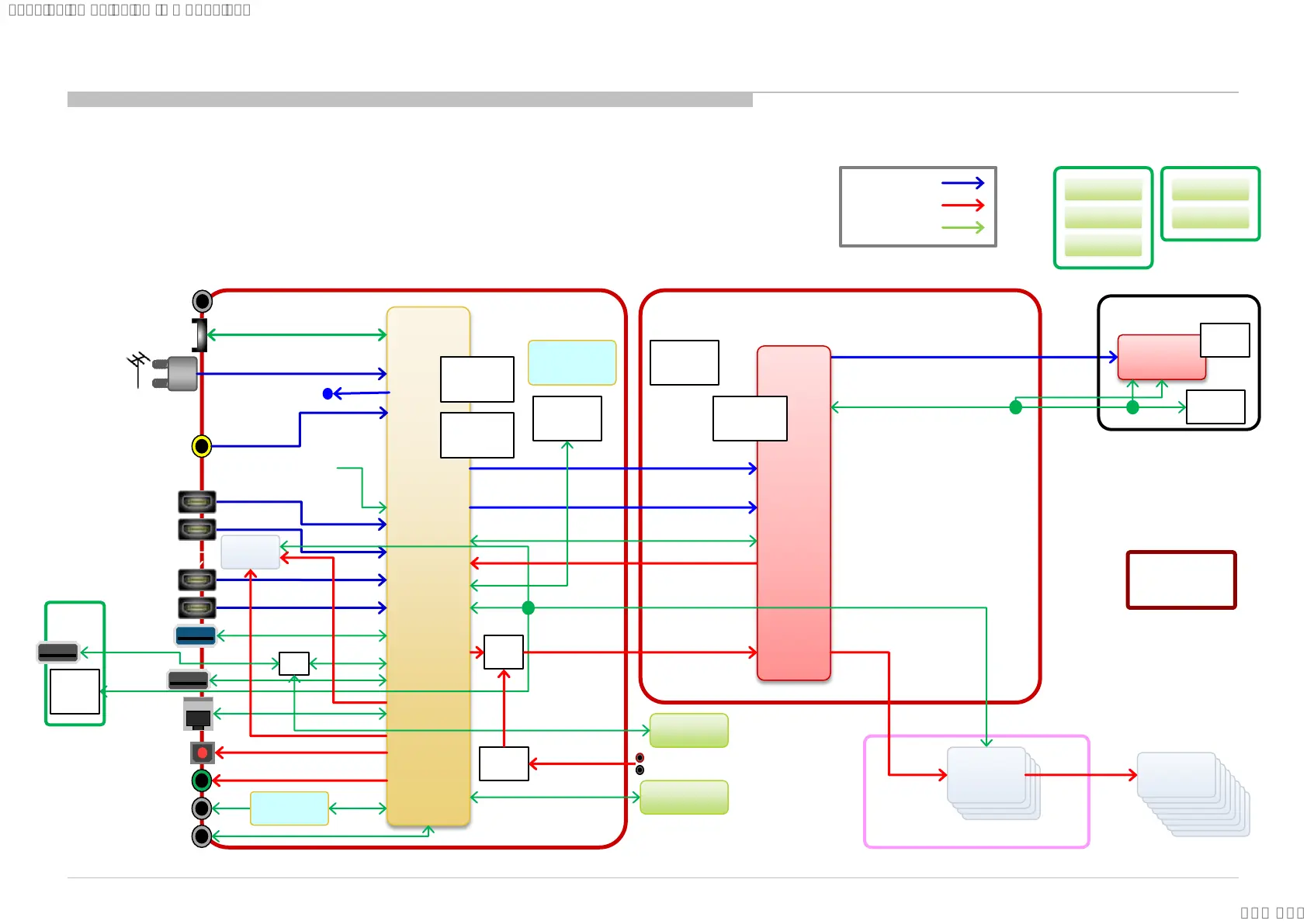
HUS
KJ2 board
SP
SP
SP
SP
SP
SP
SP
Main
SoC
(IC1000)
Panel
Vx1 16-lane
Actuator
+ WF
Vx1 8-lane (Video)
DDR4
8Gib x 4
eMMC
16GB
Tcon
DDCs
4K/120p
Ethernet
Optical
Out
HDMI
Vx1 4-lane (Graphics)
4K
BE
(IC7000)
DDR3
1Gib x 4
I2C
UART
Some control lines are left out.
UART
USB3.0
USB2.0
HP Out
S/PDIF
8-ch (3.2-ch)
D-Amp.
(TAS5782)
Test point
Video out
UART
BM3 board
Power Micro
(STM8S103F2
U6)
I2S
* RF
* IR Blaster
* RS232C
* depend on destinations.
IRB Micro
(S3F80P5X9
R)
eARC
(IC4000)
EEPROM
(Panel ID)
Flash
DDCs
Video signal
Audio signal
Control Bus
I2C
CEC
WiFi/BT
(J20H095.00)
USB HS
Hub
Mic I/F
(LPC54113)
I2S for Echo Cancelling
I2S
S/PDIF
Composite
I2S
DPJ board
SW
ADC
(AK5522
)
Center SP In
USB FS
Gx board
(PSU)
* BCAS/CI
* IR In
IR Rx
Center Key RGBW LEDs
Light Sens. L/R Keys
USB2.0
I2C
Temp
Sensor
(I2C)
Block Diagram CS 55”/65”
SECTION 5
DIAGRAMS
86
SYSSET
2018/09/1904:47:37(GMT+09:00)

Table of Contents

Related product manuals