EasyManua.ls Logo

Sony KD55X85J - Page 61

Sony KD55X85J
413 pages
Print Icon
To Next Page IconTo Next Page
To Next Page IconTo Next Page
To Previous Page IconTo Previous Page
To Previous Page IconTo Previous Page
Loading...
Help Guide
print.html[3/31/2021 7:15:59 AM]
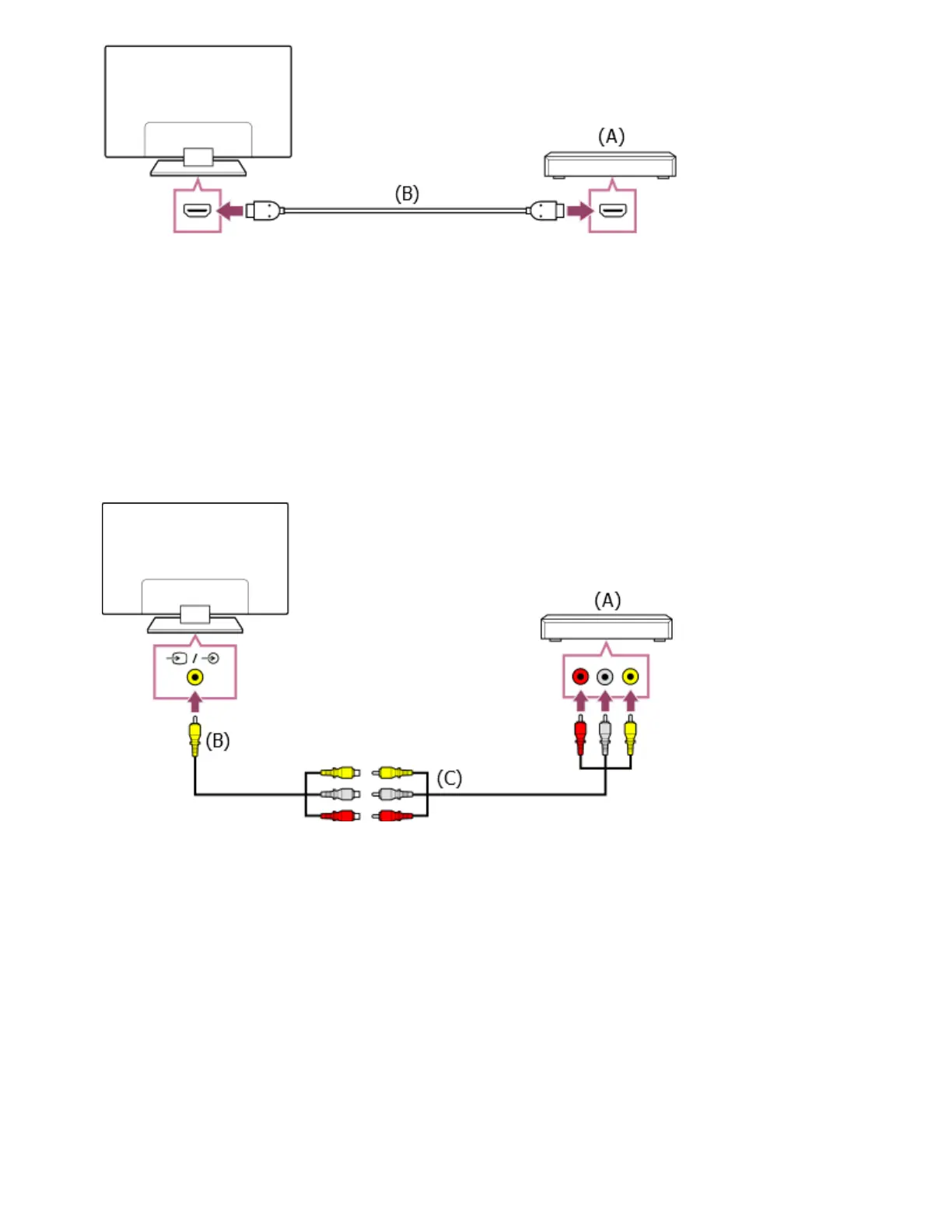
(A) Blu-ray/DVD player (same as connecting a cable/satellite box)
(B) HDMI cable (not supplied)
Be sure to use an authorized Premium High Speed HDMI Cable(s) bearing the HDMI logo.
Composite connection
If your Blu-ray/DVD player has composite jacks (sockets), connect them using a composite video/audio
cable.
(A) Blu-ray/DVD player (same as connecting a cable/satellite box)
(B) Analog Extension cable (supplied)
(C) RCA Cable (not supplied)
Whether the Analog Extension cable is supplied depends on your model/region/country.
Cable that connects to the video input jack
The 3.5 mm jack of the Analog Extension Cable has 4 poles.
*
*
*
*
55

Table of Contents

Related product manuals