EasyManua.ls Logo

Sony KV-21FE13 - Page 77

Sony KV-21FE13
108 pages
Print Icon
To Next Page IconTo Next Page
To Next Page IconTo Next Page
To Previous Page IconTo Previous Page
To Previous Page IconTo Previous Page
Loading...
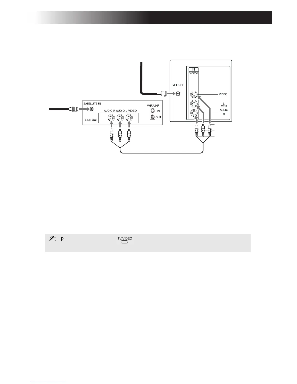
Conexión del televisor
7
Televisor y receptor de satélite
1 Conecte el cable de su antena de satélite a la entrada SATELLITE IN
en su receptor.
2 Conecte el conector coaxial de su cable o de la antena a la entrada
VHF/UHF en su televisor.
3 Utilizando cables Audio/Video (no incluídos), conecte las salidas
AUDIO y VIDEO OUT de su receptor de satélite a las entradas
AUDIO y VIDEO IN de su televisor.
Puede utilizar el botón para cambiar entre las entradas VHF/UHF y
VIDEO.
Receptor de satélite
Cable
de antena
satelital
1
2
3
De
cable/
antena
Parte posterior del televisor
Audio R (rojo)
Video (amarillo)
Audio L (blanco)

Table of Contents

Related product manuals