EasyManua.ls Logo

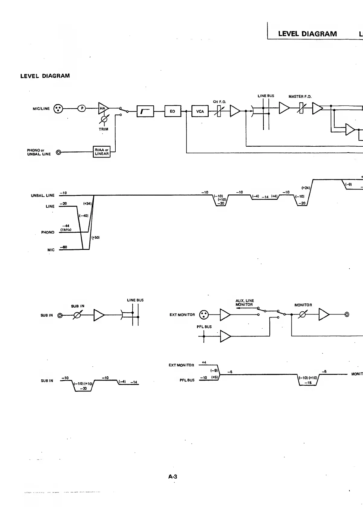
Sony mxp-29 - Level Diagram

Sony mxp-29
79 pages
Print Icon
To Next Page IconTo Next Page
To Next Page IconTo Next Page
To Previous Page IconTo Previous Page
To Previous Page IconTo Previous Page
Loading...

Related product manuals