EasyManua.ls Logo

Sony mxp-29 - J Serial no

Sony mxp-29
79 pages
Print Icon
To Next Page IconTo Next Page
To Next Page IconTo Next Page
To Previous Page IconTo Previous Page
To Previous Page IconTo Previous Page
Loading...
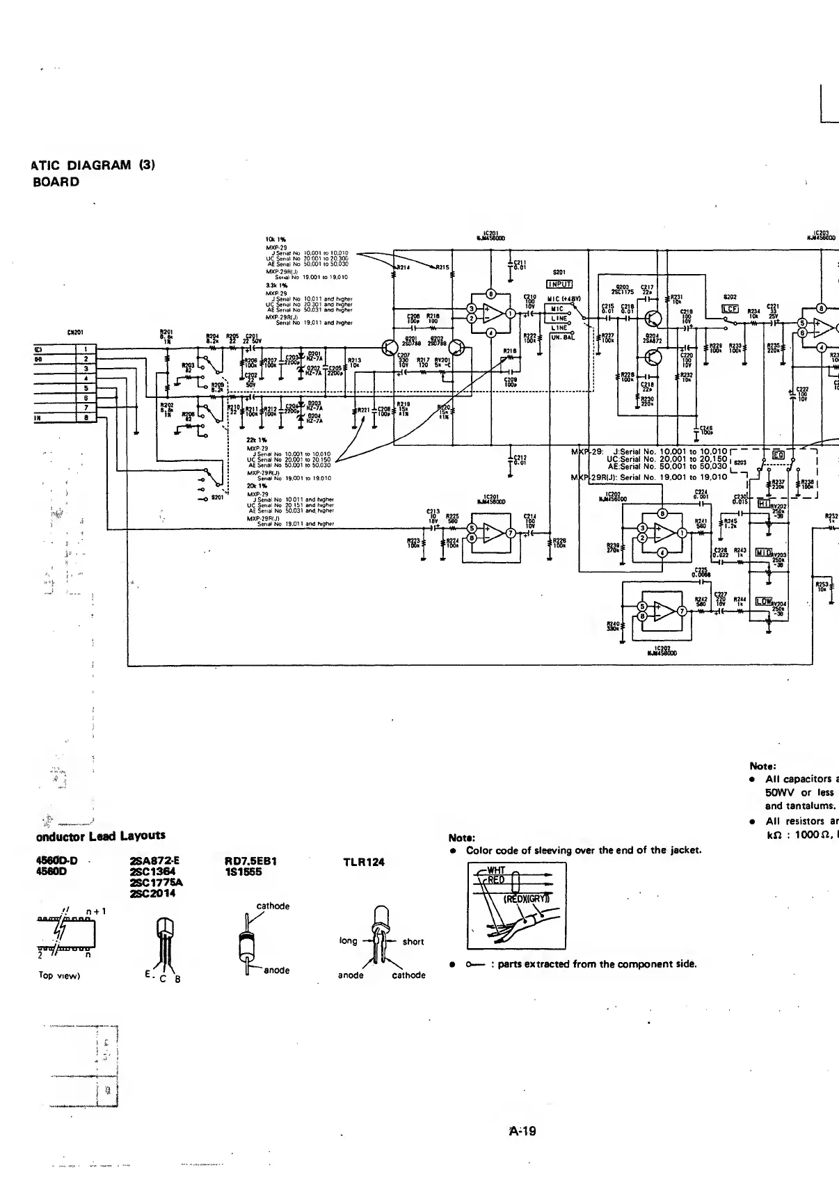
MIC DIAGRAM
(3)
BOARD
MXP-29
J
Sena! No
UC
Serial No
AE Serial No
MXP-29R(J)
Serial No
10.001 to 10.010
20001
to 20.300
50.001
to 50.030
MXP-29
J
Serial No
UC Serial No
AE Serial No
MXP-29R(J)
Serial No
10.01
1
and higher
20.301 and higher
50.031
and higher

Related product manuals