EasyManua.ls Logo

Sony mxp-29 - PGA Board Schematic Diagram

Sony mxp-29
79 pages
Print Icon
To Next Page IconTo Next Page
To Next Page IconTo Next Page
To Previous Page IconTo Previous Page
To Previous Page IconTo Previous Page
Loading...
PGA
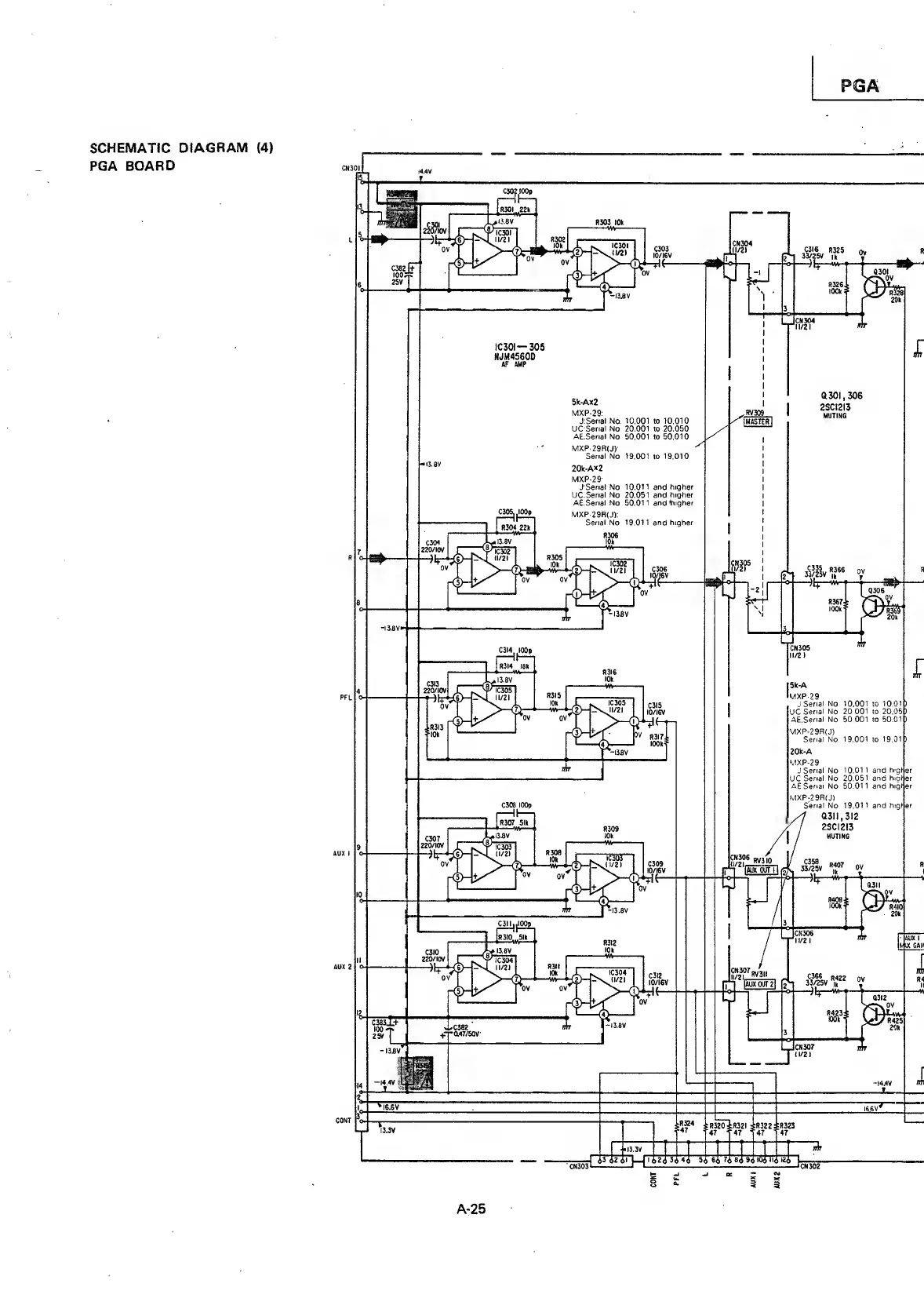
SCHEMATIC DIAGRAM
(4)
PGA
BOARD
A-25

Related product manuals