EasyManua.ls Logo

Sony N71 - Page 15

Sony N71
108 pages
Print Icon
To Next Page IconTo Next Page
To Next Page IconTo Next Page
To Previous Page IconTo Previous Page
To Previous Page IconTo Previous Page
Loading...
Getting Started
15
Hookups
filename[010get.fm] model name1[SLV-N81] model name2[SLV-N71]
[3-065-551-11 (1)]
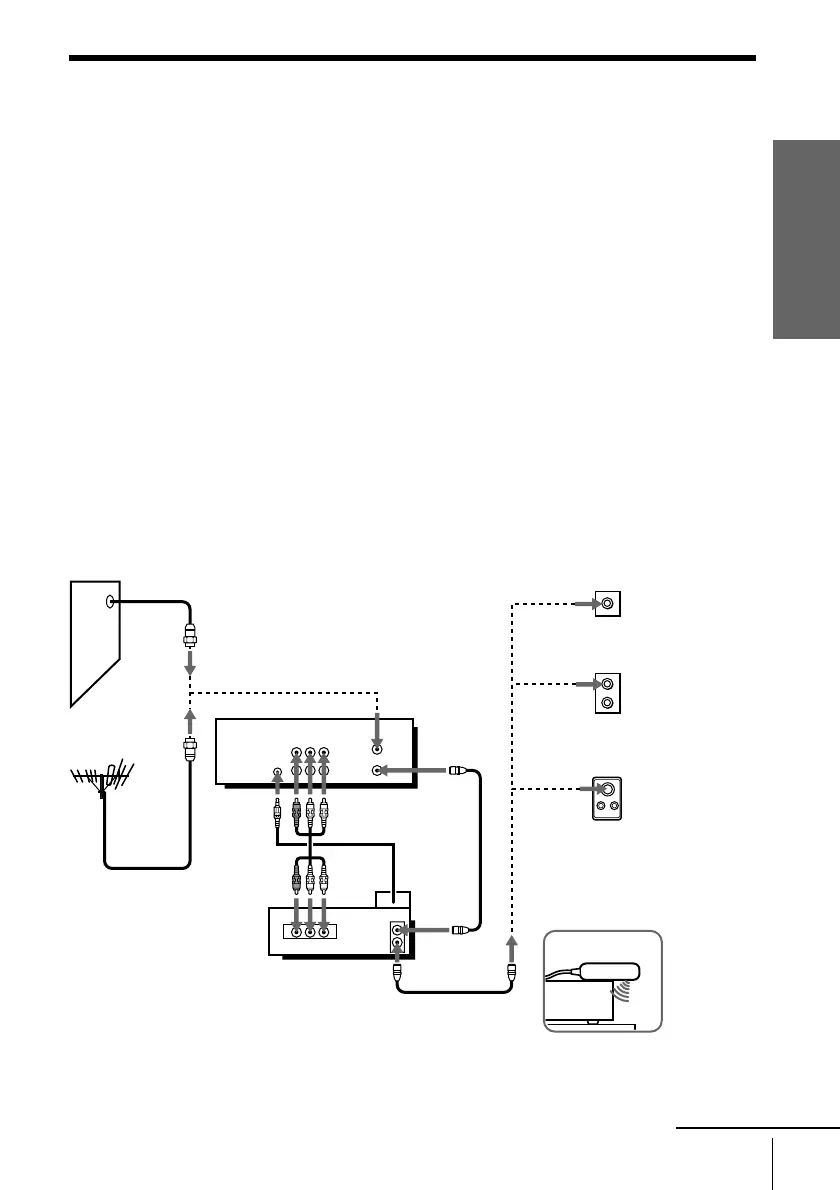
Hookup 2 (SLV-N81 only)
Connecting to a digital satellite receiver
Recommended use
Use this hookup if you have a digital satellite receiver that is compatible with the
Cable Mouse. It allows the VCR’s cable box control feature to control the channel on
the digital satellite receiver, simplifying the recording process. A list of compatible
digital satellite receivers is on page 39.
What you can do with this hookup
Record any channels by using the Cable Mouse to select channels on the digital
satellite receiver
What you cantdo
Record with the digital satellite receiver turned off
Record any channels from cable or an antenna (To record channels from cable or
an antenna, turn off the cable box control feature.)
Useacablebox
Record programs with the VCR Plus+ GOLD system (To use the VCR Plus+
GOLD system, turn off the cable box control feature.)
LINE-1
IN
LINE
OUT
AUDIO VIDEO
IN
OUT
VHF/UHF
AUDIO VIDEO
LINE
OUT
OUT
VHF/UHF
IN
CONTROL S
( )
CABLE BOX
CONTROL
PLUG IN
POWER
OUT
Rear of TV
VHF/UHF
VHF
UHF
Positioning the Cable Mous
e
Place the Cable Mouse so that it
hangs out over the front of the
remote sensor on the digital
satellite receiver.
VCR
Wall
Match the
type of
connectoron
your TV: A,
B, or C.
Forconnector
types B and
C, no UHF
connection is
required.
B
C
Side view
or
or
A
VHF
UHF
Digital satellite
receiver
RM-CM101
Cable
Mouse
(not supplied)
or
continued

Table of Contents

Related product manuals