EasyManua.ls Logo

Sony NW-E99 - Schematic Diagram - Display Board

Sony NW-E99
24 pages
Print Icon
To Next Page IconTo Next Page
To Next Page IconTo Next Page
To Previous Page IconTo Previous Page
To Previous Page IconTo Previous Page
Loading...
1212
NW-E99
NW-E99
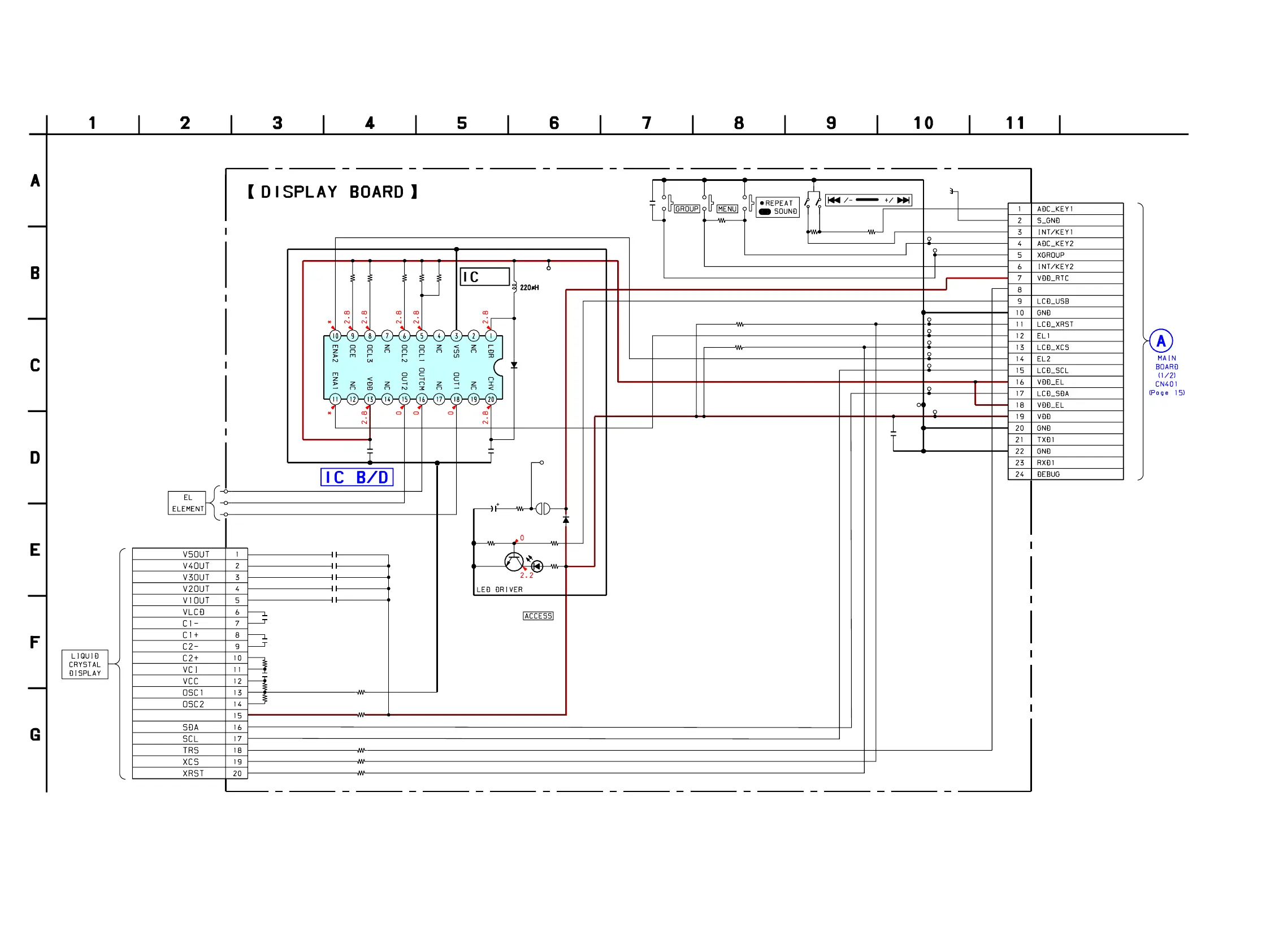
4-4. SCHEMATIC DIAGRAM – DISPLAY BOARD – See page 17 for IC Block Diagram.
801
EL DRIVER
D702
R713
R708
R706
SL700
R710
TP706
D703
TP806
TP853
TP401
TP850
TP851
TP701
TP705
S701
R700
R701
S704
R704
C702
TP804
TP852
TP410
S708
S705
C522
TP805
Q701
CN402
24P
C700
SML-512DWT86
100
47k
100k
BATTERY
(BACK-UP)
(SECONDARY)
1k
VDD_RTC
RB520S-30TE61
CN850
20P
VDD
LCDDA
EL1
LCDRST
LCD_A0
LCDCS
ADK2
GROUP
47k
22k
22k
100p
VDD_EL
LCDCK
EL2
1
GND
2SC5658T2L
R850 100k
R851
100k
R852
R860 0
R862 0
R865 0
R866 0
R861 0
0
R863 0
R864 0
C860 1
C867 1
C866 1
C861 0.47
C862 0.47
C863 0.47
C864 0.47
C865 0.47
VDD
12
IC801
C802
D801
L801
R801
R805
R802
R803
R804
C801
SM8145AB-G-EL
4700p
1SS403(TPH3)
100k
150k
33k
47k
33k
0.01
Ver. 1.1

Related product manuals