EasyManua.ls Logo

Sony PS-FL1 - Detailed Circuit Schematics; Phono Board and Motor Drive Schematics; Power and Switch Board Schematics

Sony PS-FL1
39 pages
Print Icon
To Next Page IconTo Next Page
To Next Page IconTo Next Page
To Previous Page IconTo Previous Page
To Previous Page IconTo Previous Page
Loading...
PS-FL1/FLIC
-L1/FL1C
PS-FL1/FLIC
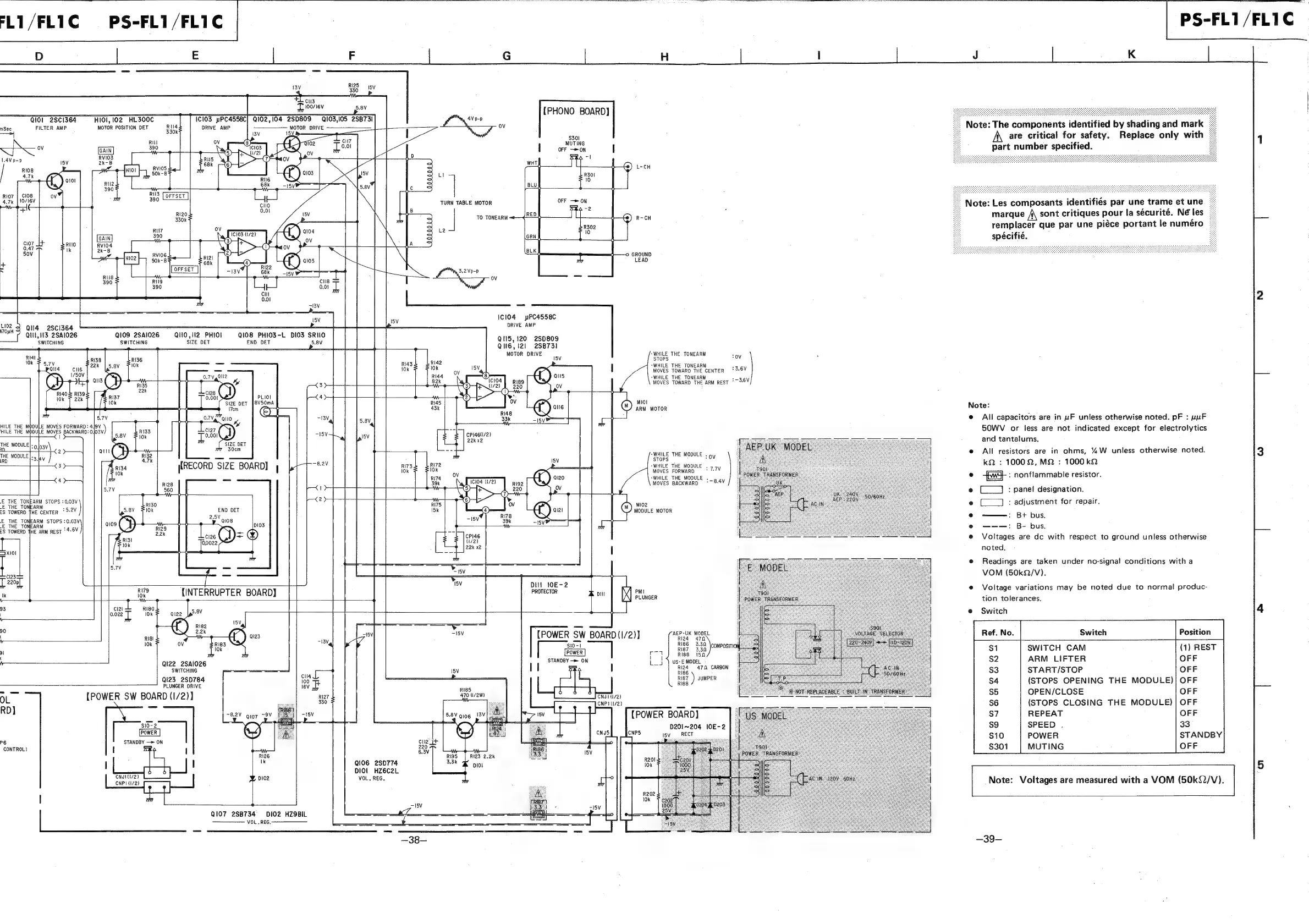
[PHONO
BOARD)
~
QIOl
28CI364
HIOl,102
HL300C
4Vp-p
;
Ee
:
nsec
FICTERVANE
WOTOR
POSITION
DET
yon
ov
Note:
The
components
identified
by
shading
and
mark
Rill
are
critical
for
safety.
Replace
only
with
—<peo
[ean]
390
part
number
specified.
L.4Vp-p
ia
RVIOS
;
R108
a
101
|
RVI0S
L~
=
Ce)
L-cH
4.7k
@
50k-B
Ss}
Ll
Ss
390
Wy
Ic
5
pio7
|
108
al
ee
Se
Z
THEN
SABLE
MOTOR
es
Note:
Les
composants
identifiés
par
une
trame
et
une
Bok
|
TO
TONEARM
&)
R-cH
marque
/\
sont
critiques
pour
la
sécurité.
Ne
les
RUT
Le
remplacer
que
par
une
piéce
portant
le
numéro
Si
spécifié.
RVIO6
©
GROUND
50k-B
LEAD
OFFSET
15V
.
2]
gi
i
:
=
[OFFSET
]
68k
S
=
=
3.2Vp~p
390
.
[i
ee
|
2
Li02
3
Qil4
2S¢c1364
===
Se
eee
aed
DRIVE
AMP
1cl04
yPC4558C
TOuH?
Quit,
H3
2SA1026
Q109
2SA1026
=
QII0,
112
PHIO!
«108
PHIO3-L_DIO3
SRIIO
Sie
4det:
sedan
SWITCHING
7
SWITCHING
SIZE
DET
END
DET
Paul
as
Q
16,
121
2SB731
.
MOTOR
DRIVE
-WHILE
THE
TONEARM
7
%
RI36
STOPS
*0V
g
z
10k
~s
|
“WHILE
THE
TONEARM
is
MOVES
TOWARD
THE
CENTER
*3:8V
||
@
ats
aN
cs
MSEE
PSEA
AB
sesr
38
i
avsomA
=
|
Mol
SIZE
DET
Ext
(™)
ARM
MOTOR
Note:
;
5
—F
~13V
say
e
All
capacitors
are
in
uF
unless
otherwise
noted.
pF
:
uwuF
meet
ea
age
aL
paint
.
ahs
5OWV
or
less
are
not
indicated
except
for
electrolytics
AIRE
LEM
i
5
alsV
cpi46ll/2)
d
tantal
THE
MODULE].
SIZE
DET
ack?
an)
ruts
THE
MODULE.
|
e
aut
en
a
“WHILE
THE
MODULE
.
oy
e
All
resistors
are
in
ohms,
%W
unless
otherwise
noted.
3
\RD
{RECORD
SIZE
BOARD]
|
:
—8,2V
“WHILE
THE
moDuLe
ay
kQ
:
10002,M2
:
1000
kQ
e
:
nonflammable
resistor.
-
HENS,
BEARS
a
&s
an
.
Pa
e
(_]
:
panel
designation.
E
THE
TONEARM
STOPS
:0.03V
<2
>
e
(___]
:
adjustment
for
repair.
TOWERD
THE
CENTER
‘52V
END
DET
MODULE
MOTOR
2.5V
e
B+
bus.
3
THE
TONEARM
ee
alos
Dios
°
:
B-
b
ES
TOWERD
HE
ARM
REST
*4-6V
:
us:
:
;
®
Voltages
are
dc
with
respect
to
ground
unless
otherwise
=
X10!
noted.
@
Readings
are
taken
under
no-signal
conditions
with
a
rei
iss
.
VOM
(50k2/V).
220p
DIN
1OE-2
e
e
iati
be
noted
due
to
normal
produc-
ik
TOR
[INTERRUPTER
BOARD]
PROTECTOR
NY
PMI
Voltage
variations
may
be
n
u
p
:
t
Ok
/\|
PLUNGER
tion
tolerances.
:
oe
seis
5
7
ie
i
aie
7
{POWER
SW
BOARD(I/2)]
AEP-UK
MODEL
Ref.
No.
Switch
Tok
:
a
Rae
£3
oman
SWITCH
CAM
1)
REST
| |
pa
j
a
ie
fr
QI22
2SA1026
STANDBY
—>
ON
L_3
)
US-€
MODEL
ARM
LIFTER
OFF
SO
Gee
a
NI
|
eels
START/STOP
OFF
PUM
UNE”
mat
)
sores
(STOPS
OPENING
THE
MODULE)|
OFF
ae
RIBS
OL
[POWER
SW
BOARD
(1/2)]
azo
wew
Tr
OPEN
EO
Ss
DEE
RD)
es
ley
em?
_
(STOPS
CLOSING
THE
MODULE)
|
OFF
782Y
aio
“BY
7
sy
{POWER
BOARD}
REPEAT
OFF
si0~2
KY
a
D201~204
10E-2
SPEED
.
33
YY
a
isy
RECT
POWER
STANDBY
P6
STANDBY
—>
ON
:
CONTROL)
I
I
MUTING
OFF
R126
I
;
!
If
Qio6
2s0774
5
re
DIO!
HZ6C2L
R
CNPI(I/2)
De
WOK
+
RES.
Note:
Voltages
are
measured
with
a
VOM
(50kQ2/V).
|
__J
QIO7
2SB734
D102
HZ9BIL
VOL.
REG.:
—38—
)
_39_

Other manuals for Sony PS-FL1

Related product manuals