EasyManua.ls Logo

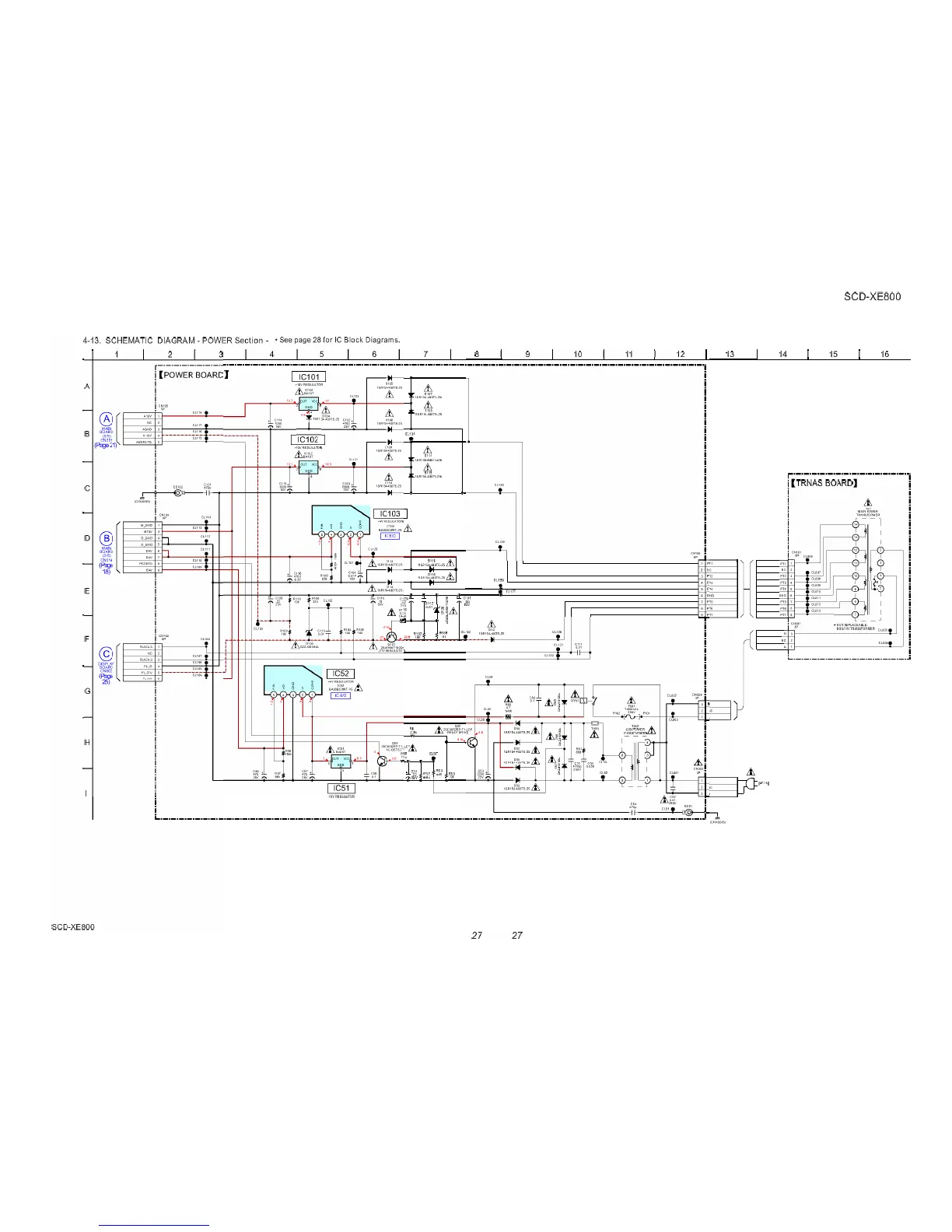
Sony SCD-XE800 - Schematic Diagram - Power Section

Sony SCD-XE800
46 pages
Print Icon
To Next Page IconTo Next Page
To Next Page IconTo Next Page
To Previous Page IconTo Previous Page
To Previous Page IconTo Previous Page
Loading...

Other manuals for Sony SCD-XE800

Related product manuals