EasyManua.ls Logo

Sony SLV-495 - Power Supply Block Diagram

Sony SLV-495
61 pages
Print Icon
To Next Page IconTo Next Page
To Next Page IconTo Next Page
To Previous Page IconTo Previous Page
To Previous Page IconTo Previous Page
Loading...
SLV-495/495PX/675HF/675HFPX/676HF/685HF/695HF/L40CS/L40MX/L40PA/L50CS/L50MX/
LS0PA/L60HFCS/L60HFMX/L60HFPA/L70HFCS/L70HFMX/L70HFPA/X5MX/X6HFMX
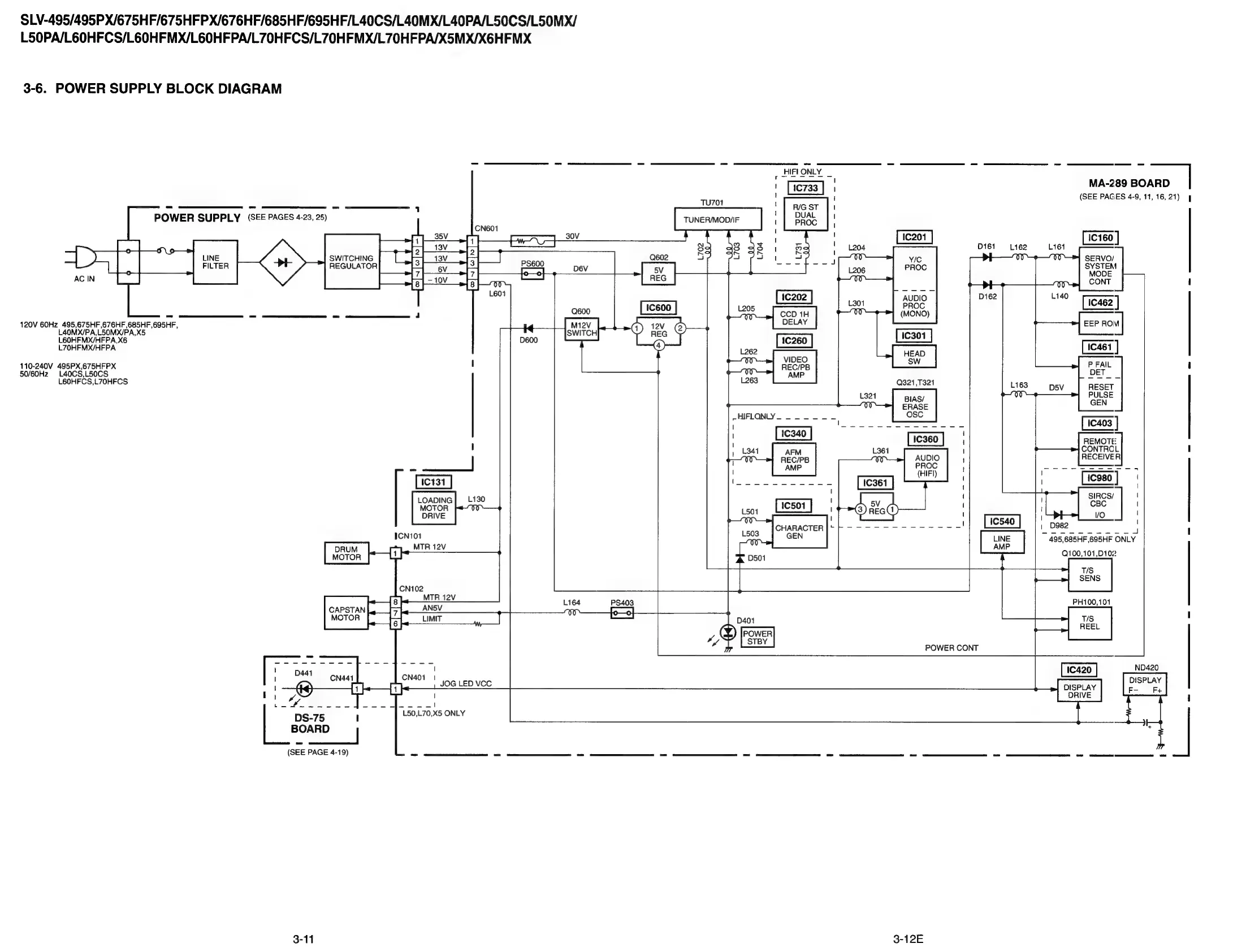
3-6.
POWER
SUPPLY
BLOCK
DIAGRAM
POWER
SUPPLY
(SEE
PAGES
4-23,
25)
LINE
FILTER
na
120V
60Hz
495,675HF,676HF,685HF,695HF,
L40MX/PA,LS5OMX/PA,X5
L60HFMX/HFPA,X6
L70HFMX/HFPA
a
SWITCHING
REGULATOR
Bal
AC
IN
110-240V
495PX,675HFPX
50/60Hz
L40CS,L50CS
L60HFCS,L70HFCS
LOADING]
130
MOTOR
0
DRIVE
ICN101
MOTOR
CN102
ra]
MTR
12V
CAPSTANLg
17]
MOTOR
ete
LIMIT
!
|
|
CN441
1\
WY
|
bom
4
ee
ee
ee
|e
eee
|
DS-75
\
L50,L70,X5
ONLY
(SEE
PAGE
4-19)
3-11
HIFI
ONLY
MA-289
BOARD
|
(SEE
PAGES
4-9,
11,
16,
21)
!
'
TU701
|
RIG
ST
|
TUNER/MOD/IF
3
I
oeoe
(
[ici60
|
a8
i
Bs
D161
Lie2
L161
oy
SERVO/
See
pom
SYSTEM
MODE
CONT
10
[icae2
]
EEP
rou]
[reser
P
FAIL
DET
D5V
[lesa
REMOTE
CONTROL
RECEIVER
a
495,685HF,695HF
ONLY
Q100,101,D102
PH100,101
TS
REEL
POWER
CONT
ND420
DISPLAY
F-
F+
3-12E

Table of Contents

Related product manuals