EasyManua.ls Logo

Sony SLV-E170EE - Page 23

Sony SLV-E170EE
116 pages
Print Icon
To Next Page IconTo Next Page
To Next Page IconTo Next Page
To Previous Page IconTo Previous Page
To Previous Page IconTo Previous Page
Loading...
escent
sanspaisnmenscnn
crake
eich
aae
senate
cH
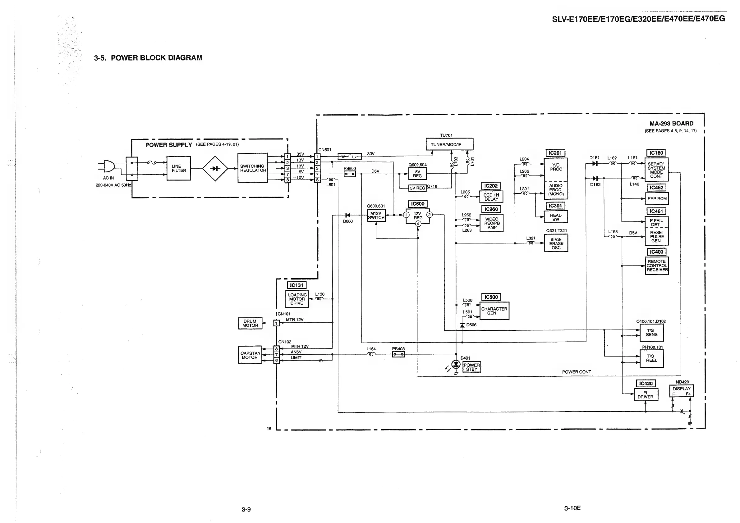
3-5.
POWER
BLOCK
DIAGRAM
POWER
SUPPLY
(SEE
PAGES
4-19,
21)
-
LINE
FILTER
AC
IN
ae
220-240V
AC
50Hz
SWITCHING
REGULATOR
DRUM
MOTOR
CAPSTAN
MOTOR
3-9
SLV-E170EE/E170EG/E320EE/E470EE/E470EG
MA-293
BOARD
|
(SEE
PAGES
4-8,
9,
14,
17)
TU701
TUNER/MOD/IF
20v
[16160]
25
D161
L162
L161
[1160
]
Q602,604
=
5
70
00
SERVO/
SYSTEM
MODE
CONT
L205
QQ
L262
i
D600
00
rare]
REGIE
L263
Q321,T321
00
ERASE
osc
REMOTE
CONTROL
RECEIVER
LOADING
|
1130
L500
MOTOR
55
ORIVE
x3
CHARACTER
1CN101
GEN
MTR
12V
00
a
=
D506
Q100,101,D102
-_
a
[3
MTR
12V
L164
PS403
oe
D401
POWER
CONT
ee
=
DISPLAY
DRIVER
Ee
eeint
r
3-10E

Table of Contents

Related product manuals