EasyManua.ls Logo

Sony SLV-E170EE - Page 27

Sony SLV-E170EE
116 pages
Print Icon
To Next Page IconTo Next Page
To Next Page IconTo Next Page
To Previous Page IconTo Previous Page
To Previous Page IconTo Previous Page
Loading...
{
|
|
i
H
i
i
i
i
i
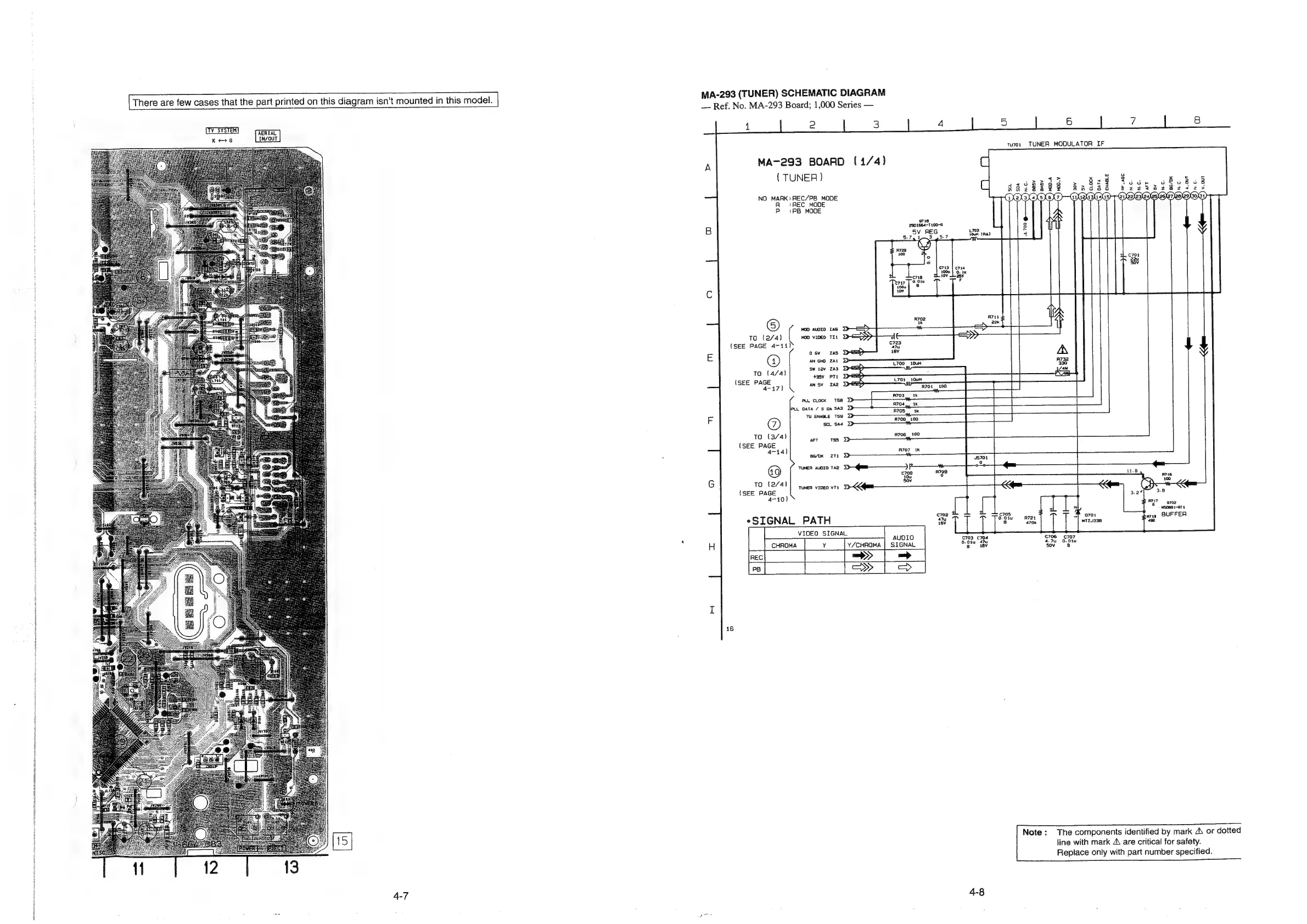
There
are
few
cases
that
the
part
printed
on
this
diagram
isn’t
mounted
in
this
model.
KeoG
AERIAL
IN/OUT
4-7
MA-293
(TUNER)
SCHEMATIC
DIAGRAM
Ref.
No.
MA-293
Board;
1,000
Series
tu7o1
TUNER
MODULATOR
IF
MA-293
BOARD
(1/4)
{
TUNER)
NO
MARK:REC/PB
MODE
A
=REC
MODE
P
:PB
MODE
a7ie
2801664~-T100-A
SV
REG
713
S
5.
5.7
f
moo
VIDEO
TIt
©
(
moo
auoto
1a6
T}—E=>
}
TO
(2/4)
=>
(SEE
PAGE
4-11
osv
25
Dee
@)
AN
GNO
ZA1
2>
DUAR
ee
es
ae
eee
ae
(SEE
Bee
fey
RS
ron
aoe
i
4-17)
AN
SV
ZA2
Dey
noon
rm
9
fee
PLL
OATA
/
S
OA
SAB
2)
Tu
ENAKLE
TSS
29
@
sa.
saa
D
100
To
(3/4)
a
SD
A706,
(SEE
PAGE
4-14)
A707
ik
BG/DK
2ZT1
2)
TUNER
auoio
TA2
D—a—_—__)
700
10u
sov
TO
(2/4)
TUNER VIDEO
VTi
2>
(SEE
PAGE
4-10)
c702
@ -
C705
a7o1
eSIGNAL
PATH
au
eid).
A784
ita
|
__VIOEO
STGNAL
SIGNAL
AUDIO
703
C704
6706
C707
Y/CHROMA
|
SIGNAL
Ooty
ty
a
eg
Peg
ke
ee
a
a
oe
16
The
components
identified
by
mark
A\
or
dotted
line
with
mark
A\
are
critical
for
safety.
Replace
only
with
part
number
specified.
Note
:

Table of Contents

Related product manuals