EasyManua.ls Logo

Sony SLV-ED60PS - MA-350 (Power Supply) Schematic Diagram

Sony SLV-ED60PS
140 pages
Print Icon
To Next Page IconTo Next Page
To Next Page IconTo Next Page
To Previous Page IconTo Previous Page
To Previous Page IconTo Previous Page
Loading...
SLV-ED10/ED40/ED60/ED70/EZ10/EZ40/EZ60/EZ70
4-27 4-28
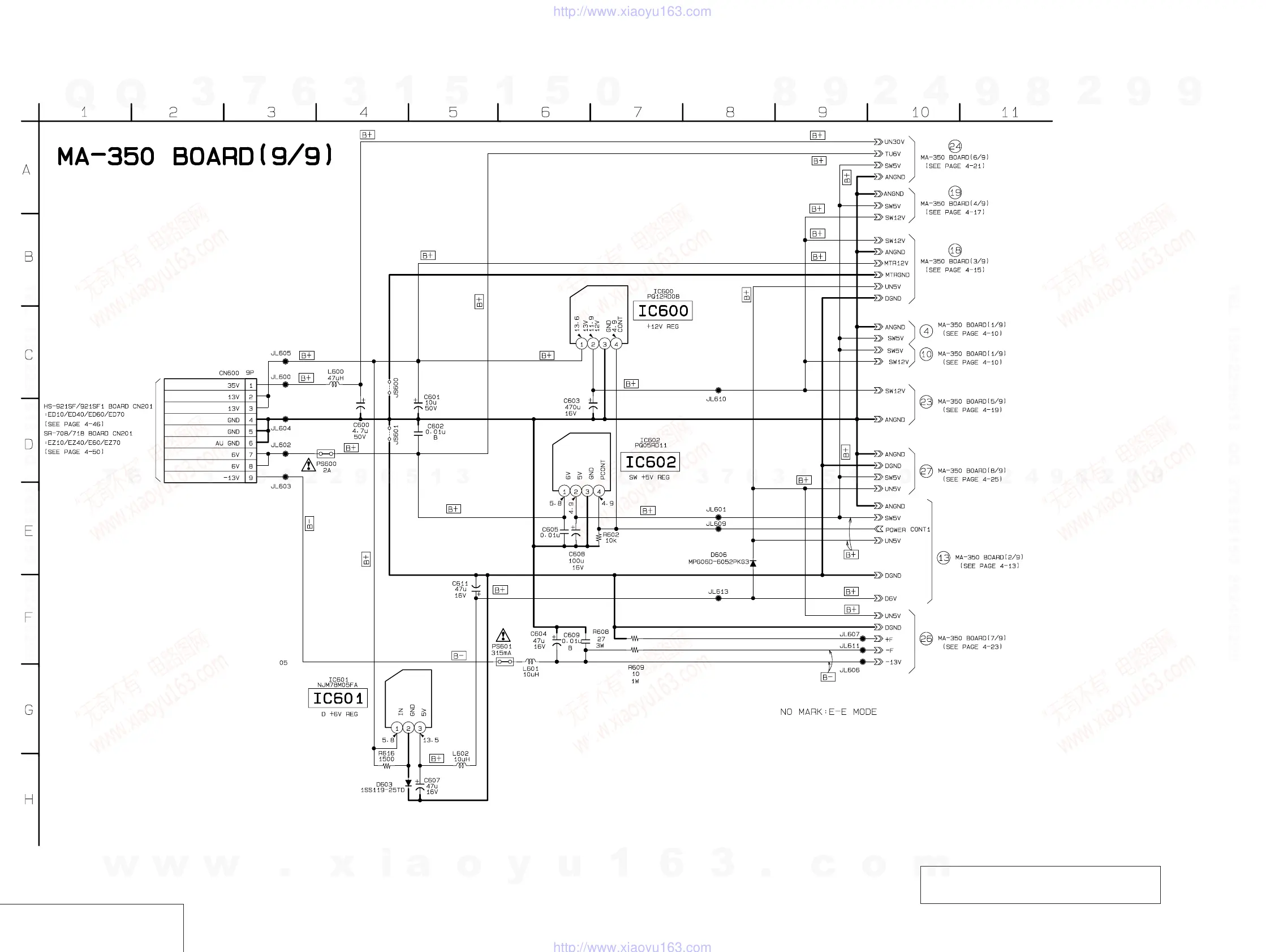
MA-350 (POWER SUPPLY) SCHEMATIC DIAGRAM • See page 4-5 for printed wiring board.
– Ref. No.: MA-350 board; 1,000 series –
POWER SUPPLY
MA-350 (9/9)
Note:The components identified by mark ! or dotted line
with mark ! are critical for safety.
Replace only with part number specified.
w
w
w
.
x
i
a
o
y
u
1
6
3
.
c
o
m
Q
Q
3
7
6
3
1
5
1
5
0
9
9
2
8
9
4
2
9
8
T
E
L
1
3
9
4
2
2
9
6
5
1
3
9
9
2
8
9
4
2
9
8
0
5
1
5
1
3
6
7
3
Q
Q
TEL 13942296513 QQ 376315150 892498299
TEL 13942296513 QQ 376315150 892498299
http://www.xiaoyu163.com
http://www.xiaoyu163.com

Table of Contents

Related product manuals