EasyManua.ls Logo

Sony SLV-ED60PS - Page 54

Sony SLV-ED60PS
140 pages
Print Icon
To Next Page IconTo Next Page
To Next Page IconTo Next Page
To Previous Page IconTo Previous Page
To Previous Page IconTo Previous Page
Loading...
SLV-ED10/ED40/ED60/ED70/EZ10/EZ40/EZ60/EZ70
4-49
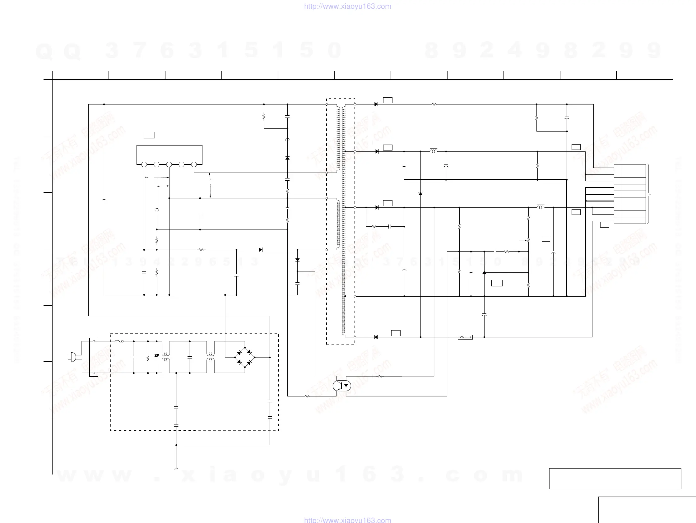
SR-708/718 (POWER SUPPLY) SCHEMATIC DIAGRAMS
– Ref. No.: SR-708/718 board; 4,000 series –
– SLV-EZ10/EZ40/EZ60/EZ70 –
POWER SUPPLY
SR-708/718
4-50 E
Note:The components identified by mark ! or dotted line
with mark ! are critical for safety.
Replace only with part number specified.
C108
1000pF
250V
C107
1000pF
250V
C104
1000pF
250V
C103
1000pF
250V
D101D102
D104D103
AC IN
CN101
F101
250V
T2AL
C101
0.1µF
250V
R101
1M
1/2W
Z101
C102
0.1µF
250V
L101 L102
!
1
2
05
D101~104
1N4005
R108
47K
1W
R103
6.8
C110
0.01µF
400V
C116
47pF
1KV
D105
EG01C
C112
0.1µF
C113
0.01µF
C114
0.1µF
C109
180µF
450V
T101
!
D205
AU02Z
+
+
IC101
SWITCH
D108
PR1003
D107
PR1003
C111
47µF
35V
C115
0.1µF
!
!
!
!
!
!
!
!
!
!
!
!
!
PC101
PC123
R202
470
+
+
+
C206
470µF
16V
C209
1000pF
1KV
C204
1000µF
10V
C205
220µF
16V
C207
4.7µF
50V
C208
0.1µF
L203
10µH
D202
RL4Z
!
!
D203
RK46
!
D204
RD30FB
R207
10
C202
1000µF
16V
R201
10
1/2W
C203
220µF
16V
C201
47µF
63V
D201
EG01C
L202
10µH
1
2
3
4
5
6
7
8
9
35V
13V
13V
GND
GND
AU GND
6V
6V
–13V
CN201 9P
MA-350 BOARD (9/9)
CN600
(SEE PAGE 4-27)
FB2
1 2 3 4 5
R105
3.3K
R104
10K
R106
120K
R102
47K
3W
FB1
R107
6.8
+
R209
10K
1W
+
R210
3.3K
R203
18K
VR201
5K
R205
10K
R204
15K
+
+
R206
3.3K
R211
10K
IC201
AN1431T
IC201
SHUNT REG
!
R208
0.47
IC101
MIP184
312
0.4
5.8
NO MARK : E-E MODE
+6V
12345678910
11
A
B
C
D
E
F
G
SR-708/718 BOARD
B+
B+
B+
B–
B+
B+
B+
B–
!
w
w
w
.
x
i
a
o
y
u
1
6
3
.
c
o
m
Q
Q
3
7
6
3
1
5
1
5
0
9
9
2
8
9
4
2
9
8
T
E
L
1
3
9
4
2
2
9
6
5
1
3
9
9
2
8
9
4
2
9
8
0
5
1
5
1
3
6
7
3
Q
Q
TEL 13942296513 QQ 376315150 892498299
TEL 13942296513 QQ 376315150 892498299
http://www.xiaoyu163.com
http://www.xiaoyu163.com

Table of Contents

Related product manuals