EasyManua.ls Logo

Sony SLV-ED8ME - Mode Control Block Diagram

Sony SLV-ED8ME
142 pages
Print Icon
To Next Page IconTo Next Page
To Next Page IconTo Next Page
To Previous Page IconTo Previous Page
To Previous Page IconTo Previous Page
Loading...
SLV-ED8/EZ8/EZ9
3-143-13
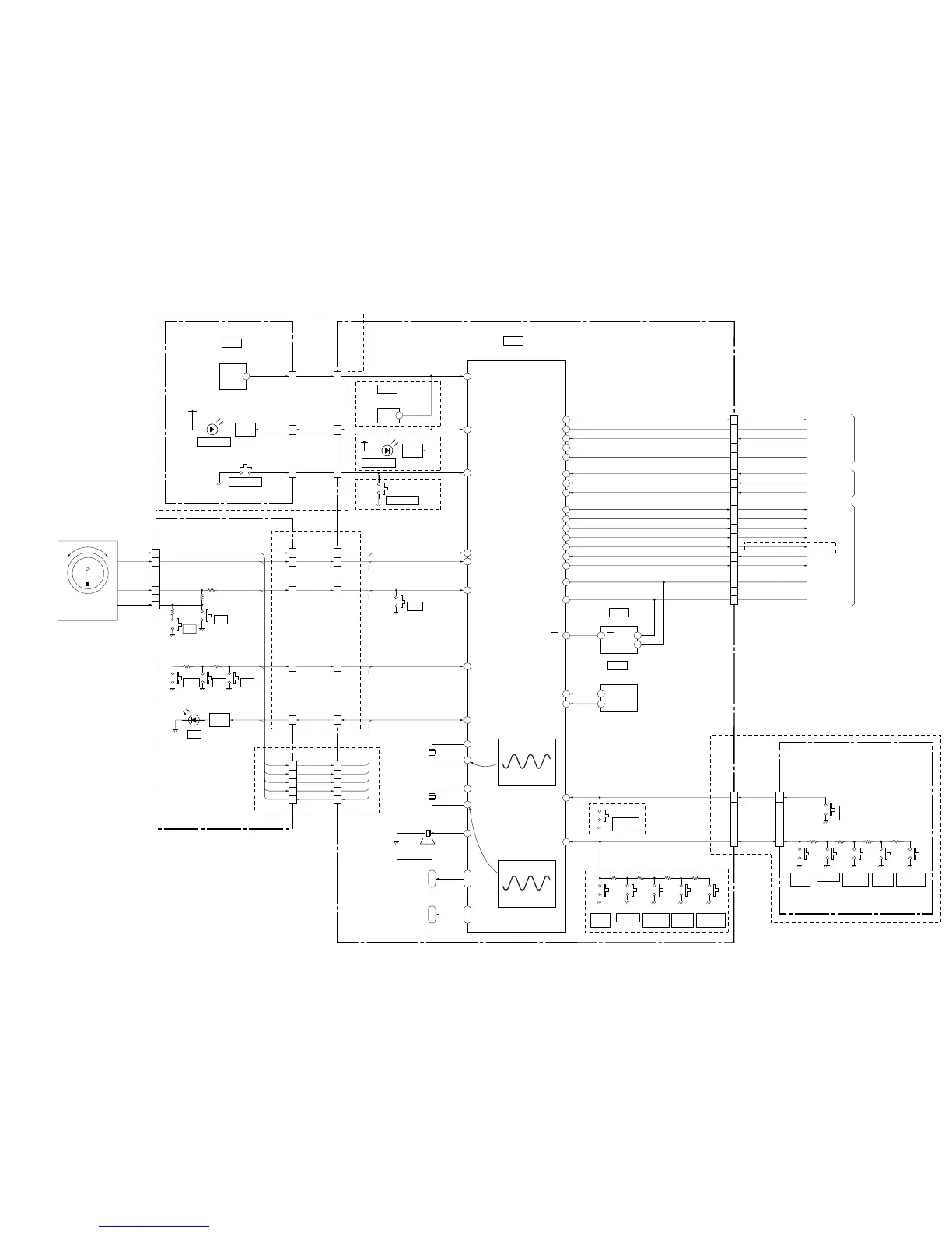
3-7. MODE CONTROL BLOCK DIAGRAM
SIRCS
CN400
POWER CONT
A/D2
5
2
1
CN308
1
4
5
1
12
4
79
18
LED
DRIVER
Q400
5V
10
11
76
77
35
36
37
19
38
20
40
28
26
27
21
80
5V
SW-307 BOARD
(SEE PAGE 4-39)
RF-137 BOARD
(SEE PAGE 4-39)
REMOTE COMMANDER
RECEIVER
IC400
REMOTE COMMANDER
RECEIVER
IC304
OUT
1
OUT
D400
LED
DRIVER
Q300
POWER CONT
SIRCS IN
A/D 2
42
DMS 1
41
DMS 2
16
A/D 0
17
A/D 1
29
LED CS
TX
TFX
CG CS
H DET
CG V
SO0
SCK 0
SI0
ASURA CS
SYS RESET
PLL CLK
PLL DATA
PLL ENABLE
SW1. F MONO
MAIN/SAP
AFT
A MUTE
SDA 0
SCL 0
78
D318
ON/STANDBY
ON/STANDBY
ON/STANDBY
ON/STANDBY
CN452
1
6
LED
DRIVER
Q450
DM-77 BOARD
(SEE PAGE 4-35)
CLICK JOG
SHUTTLE
D459
S453S457S458
S300
PLAY
STOP
DMS1
CN451
DMS2
STOP
PLAY
5
4
2
1
3
4
2
CN307
1
6
3
4
2
JOG
S459
REC
S451
FF REWPAUSE
JOG
CN453
CN309
DMS 1
LED CS
A/D 1
DMS 2
A/D 0
DMS 1
DMS 2
A/D 0
A/D 1
LED CS
5
4
6
7
2
3
4
2
1
6
S309
EJECT
EZ9
ED8/EZ8
ED8/EZ8
ED8/EZ8
ED8/EZ8
74
73
EXTAL
XTAL
32
31
BUZZER
7
12
ı
27
4
ı
9
G1
ı
G6
GRID1
ı
GRID6
SEG1
ı
SEG16
P1
ı
P16
44
ı
59
66
ı
71
7
2
POWER FAIL
OUT 1
8
34
RST
22
A/D 6
23
A/D 7
OUT 2
6
SDA
5
SCL
6
S301
PROGRAM
SP/LP/EP
S306 S302
PROGRAM
+
S303
EASY
TIMER
S304
COLOR
SYSTEM
S305
ONE TOUCH
TUNING
ONE TOUCH
TUNING
SP/LP/EP PROGRAM
+
PROGRAM
EASY
TIMER
COLOR
SYSTEM
ED8/EZ8
EZ9
ED8/EZ8
OPERATING SWITCH BLOCK
2
1
3
4
22
23
6
25
5
4
15
20
11
10
9
17
8
16
7
13
12
SCLK
SI0
ASURA CS
ASURA RESET
OSD CS
H DET
CG V
SO 0
PLL DATA
PLL ENABLE
SW1
SW2
AFT
TA MUTE
SDA 0
SCL 0
PLL CLK
SYSTEM CONTROL
(SEE PAGE 3-8)
VIDEO 2
(SEE PAGE 3-6)
TUNER
(SEE PAGE 3-11)
EZ9
TIMER/TUNER/MODE
CONTROL
IC301
WC
WC
RESET PULSE GEN
POWER FAIL DET
IC302
EEP ROM
IC303
X301
32.768KHz
X302
16MHz
BZ301
ND320
FLUORESCENT
INDICATOR TUBE
CN303
CN302
A/D 6
A/D 7
ED8
S400
05
IC301 REC/PB
2.3Vp-p (32.768kHz)
IC301#™REC/PB
2.0Vp-p (16MHz)

Table of Contents

Related product manuals