EasyManua.ls Logo

Sony STR-DA3000ES Operating Instructions (STRDA3000ES) - Hooking up Video Components

Sony STR-DA3000ES Operating Instructions (STRDA3000ES)
68 pages
Print Icon
To Next Page IconTo Next Page
To Next Page IconTo Next Page
To Previous Page IconTo Previous Page
To Previous Page IconTo Previous Page
Loading...
masterpage:Left
filename[\\Nas-data-server\SONY Current jobs\SONY STR-
DA5000ES\DTP\4247188133\424718813STRDA5000ESU\GB03CON_STR-DA5000ES-U.fm]
14
GB
model name1[STR-DA5000ES]
[4-247-188-13(4)]
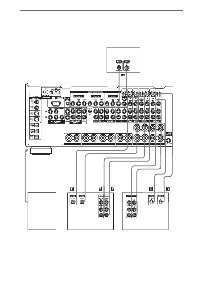
Hooking up video components
If you connect your TV to the MONITOR jacks, you can watch the video from the selected input
(page 24). You can also display the SPEAKER SET UP, LEVEL, SURR SET UP, EQUALIZER,
CUSTOMIZE and TUNER menu settings and sound fields on your TV by pressing ON SCREEN on
the remote.
For details on the required cords (A
H), see page 7.
CENTER SPEAKER
SU
RR
OU
ND
S
PEAKER
S
FRONT SPEAKERS
R
L
R
L
SU
RR
OU
ND BA
C
K
S
PEAKE
R
COMPONENT VIDEO
IMPEDAN
C
E
US
E 4-1
6
VIDE
O
VIDE
O
IN
IN
OU
TP
UT
INP
UT
INOUT
L
L
INOUT
L
L
INOUT
L
L
B
D
C
B, D
B
B
B
D
INOUT
L
L
O
O
T
Camcorder or
TV game
TV monitor
VCR
VCR
To the
VIDEO 3
INPUT jacks
(Front panel)

Table of Contents

Other manuals for Sony STR-DA3000ES Operating Instructions (STRDA3000ES)

Related product manuals