EasyManua.ls Logo

Sony STR-DB830 - 4-4. Schematic Diagram Digital Section (1;3); 4-5. Schematic Diagram Digital Section (2;3)

Sony STR-DB830
64 pages
Print Icon
To Next Page IconTo Next Page
To Next Page IconTo Next Page
To Previous Page IconTo Previous Page
To Previous Page IconTo Previous Page
Loading...
STR-DB830/DB930/V929X
— 9 — — 10 —
RELAY
DRIVE
Q601
Q504, Q505
BIAS
14
5
15
6
1
2
3
VEE
VCC
IN
MUT
+VE
NF
-VE
13 VCC
POWER AMP(L)
IC501
+VDD
-VDD
BOOSTER
Q506
BOOSTER
Q507
CUR DET
Q598
AF DETECTOR
Q509,510
Q511
Q604, Q605
BIAS
9
15
12
11
VEE
IN
+VE
NF
-VE
13 VCC
POWER AMP(C/W)
IC601
+VDD
-VDD
BOOSTER
Q606
BOOSTER
Q607
CUR DET
Q698
AF DETECTOR
Q609,610
Q611
Q704, Q705
BIAS
MUTE
Q501,503
14
5
15
6
1
2
3
VEE
VCC
IN
MUT
+VE
NF
-VE
13 VCC
POWER AMP(SL)
IC701
+VDD
-VDD
BOOSTER
Q706
BOOSTER
Q707
CUR DET
Q798
8
RY602
RELAY
DRIVE
Q546
RY501
RELAY
DRIVE
Q596
RY502
RELAY
DRIVE
Q645
RY601
RELAY
DRIVE
Q745
RY701
RELAY
DRIVE
Q681
RY681
RELAY
DRIVE
Q901
RY901
RELAY
DRIVE
Q671
RY671
JJ101
JJ102
L
R
L
R
L
R
R CH
R CH
R CH
C
S(L)
S(R)
R CH
SURROUND
SPEAKER
SUB
WOOFER
REAR
J701
PHONES
TM701
FRONT
SPEAKER
TM501
R CH
R CH
RESET
IC1206
58
3
6
+6.2
REG
Q1205
D801
SWITCH
Q613
PROTECTOR
Q547-549
F2
F1
F801
F802
D802-805
+VDD
-VDD
IMPEDANCE
SELECTOR
84
S801
F901
D901-904
CNP901
AC IN
L
R
:FM
:CD
D
• Signal Path
• RCH is omitted
IN
6
14 VCC
2+VE
3-VE
F803
F804
1
+5V
REG
3
+24V
1
+3.3V
REG
3
IC1203
IC1204
CNJ901
T902
MODE CONTROL
IC102
STOP
AC MUTE
PROTECTOR
PRE RY
REMOTO
CONTROL
RECEIVER
IC101
26
SIRCS
Q101
RESET
Q103
77
RESET
POWER
S101
POWER KEY
66
F2
F1
16
JW925
47
STOP
RESET
TV/SAT
CONTL S
STATUS IN
MONITOR
CONTROL S
IN
VIDEO 1
CONTL S
OUT
DVD/LD
CONTL S
OUT
S-LINK
J204
J256
J255
J257
J258
LEVEL
CONTROL
Q257,258
11
4
LEVEL
CONTROL
Q255,256
LEVEL
CONTROL
Q254
3
2
5
6
7
1
IC254
SWITCH
Q251,252
ST-I/O
IC253
1 MUT
2
-15V
REG
IC402
3
1
+15V
REG
IC401
3
3
+5V
REG
1
-15V
+15V
+5V
+32V
REG
+32V
Q801
F805
1
+6.2V
REG
3
IC1205
DIGITAL +5V
CONT µCOM ETC
DISP µCOM+5.6V
T901
F903
US,Canadian
US,Canadian
MODEL
90
LED CLR
DOUT
3
RY HP
SP/A RY
SP/B RY
RY CENTER
RY WOOFER
RY REAR
58
URESET
C
ABUS A1 IN
63
I/O
BUFFER
Q104
ABUS OUT
67
FLOURESCENT
INDICATOR TUBE
FL101
29
DIN
26
LAT
34
CLK
24
CLR
4
LS
29
CLK
5
CL
30
DIN
FL DAT
22
FL CLK
21
FL LAT
24
FL CLEAR
25
SPEAKER
SWITCH
SP B
65
SP A
64
6
S102
49
MD0
89
LED CE
87
LED CLK
88
LED DATA
D122,123,136-140
D147,149-157
D124,125,128
21 543
MBUS DVD
94
MBUS VIDEO 1
93
MBUS STA OUT
96
MBUS TV
95
IC254
UP
55
DOWN
56
2
4
8
5
MOTOR
DRIVE
IC103
51
MD2
20
SINO
19
SOTO
61
UDATA
62
UCLOCK
60
UMREQ
58
URESET
URESET
UMREQ
UCLOCK
UDATA
FLASH DO
FLASH DI
MD2
MD0
82
XO
XO
83
XI
XI
CARR OUT
IC106
SIRCS
CTL
I/O
SIRCS
DET.
IC107
Q105
+B
Q129,130
SIRCS IN
CA1 I
RESET
CA1 O
IC105IC104
FL DRIVE FL DRIVE
RY POWER
IC408
RV401
VOLUME
L
C
W
SL
M
IN
14
DATA
9
CLK
8
LAT
10
15
OUT
DATA
CLK
LAT
IC414
IN
3
DATA
9
CLK
8
LAT
10
2
OUT
DATA
CLK
LAT
IN
14
15
OUT
IC410
IC410
IN
14
DATA
9
CLK
8
LAT
10
15
OUT
DATA
CLK
LAT
IC409
VOL CONT
IC416
VOL CONT
IC415
VOL CONT
B
DATA
CLK
LAT
59
USREQ
USREQ
RDS DATA
54
RDS CLK
53
RDS SIGNAL
46
RDS DATA
RDS CLK
ANT LEVEL
A
AF DETECTOR
Q709,710
A
B
R
L
JW927
JW928
MODEL
EXCEPT
1
+5V
REG
3
IC1501
CODEC +5V
D806-809
D1208
D1211
7
POWER RY
RESET
LAT
LAT
D1209
X101
16MHz
15
33
2
12
11
16
5
14
98
99
X102
7.82MHz
DB930/V929 MODEL
9
BUFFER
Q253
US,Canadian MODEL
76
JOG DOWN
75
JOG UP
RV102
D140-145
79
FUNCTION DOWN
78
FUNCTION UP
RV101
19181716
LED DRIVER
IC108
915 20 2917
..
FUNCTION
KEY
KEY INPUT 1
KEY INPUT 2
KEY INPUT 3
KEY INPUT 4
KEY INPUT 5
38
S126-128
FUNCTION
KEY
39
S119-121
FUNCTION
KEY
40
S129,130
S115-118
FUNCTION
KEY
41
S111-114
S122-124
FUNCTION
KEY
43
S103-110
S131
TUNER
PHONO
TAPE
MD/DAT
CD
29
PRE OUT
FRONT
CENTER
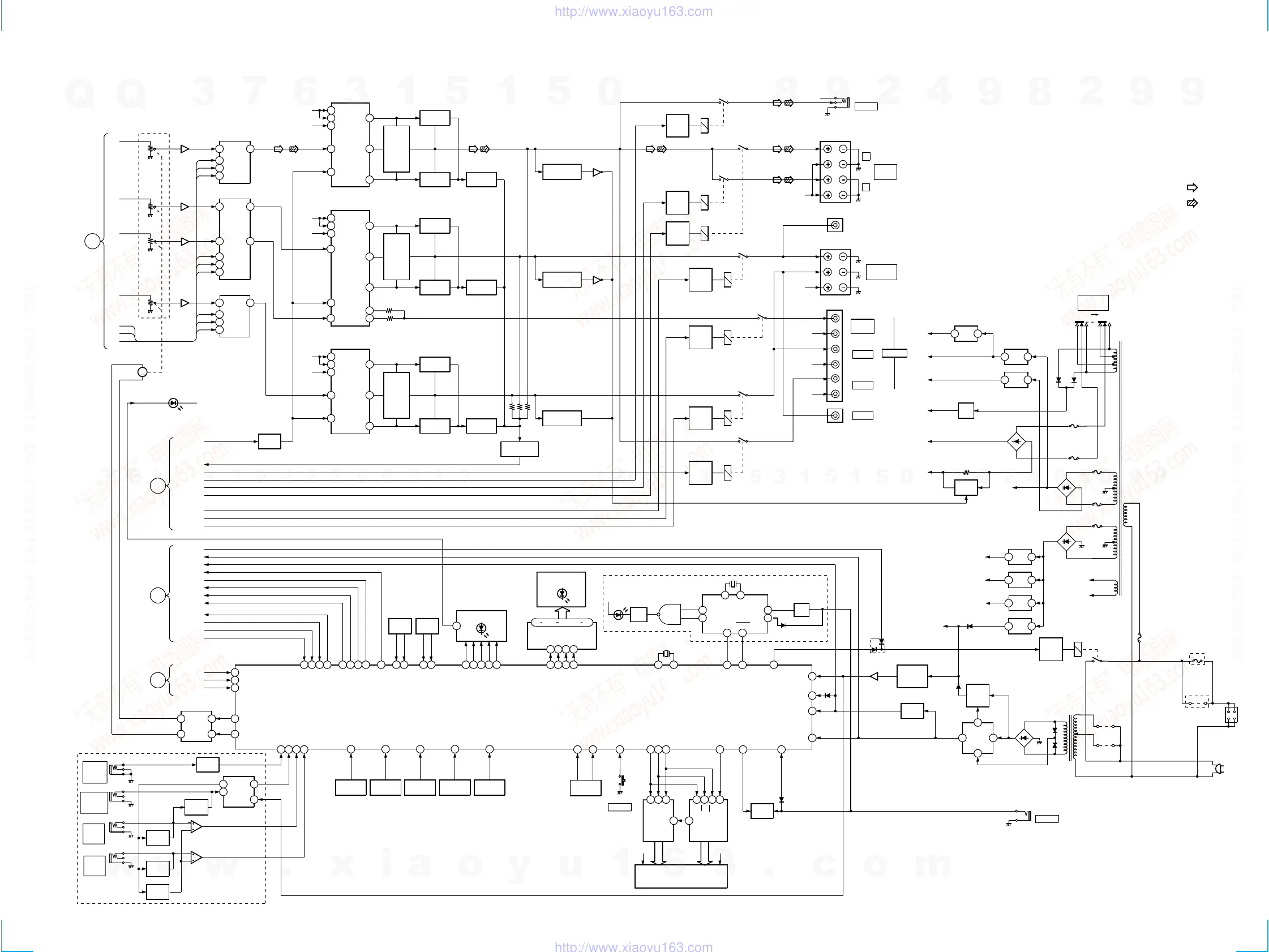
4-2. BLOCK DIAGRAM POWER SECTION
w
w
w
.
x
i
a
o
y
u
1
6
3
.
c
o
m
Q
Q
3
7
6
3
1
5
1
5
0
9
9
2
8
9
4
2
9
8
T
E
L
1
3
9
4
2
2
9
6
5
1
3
9
9
2
8
9
4
2
9
8
0
5
1
5
1
3
6
7
3
Q
Q
TEL 13942296513 QQ 376315150 892498299
TEL 13942296513 QQ 376315150 892498299
http://www.xiaoyu163.com
http://www.xiaoyu163.com

Other manuals for Sony STR-DB830

Related product manuals