EasyManua.ls Logo

Sony STR-DE235 - Schematic Diagrams

Sony STR-DE235
34 pages
Print Icon
To Next Page IconTo Next Page
To Next Page IconTo Next Page
To Previous Page IconTo Previous Page
To Previous Page IconTo Previous Page
Loading...
STR-DE235
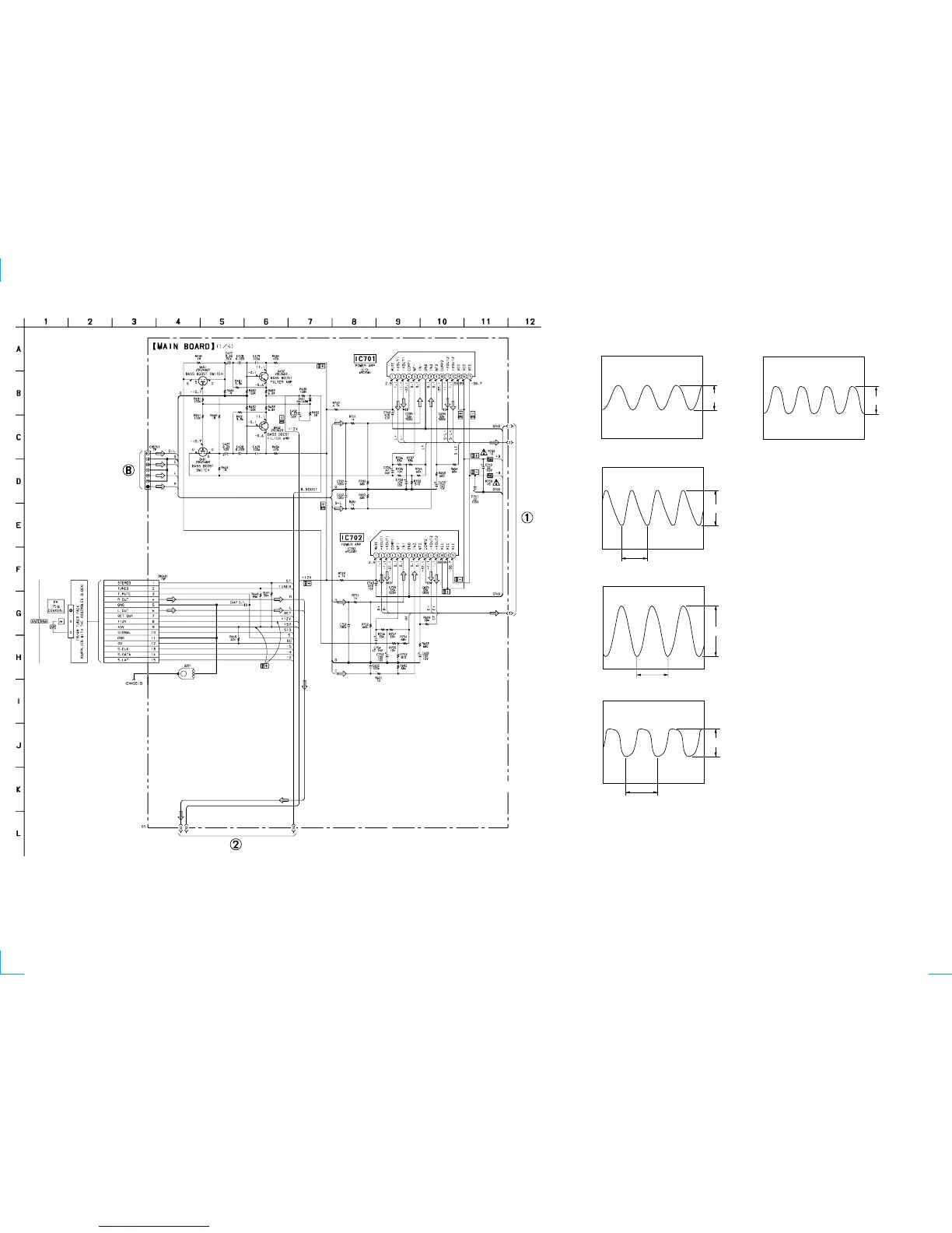
4-7. SCHEMATIC DIAGRAM – MAIN Board (1/4) – See page 34 for IC Block Diagram.
– 19 –
– 20 –
Waveforms
– MAIN Board –
1 IC1 (OSCI)
2 IC300 $• (OSC1) (Change DOLBY Mode)
3 IC301 (LC-INE)
4 IC301 (CR-OT)
2.7 Vp-p
4.332 MHz
0.4 Vp-p
32.5
µ
s
3.1 Vp-p
125 ns
5.4 Vp-p
4.19 MHz
1.2 Vp-p
122 ns
– DISPLAY Board –
1 IC201 #∞ (X2)
(Page 32)
(Page 24)
(Page 21)

Related product manuals