EasyManua.ls Logo

Sony STR-DE235 - Page 7

Sony STR-DE235
34 pages
Print Icon
To Next Page IconTo Next Page
To Next Page IconTo Next Page
To Previous Page IconTo Previous Page
To Previous Page IconTo Previous Page
Loading...
STR-DE235
– 9 –
– 10 –
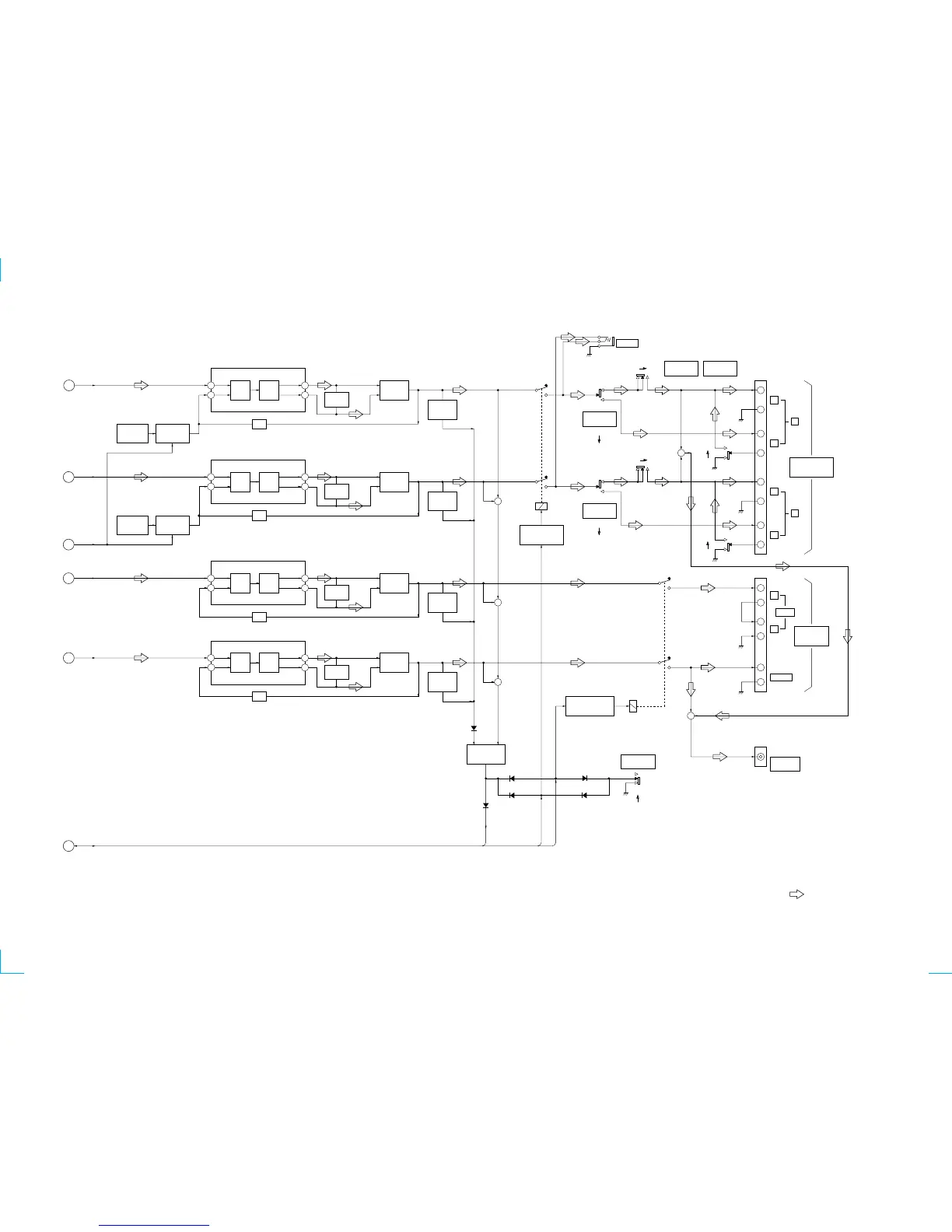
4-2. BLOCK DIAGRAM – MAIN Section (2/2) –
POWER AMP
IC701 (1/2)
05
B
(Page 8)
SIGNAL PATH
: TUNER (FM)
LCH
SP-RLY,
SURR-RLY,
PROTECT
SP-RLY
SURR-RLY
PROTECT
PRE
DRIVE
DRIVER
CENTER
REAR
TM601
TM701
L
R
BASS BOOST
FILTER AMP
Q452
BASS BOOST
SWITCH
Q401
FINAL
DRIVER
Q703, 704
OVER LOAD
DETECT
Q720
BIAS
Q701, 702
NF
J253
MIX
AUDIO OUT
(Page 8)
E
S701–3–1
PHONES
J741
+VOUT1
–VOUT1
IN1
NF1
–1
5
6
3
2
POWER AMP
IC702 (1/2)
C
(Page 8)
F
(Page 11)
RCH
BASS
BOOST
PRE
DRIVE
DRIVER
BASS BOOST
FILTER AMP
Q402
BASS BOOST
SWITCH
Q451
FINAL
DRIVER
Q753, 754
OVER LOAD
DETECT
Q770
BIAS
Q751, 752
NF
+VOUT1
–VOUT1
IN1
NF1
5
6
3
2
POWER AMP
IC701 (2/2)
A
(Page 8)
REAR
PRE
DRIVE
DRIVER
FINAL
DRIVER
Q653, 654
OVER LOAD
DETECT
Q670
BIAS
Q651, 652
NF
+VOUT2
–VOUT2
IN2
NF2
9
8
11
12
POWER AMP
IC702 (2/2)
PRE
DRIVE
DRIVER
FINAL
DRIVER
Q603, 604
OVER LOAD
DETECT
Q620
BIAS
Q601, 602
NF
+VOUT2
–VOUT2
IN2
NF2
9
8
11
12
D
(Page 8)
CENTER
PROTECT
SWITCH
Q721 – 723
D721
SPEAKER PROTECT
RELAY DRIVE
Q610
RY601
–2
–2
SPEAKER PROTECT
RELAY DRIVE
Q710
RY701
–1
D725
D728
D723
D311, 312
D203
+
+
+
+
+
S701–4–2
SPEAKERS A
Ø ON ø OFF
ON
OFF
S701–3
SPEAKERS A
Ø ON ø OFF
S701–1–1
SPEAKERS B
Ø ON ø OFF
S701–2
SPEAKERS A
Ø ON ø OFF
ON
OFF
ON
OFF
S701–2–1
ONOFF
S701–2–2
ONOFF
OFF
ON
S701–1–2
SPEAKERS B
Ø ON ø OFF
OFF
ON
A
A
R
B
B
S701–3–2
+
+
+
+
+
+
+
L
SPEAKERS FRONT
IMPEDANCE
USE 4 – 16
SPEAKERS
IMPEDANCE
USE 4 – 16

Related product manuals