EasyManua.ls Logo

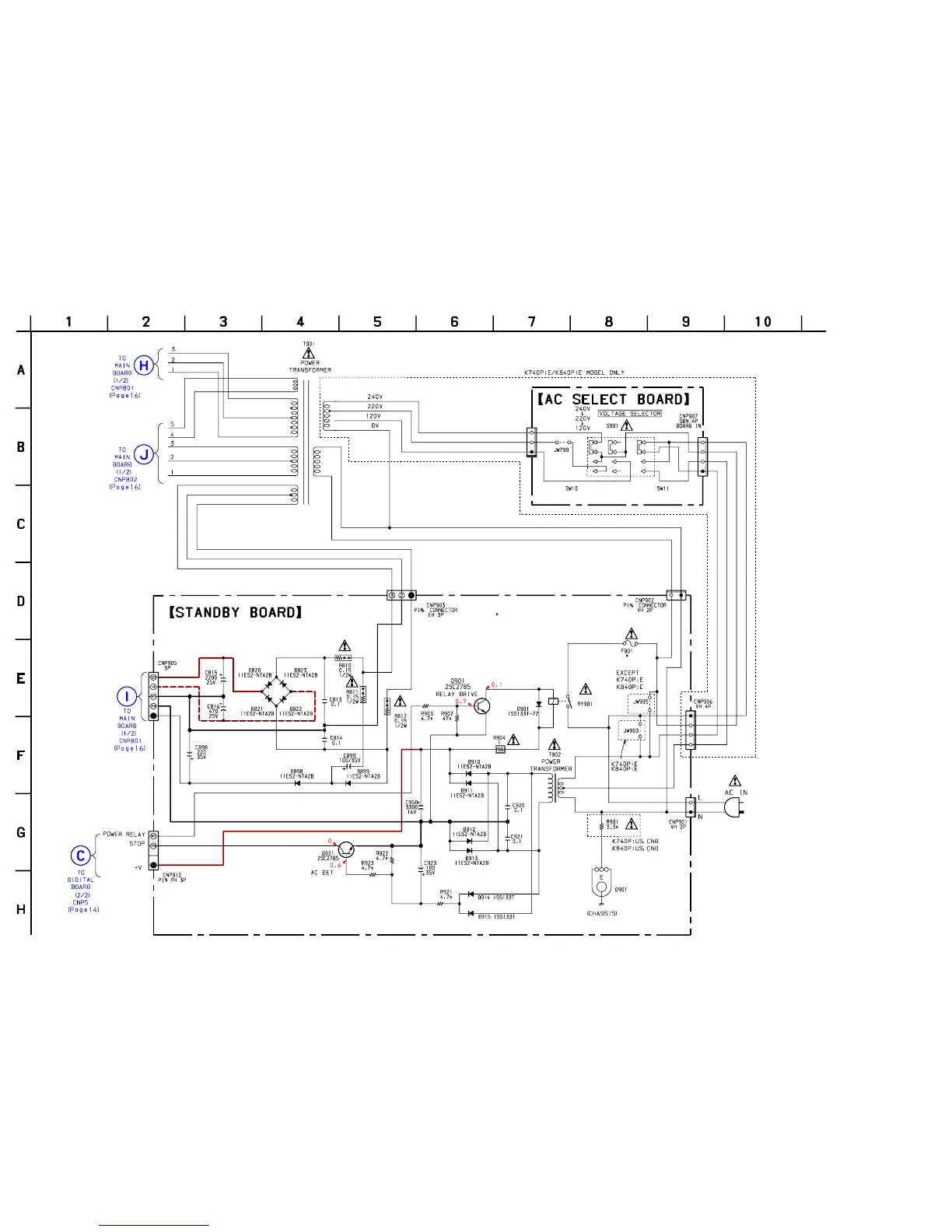
Sony STR-K740P - Schematic Diagram - POWER Section

Sony STR-K740P
44 pages
Print Icon
To Next Page IconTo Next Page
To Next Page IconTo Next Page
To Previous Page IconTo Previous Page
To Previous Page IconTo Previous Page
Loading...
2222
STR-K740P/K840P
3-14. Schematic Diagram POWER Section
F901
2.5V/250V : EXCEPT K740P:US,CND/K840P:US,CND,MX
6.3V/125V : K740P:US,CND/K840P:US,CND,MX

Related product manuals