EasyManua.ls Logo

Sony STR-K885 - Schematic Diagram - MAIN Board (4;4)

Sony STR-K885
60 pages
Print Icon
To Next Page IconTo Next Page
To Next Page IconTo Next Page
To Previous Page IconTo Previous Page
To Previous Page IconTo Previous Page
Loading...
2727
STR-K885
STR-K885
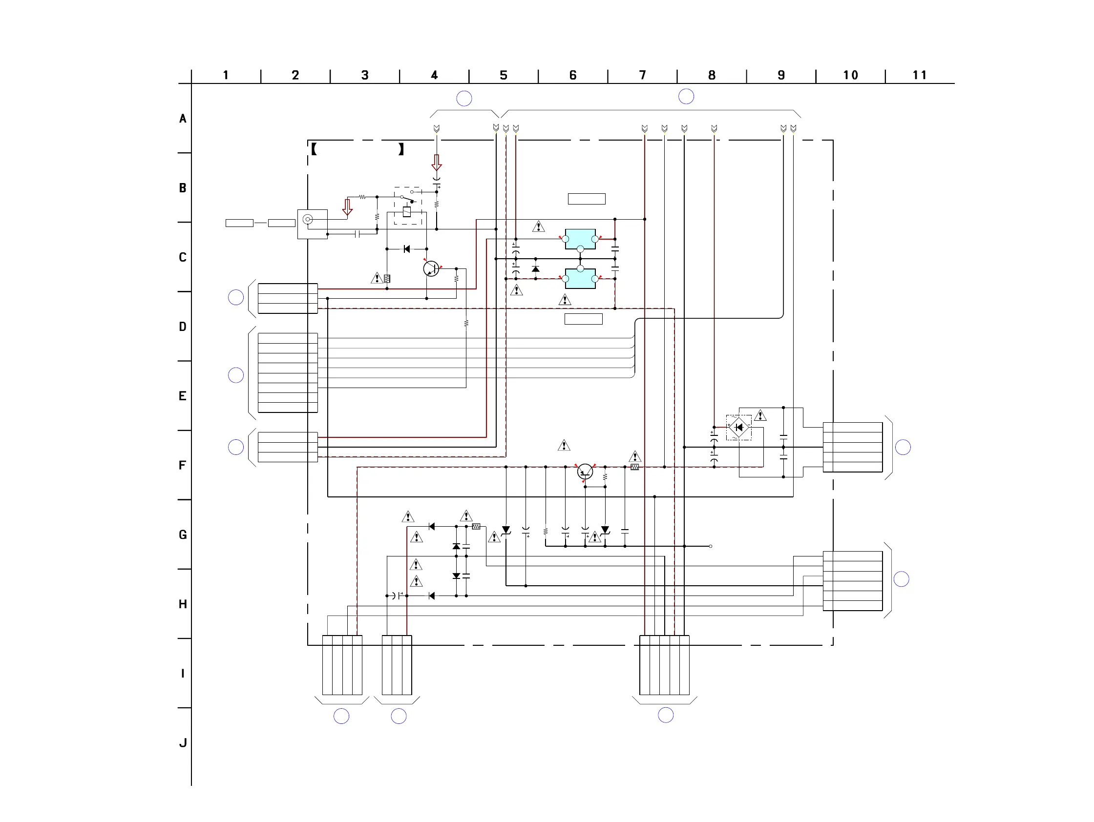
4-14. SCHEMATIC DIAGRAM – MAIN BOARD (4/4) –
O
VIDEO
BOARD
CNP203
(Page 35)
D
DIGITAL
BOARD
(4/5)
CNP503
(Page 21)
L
DCAC
BOARD
CN2000
(Page 33)
M B
DISPLAY BOARD
CN108
(Page 29)
DIGITAL BOARD
(4/5)
CNP505
(Page 21)
N
STANDBY BOARD
CNP802
(Page 31)
K
POWER
TRANSFORMER
T901
(Page 31)
POWER
TRANSFORMER
T901
(Page 31)
J
0
0.8
7
-7
17
-16.5
-21.9 -46
-22.5
No mark:FM
J309
2200p
C400
47k
R470
220
R802
MA2J1110GLS0
D560
2SC3052EF-T1-LEF
Q560
47k
R533
10k
R532
I
I
O
O
G
G
TA7807S
IC801
25V
47
C807
25V
47
C808
1SR154-400TE-25
D896
TA79007S
IC802
16V
3300
C832
1SR154-400TE-25
D805
1SR154-400TE-25
D806
1SR154-400TE-25
D807
1SR154-400TE-25
D808
35V
47
C822
35V
47
C801
35V
47
C802
10k
R804
22k
R806
4.7
R803
2SB734-T-34
Q801
D5SBA20-4003
D802
100V
0.22
C805
100V
0.22
C806
100k
R468
1k
R469
RY560
1
3
4
5
6
7
8
9
CNP913
PROTECTOR
FRONT A RY
SB/CTR/REAR RY
HP CTRL
HP RY
WOOFER RY
FRONT B RY
BRIDGEABLE RY
1
2
3
4
5
5P
CNP801
R1 (SIDE1)
R2 (SIDE2)
GND
R2 (SIDE2)
R1 (SIDE1)
1
2
3
4
5
6
6P
CNP802
F1
NC
GND
F2
-R4
+R4
63V
4700
C813
63V
4700
C814
1
2
3
CNP912
+7V (R4)
NC
GND (R4)
1
2
3
4
4P
CNP507
F1
NC
F2
-20V
1
3
4
CN505
+15V
GND
-15V
1
3
4
4P
CN506
+7V
GND
-7V
100V
0.1
C809
0.47
C830
0.47
C831
0.47
C811
0.47
C810
UDZSTE-1722B
D801
PTZ-TE25-5.6B
D804
1
2
3
4
5
5P
CN915
R2 RETURN GND
-15V
STBY GND
R2 GND
+15V
50V
4.7
C471
1/2W
0.15
R910
61
66
68
55
62
+7V
12 3836 3734 353331 32
RELAY DRIVE
IC801
IC802
+7V REG
-7V REG
-20V REG
SYSTEM
GND
WP102
1P
4P
9P
3P
SUBWOOFER AUDIO OUT
(4/4)
MAIN BOARD
12
1
2
3
3
3
MAIN BOARD
(1/4)
(Page 24)
5
MAIN BOARD
(3/4)
(Page 26)
Ver. 1.1