EasyManua.ls Logo

Sony STR-K885 - Schematic Diagram - HDMI SW Board

Sony STR-K885
60 pages
Print Icon
To Next Page IconTo Next Page
To Next Page IconTo Next Page
To Previous Page IconTo Previous Page
To Previous Page IconTo Previous Page
Loading...
3737
STR-K885
STR-K885
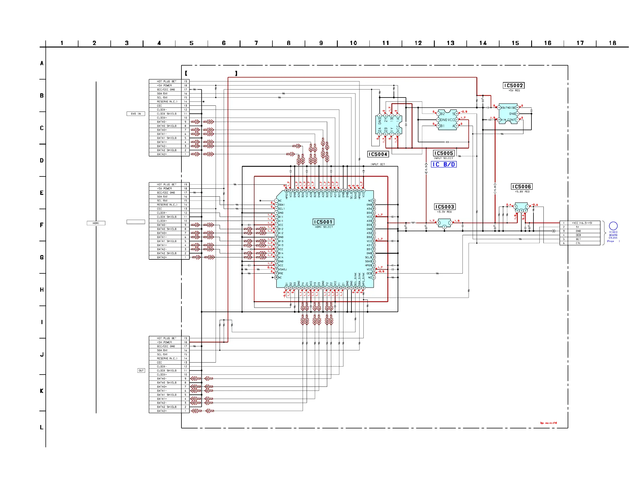
4-24. SCHEMATIC DIAGRAM – HDMI SW BOARD –
• See page 39 for IC Block Diagram.
S
35
VIDEO 2/BD IN
HDMI SW BOARD
CN5001
CN5002
TP5001
TP5002
IC5003
TP5016
SL5001
CN5003
R5024
R5025
R5048
R5027
R5028
R5029
R5022
R5055
C5012
R5030
R5005
R5006
R5007
R5008
R5009
R5010
R5011
R5072
R5068
R5019
R5016
R5061
R5074
R5056
R5026
C5016
IC5002C5027
C5017
C5018
C5019
IC5005
C5020
IC5004
C5013
C5014C5015
L5013
C5007
C5006
C5005
C5001
C5023
C5022
IC5001
C5002
C5003
C5004
CN5004
R5051
R5050
R5053
C5024
R5052
C5021
IC5006
R5003
R5054
R5014
R5017
R5047
C5011
C5010
C5009
R5015
C5008
R5069
R5073
R5042
R5004
R5049
R5043
R5060
R5020
R5001
R5002
R5018
19P
19P
BA33BC0FP-E2
19P
0
0
0
10k
10k
47k
10k
10k
6.3V
330u
10k
0
0
0
0
0
0
0
100
100k
0
0
0
2.2k
1k
100
0.01
TK11150CSCL-G47
10V
0.22
0.22
0.1
SN74LVC1G3157DCKR
0.1
TC7WZ08FK(TE85R)
0.33
330 6.3V
47 10V
0.01
0.01
0.01
0.1
0.01
0.01
TMDS341PFCR
0.01
0.01
0.01
6P
1.5k
1k
2.2k
0.33
47k
100
16V
BAOOBC0WEP-E2
10k
10k
0
0
0
0.01
0.01
0.01
1k
0.01
100k
0
4.7k
0
0
4.7k
0
0
3.9k 750
1k